Webbshop
artiklar
x
Huvudnummer
0910-73 32 00
Svenska
CHOOSE REGION:
I am from
Denmark
Sweden
Finland
CHOOSE LANGUAGE:
Danish
English
Swedish
English
Suomi
Hittade 0
Resultat
Produkter
Visa alla resultat (0)
Kategorier
Logga in
Registrera dig
Meny
Ackumulatorer
Blåsackumulator
Kolvackumulator
Membranackumulator
Tillbehör och reservdelar ackumulator
Adapter, Rörkopplingar och Svivlar
Adapter JIC
Adapter JIS
Adapter ORFS
Adapter, BSP, MM, NPT, UNF
Adapter/Skärringskoppling DIN
Instrumentkopplingar S-Lok
Pyplok rörkopplingar
Svivlar
Syrafast Adapter BSP, MM, NPT, UNF
Syrafast Adapter JIC
Syrafast Skärringskoppling DIN
Aggregat och Hydraultankar/Tillbehör
OMFB powerpacks och komponenter
Powerpack - Tillbehör oach reservdelar
Centralsmörjning och Fetthantering
Fetthanteringsutrustning och smörjfett
Fettpåfyllningspumpar och tillbehör
Ledningskomponenter för centralsmörjning
Slangkopplingar
Smörjnipplar och tillbehör
Smörjpaneler
Smörjpumpar - Olja / Smörjfett
Smörjpumpar - Tillbehör och reservdelar
Utloppsventiler, backventiler och pluggar
Ventiler - Olja / Fett
Cylindrar och vriddon
Dubbelverkande cylindrar
Reservdelar för cylindrar
Elektronik
Controllers (Plus+1®)
Displays och kontroller
Joysticks och tillbehör
Kontakter
Magnetspolar
Radiostyrningar
Sensors
Styrkort
Tryckvakter
Filter
Andningsfilter
Filtreringsenheter och off-line filter. Dieselfilter. AdBlue.
Ledningsfilter, mässing/syrafast, H400
Returfilter
Spin-On Filter
Sugsilar
Tillbehör till filter
Tryckfilter
Flänsar
Pumpanslutningar
SAE Flänsar
Tube-Mac rörsystem
Hydraulrör
Sömlösa hydraulrör, Förzinkade, E235+N
Bromsrör/Kopparrör
Sömlösa Hydraulrör, Rostfria 1.4301
Sömlösa Hydraulrör, Rostfria/Syrafasta 1.4571
Sömlösa hydraulrör fosfaterade (svart)
Hydraulslangar och tillbehör
1-ståls hydraulslang 1SN och 1SC
2-stål hydraulslang 2SN och 2SC
3-ståls hydraulslang kompakt 3WBC
4-6-ståls hydraulslang EFG, 4SP, 4SH, R12, R13, R15
Hydraulslang Högtemperatur
Hydraulslang Lågtemperatur
Hydraulslang Pilot
Hydraulslang Tvilling
MegaTuff och Hardcover hydraulslang
Slangtillbehör, Slangskydd, Plastplugg, Säkerhetsutrustning
Termoplastslang
Tvättslang
Industrislangar och kopplingar
Gummikompensatorer DIN/SAE
Hylsor, klämbackar och klämringar för Industrislang
Industri kopplingar och adaptrar
Industri och automotiveslang
Slangklammer och tillbehör
Slangtillbehör
Maskiner och verktyg
Förmonterings- och kragverktyg, Manuella
Handskar, Personlig skyddsutrustning och Sanering
Handverktyg och Monteringshjälp
Kapmaskiner och slangsaxar
Märkningsutrustning
Rörmanipulering
Skalmaskin
Slang och rörrengöring
Slangpressar
Slangställ, slangupphängare
Thread identification boards
Motorer och flödesdelare
Elmotorer
Flödesdelare
Hydraulmotorer
Styrorbitroler, rattar och rattstammar
Olja- AdBlue, Petroleumhantering och Slangvindor
AdBlue och kemutrustning
Diesel och Bensinutrustning
Luftfyllare och tillbehör
Membranpumpar
Oljeutrustning
Slang- och kabelupprullare
Spillolja- och fathantering
Oljekylare
Luftoljekylare med AC-motor
Luftoljekylare med DC-motor
Luftoljekylare med cirkulationspump
Tillbehör till oljekylare
Vattenoljekylare
Packningar och Monteringskemikalier
O-ringar och SAE flänstätningar
Packningar av USIT, koppar och ED
Packningssortiment
Sortimentslådor
Tätningar och monteringskemikalier
Pneumatik, herionventiler, lågtryckskopplingar och slang
Cylindrar och bälgar
Kopplingar, rör och tillbehör
Luftbehandling
Tryckvakter/Tryckgivare
Vakuum
Ventiler
Pumpar
Handpumpar
Kolvpumpar
Kugghjulspumpar
Vingpumpar
Rörklammer
ACT rôrklammer
Bultar, mutter, monteringsskena
Gummiklammer
Konsolklammer Lätta serien LPGU
Konsolklammer Tunga Serien SPGU
Lättviktstyp LB/LN/LBBU/LNGF/LNUF
Rörgenomföring SRF
Rörklammer DIN 3567, 1592, 1593, 1596, 1597, BSS, BSN, 72571, 72573
Rörklammer gummiklädda NPC
Rörklammer typ STF
Rörklammer typ avgas, PC
Sadelklammer ZR
Standard serie dubbla (DIN 3015-3)
Standard serie enkla (DIN 3015-1)
Tung serie (DIN 3015-2)
Tung serie med gummibussning
U-Klammer, rund och platt stång
Slangkopplingar
One piece
Plug-In, WEO mfl.
Presshylsor
Presskopplingar
Skruvkopplingar
Slangkopplingar Lågtryck
Snabbkopplingar
Multikopplingar för hydraulik
Snabbkopplingar för tryckluft, gas, vätskor och andra medier
Snabbkopplingar hydraulik
Test- och mätutrustning
Flödesmätare
Manometerset i låda
Manometrar och tillbehör
Mätadapter
Mätkopplingar
Snabbkopplingar till testutrustning
Testenheter, flödesmätare, tryckgivare och sensorer
Testslangar samt kopplingar för 2mm och 4mm slang.
Transmission
Axelkopplingar
Broms till orbitmotorer - Reggiana
Mellanstycke
Splineshylsor
Stödlager
Växlar
Ventiler
Danfoss MVB ventilsystem
Inline service ventiler (back, flow och tryck)
Kulventiler och andra lågtrycksventiler
NG/CETOP ventiler och ventilblock
Patronventiler
Processventiler
Proportionalventiler och tillbehör
Riktningsventiler
Ventilblock
Väljarventiler inline
Walvoil SDE system
Huvudmeny
Mitt konto
MARKNADSOMRÅDEN
HYDRAULSYSTEM
SLANG- & LEDNINGSKOMPONENTER
ELEKTRIFIERING
FÖRNYBAR ENERGI
AFFÄRSOMRÅDEN
EFTERMARKNAD
JORDBRUK
NYTTOFORDON
ANLÄGGNINGSMASKINER
FÖRSVAR
ENERGI
SKOGSBRUK
INDUSTRI
MARIN
MATERIALHANTERING
OFFSHORE
MASSA & PAPPER
STÅL & GRUVDRIFT
LASTBIL & SLÄPVAGNSANPASSNINGAR
VINDKRAFT
PARTNERWEB
KOMPONENTER
ADAPTRAR & KOPPLINGAR
KOPPLINGAR
SNABBKOPPLINGAR
HYDRAULSLANGAR
RÖRLÖSNINGAR
PUMPAR
VENTILER
ELEKTRONISKA KOMPONENTER
MOTORER & STYRENHETER
TJÄNSTER
WEBBSHOP & EASY ORDERING
HYDRASPECMA BUTIKER
DANFOSS BUILD CENTER
END-TO-END
SIMSYSTEMS
MONTERING AV HYDRAULSLANG
SPOLNING & JETCLEAN
TERMISK AVGRADNING
KONSTRUKTION AV RÖRSYSTEM
KONSTRUKTION & TEKNIK
RENLIGHET & KVALITET
MRO SERVICE
LÖSNINGAR
HPU & KRAFTAGGREGAT
HIC & VENTILBLOCK
CENTRALSMÖRJNING
SYSTEMLEVERANTÖR
HYDRA DRIVE SYSTEM
LEVERANTÖRER
ATOS
CASAPPA
DANFOSS POWER SOLUTIONS
DUPLOMATIC MOTION SOLUTIONS
FASTER
GATES
GROENEVELD-BEKA
I.M.M. HYDRAULICS
IMPRO FLUIDTEK
LILLBACKA FINN-POWER
MHA ZENTGRAF
MP FILTRI
REGGIANA RIDUTTORI
STAUFF
SUN HYDRAULICS
TECFLUID
VOLZ
WALVOIL
WHITE
OM OSS
LEDNINGEN
HISTORIA
HÅLLBARHET & ESG
KÄRNVÄRDEN
POLICYS
CERTIFIERINGAR
INSIGHTS & MEDIA
NYHETER
INSIGHTS
KUNDSTORIES
EVENTS
KARRIÄR
KONTAKTA OSS
DANMARK
SVERIGE
FINLAND
RENEWABLES
DOTTERBOLAG
VÅRA BUTIKER
KUNDSERVICE
PARTNERWEB
KOMPONENTER
ADAPTRAR & KOPPLINGAR
KOPPLINGAR
SNABBKOPPLINGAR
HYDRAULSLANGAR
RÖRLÖSNINGAR
PUMPAR
VENTILER
ELEKTRONISKA KOMPONENTER
MOTORER & STYRENHETER
TJÄNSTER
WEBBSHOP & EASY ORDERING
HYDRASPECMA BUTIKER
DANFOSS BUILD CENTER
END-TO-END
SIMSYSTEMS
MONTERING AV HYDRAULSLANG
SPOLNING & JETCLEAN
TERMISK AVGRADNING
KONSTRUKTION AV RÖRSYSTEM
KONSTRUKTION & TEKNIK
RENLIGHET & KVALITET
MRO SERVICE
LÖSNINGAR
HPU & KRAFTAGGREGAT
HIC & VENTILBLOCK
CENTRALSMÖRJNING
SYSTEMLEVERANTÖR
HYDRA DRIVE SYSTEM
LEVERANTÖRER
ATOS
CASAPPA
DANFOSS POWER SOLUTIONS
DUPLOMATIC MOTION SOLUTIONS
FASTER
GATES
GROENEVELD-BEKA
I.M.M. HYDRAULICS
IMPRO FLUIDTEK
LILLBACKA FINN-POWER
MHA ZENTGRAF
MP FILTRI
REGGIANA RIDUTTORI
STAUFF
SUN HYDRAULICS
TECFLUID
VOLZ
WALVOIL
WHITE
OM OSS
LEDNINGEN
HISTORIA
HÅLLBARHET & ESG
KÄRNVÄRDEN
POLICYS
CERTIFIERINGAR
INSIGHTS & MEDIA
NYHETER
INSIGHTS
KUNDSTORIES
EVENTS
KARRIÄR
KONTAKTA OSS
DANMARK
SVERIGE
FINLAND
RENEWABLES
DOTTERBOLAG
VÅRA BUTIKER
KUNDSERVICE
Här är du:
Produkter
Ventiler
NG/CETOP ventiler och ventilblock
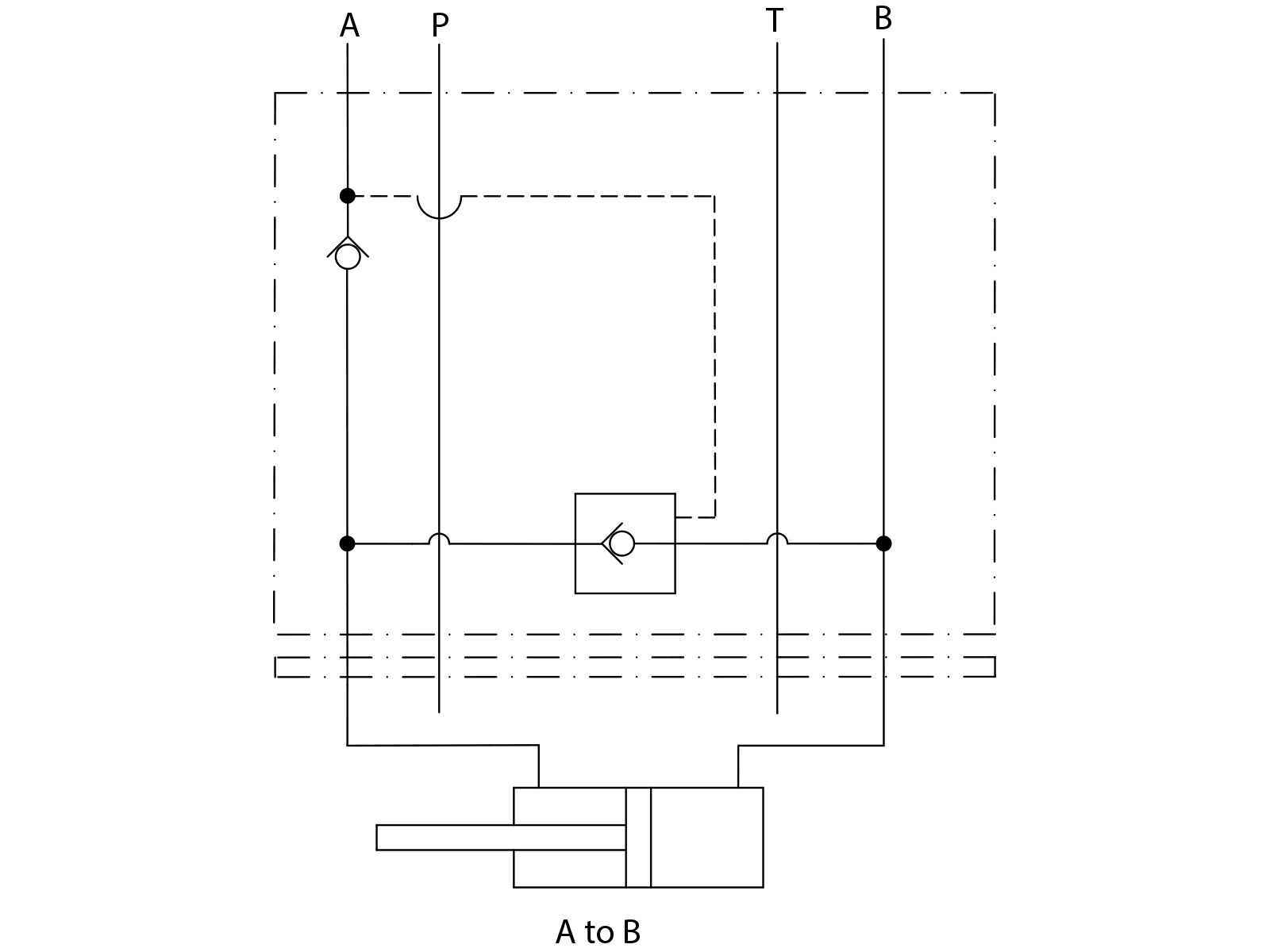
NG06 / Cetop3
NG06 - Sandwich ventiler
NG06 - Modul regenerativ ventil
YDCF-XCN-AA - Regenerativ ventil SUN NG6
Regenerativ ventil SUN NG6
…
Läs mer
Artikelnummer:
YDCF-XCN-AA
Förpackningsstorlek:
1 st
Minsta beställningskvantitet:
1 st
Specifikationer
Dimensioner och frakt
Flödeshastighet nominell LMin
40 lpm
Föroreningsgrad max.
19/17/14 - ISO 4406
Märke namn
Sun Hydraulics
NG ISO-storlek
NG06
Oljeviskositet rekommanderad
2,8 - 380 cSt
Tillverkningsmaterial
Aluminium
Tryck max.
210 bar
Tryckinställning max.
2 bar
Tryckinställning min.
2 bar
Ventiltyp
Regenerativ ventil
Förpackningsstorlek
1 st
Streckkod
230361
Bruttovikt
Kg
Nettovikt
Kg
Ursprungsland
usa
Produktinformation
Regenerativ ventil SUN NG6
Länkar
Produktdatablad
Produktdatablad
Andra tittar på
DS3-S1/11N-D00 - Riktningsventil Duplomatic NG6 4/3 PcAcBcTc
DS3-S1/11N-D00 - Riktningsventil Duplomatic NG6 4/3 PcAcBcTc
Artikelnummer:
DS3-S1/11N-D00
Förpackningsstorlek:
1 st
DS3-S3/11N-D00 - Riktningsv. Duplomatic NG6 4/3 PcAoBoTo
DS3-S3/11N-D00 - Riktningsv. Duplomatic NG6 4/3 PcAoBoTo
Artikelnummer:
DS3-S3/11N-D00
Förpackningsstorlek:
1 st
BL-6-3-A - Ventilblock NG6 3-SEKT G3/8" Alu
BL-6-3-A - Ventilblock NG6 3-SEKT G3/8" Alu
Artikelnummer:
BL-6-3-A
Förpackningsstorlek:
1 st
DS3-TA/11N-D00 - Riktn.v. Duplomatic NG6 4/2 P-A B-T
DS3-TA/11N-D00 - Riktn.v. Duplomatic NG6 4/2 P-A B-T
Artikelnummer:
DS3-TA/11N-D00
Förpackningsstorlek:
1 st
BL-6-1-A - Ventilblock NG6 1-SEKT G3/8" Alu
BL-6-1-A - Ventilblock NG6 1-SEKT G3/8" Alu
Artikelnummer:
BL-6-1-A
Förpackningsstorlek:
1 st
DSB3-RTA/10N - Riktningsventil flödesvändande, NG6 4/2, 30L/min, 350bar
DSB3-RTA/10N - Riktningsventil flödesvändande, NG6 4/2, 30L/min, 350bar
Artikelnummer:
DSB3-RTA/10N
Förpackningsstorlek:
1 st
DS3-S1/11N-D12K1 - Riktn.v. Duplomatic NG6 4/3 12VDC PcAcBcTc
DS3-S1/11N-D12K1 - Riktn.v. Duplomatic NG6 4/3 12VDC PcAcBcTc
Artikelnummer:
DS3-S1/11N-D12K1
Förpackningsstorlek:
1 st
BMM-6-1-G - Ventilblock NG6 1-SEKT G3/8 Stål, inbyggd tryckbegränsare
BMM-6-1-G - Ventilblock NG6 1-SEKT G3/8 Stål, inbyggd tryckbegränsare
Artikelnummer:
BMM-6-1-G
Förpackningsstorlek:
1 st
VP-NDV-6 - Strypbackv. Poclain, NG6
VP-NDV-6 - Strypbackv. Poclain, NG6
Artikelnummer:
VP-NDV-6
Förpackningsstorlek:
1 st
DS3-S2F/13N-D00/F - Riktningsv. Duplomatic NG6 4/3 PoAoBoTo
DS3-S2F/13N-D00/F - Riktningsv. Duplomatic NG6 4/3 PoAoBoTo
Artikelnummer:
DS3-S2F/13N-D00/F
Förpackningsstorlek:
1 st
DG4V-3-8C-VMU-H7-61 - Riktningsventil Vickers NG6 4/3 PoAcBcTo 24VDC
DG4V-3-8C-VMU-H7-61 - Riktningsventil Vickers NG6 4/3 PoAcBcTo 24VDC
Artikelnummer:
DG4V-3-8C-VMU-H7-61
Förpackningsstorlek:
1 st
SILG-6 - Ventilblock NG6 G3/8''
SILG-6 - Ventilblock NG6 G3/8''
Artikelnummer:
SILG-6
Förpackningsstorlek:
1 st
BMM-6-3-G - Ventilblock NG6 3-SEKT G3/8'' Stål, inbyggd tryckbegränsare
BMM-6-3-G - Ventilblock NG6 3-SEKT G3/8'' Stål, inbyggd tryckbegränsare
Artikelnummer:
BMM-6-3-G
Förpackningsstorlek:
1 st
DG4V-3-6C-MU-H7-60 - Riktningsventil Vickers NG6 4/3 PcAoBoTo 24VDC
DG4V-3-6C-MU-H7-60 - Riktningsventil Vickers NG6 4/3 PcAoBoTo 24VDC
Artikelnummer:
DG4V-3-6C-MU-H7-60
Förpackningsstorlek:
1 st
DHL0713/H - Solenoid valve Cetop 3 DHL-0713/X24DC w.o. connector
DHL0713/H - Solenoid valve Cetop 3 DHL-0713/X24DC w.o. connector
Artikelnummer:
DHL0713/H
Förpackningsstorlek:
1 st
DS3-S20/11N-D24K1 - Riktn.v. Duplomatic NG6 4/3 24VDC PcAcBcTc
DS3-S20/11N-D24K1 - Riktn.v. Duplomatic NG6 4/3 24VDC PcAcBcTc
Artikelnummer:
DS3-S20/11N-D24K1
Förpackningsstorlek:
1 st
DS3-S2/11N-D00 - Riktningsventil Duplomatic NG6 4/3 PoAoBoTo
DS3-S2/11N-D00 - Riktningsventil Duplomatic NG6 4/3 PoAoBoTo
Artikelnummer:
DS3-S2/11N-D00
Förpackningsstorlek:
1 st
DSH3L-S4/10N - Riktn.ventil Duplomatic NG6 4/3 PoAcBcTo
DSH3L-S4/10N - Riktn.ventil Duplomatic NG6 4/3 PoAcBcTo
Artikelnummer:
DSH3L-S4/10N
Förpackningsstorlek:
1 st
KVP-4/3-5KO-6-1-30 - Riktn. v Prop NG6 POCLAIN 30L/MIN PcAcBcTc
KVP-4/3-5KO-6-1-30 - Riktn. v Prop NG6 POCLAIN 30L/MIN PcAcBcTc
Artikelnummer:
KVP-4/3-5KO-6-1-30
Förpackningsstorlek:
1 st
KV-4/3-5KL-6-1L - Riktningsventil Poclain NG6 4/3 PcAcBcTc 24VDC
KV-4/3-5KL-6-1L - Riktningsventil Poclain NG6 4/3 PcAcBcTc 24VDC
Artikelnummer:
KV-4/3-5KL-6-1L
Förpackningsstorlek:
1 st
HG031/50 - Tryckred.ventil NG6, P-port, 2-50Bar
HG031/50 - Tryckred.ventil NG6, P-port, 2-50Bar
Artikelnummer:
HG031/50
Förpackningsstorlek:
1 st
DG4V-3-6C-MU-C6-60 - Riktningsventil Vickers NG6 4/3 PcAoBoTo 220V
DG4V-3-6C-MU-C6-60 - Riktningsventil Vickers NG6 4/3 PcAoBoTo 220V
Artikelnummer:
DG4V-3-6C-MU-C6-60
Förpackningsstorlek:
1 st
U77-6-6 - Ventilblock NG6 6-SEKT G1/2'' STÅL
U77-6-6 - Ventilblock NG6 6-SEKT G1/2'' STÅL
Artikelnummer:
U77-6-6
Förpackningsstorlek:
1 st
U77-6-3 - Ventilblock NG6 3-SEKT G1/2'' STÅL
U77-6-3 - Ventilblock NG6 3-SEKT G1/2'' STÅL
Artikelnummer:
U77-6-3
Förpackningsstorlek:
1 st
BL-6-5-A - Ventilblock NG6 5-SEKT G3/8'' ALU
BL-6-5-A - Ventilblock NG6 5-SEKT G3/8'' ALU
Artikelnummer:
BL-6-5-A
Förpackningsstorlek:
1 st
BP-6-1-S - Ventilblock Poclain NG6 x1 P&T upp/ner, A&B i sida
BP-6-1-S - Ventilblock Poclain NG6 x1 P&T upp/ner, A&B i sida
Artikelnummer:
BP-6-1-S
Förpackningsstorlek:
1 st
U77-6-4 - Ventilblock NG6 4-sekt G1/2'' STÅL
U77-6-4 - Ventilblock NG6 4-sekt G1/2'' STÅL
Artikelnummer:
U77-6-4
Förpackningsstorlek:
1 st
VP-RT-6-D-100 - Tryckbeg.v. Poclain NG6
VP-RT-6-D-100 - Tryckbeg.v. Poclain NG6
Artikelnummer:
VP-RT-6-D-100
Förpackningsstorlek:
1 st
BSL-6-G - Ventilblock NG6 G3/8 P&T i botten A&B i sida
BSL-6-G - Ventilblock NG6 G3/8 P&T i botten A&B i sida
Artikelnummer:
BSL-6-G
Förpackningsstorlek:
1 st
DS3-RK/11N-D00 - Riktningsventil Duplomatic NG6 4/2 P-A B-T
DS3-RK/11N-D00 - Riktningsventil Duplomatic NG6 4/2 P-A B-T
Artikelnummer:
DS3-RK/11N-D00
Förpackningsstorlek:
1 st
Copyright © 2026 HydraSpecma