Overcenterventil SUN T-19A

5:1 pilot ratio, vented counterbalance valve – atmospherically referenced

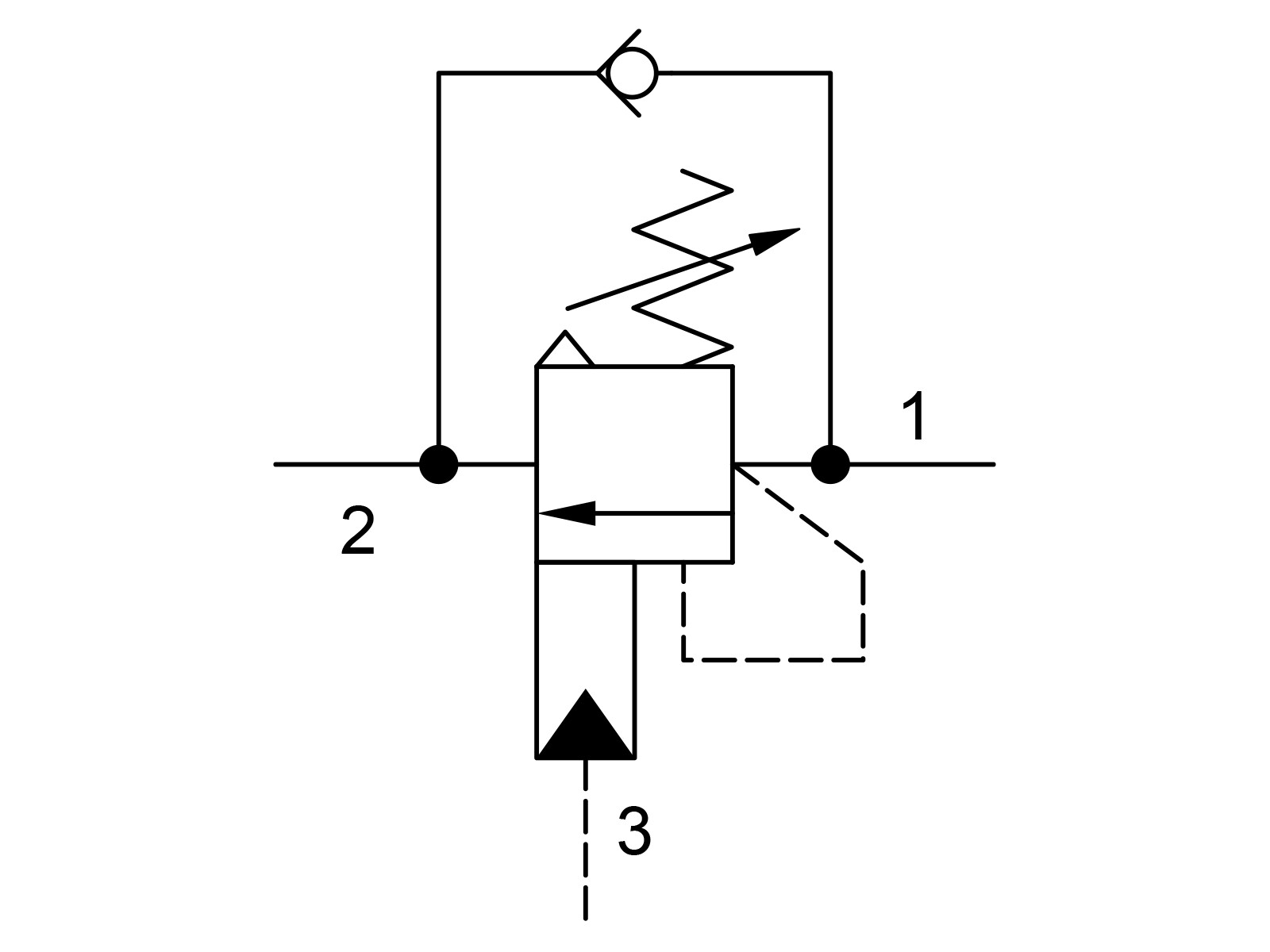
Atmospherically vented counterbalance valves with pilot assist are meant to control an overrunning load. The check valve allows free flow from the directional valve (port 2) to the load (port 1) while a direct-acting, pilot-assisted relief valve controls flow from port 1 to port 2. Pilot assist at port 3 lowers the effective setting of the relief valve at a rate determined by the pilot ratio. Backpressure at port 2 does not affect the valve setting because the spring chamber is atmospherically referenced. Other names for this valve include motion control valve and over-center valve.

  • Counterbalance valves should be set at least 1.3 times the maximum load induced pressure.
  • Turn adjustment clockwise to decrease setting and release load.
  • Approximately 1 drop (0,07 cc) of fluid will pass from the pilot area to the vented spring chamber every 4000 cycles.
  • Reseat exceeds 85% of set pressure when the valve is standard set. Settings lower than the standard set pressure may result in lower reseat percentages.
  • Sun counterbalance cartridges can be installed directly into a cavity machined in an actuator housing for added protection and improved stiffness in the circuit.
  • This valve has positive seals between all ports.
  • With vented valves, a lower pilot ratio may be required to achieve machine stability compared to non-vented valves.
  • All 3-port counterbalance, load control, and pilot-to-open check cartridges are physically interchangeable (i.e. same flow path, same cavity for a given frame size).
  • Incorporates the Sun floating style construction to minimize the possibility of internal parts binding due to excessive installation torque and/or cavity/cartridge machining variations.

Artikelnummer:
CAIG-LGN

Förpackningsstorlek:
0 pcs

Minsta beställningskvantitet:
1 pcs
Brand Name
Sun Hydraulics

Cavity
T-19A

Contamination level max.
19/17/14 - ISO 4406

Flow rate nominal LMin
480 lpm

Material
Steel

Oil viscocity recommended
2,8 - 380 cSt

Pilot ratio
5:1

Pressure max.
350 bar

Pressure setting max.
420 bar

Pressure setting min.
140 bar

Sealing material
NBR

Temperature max.
+110 °C

Temperature min.
-30 °C

Torque tightening
474 - 508 Nm
Pakke str.
0 pcs

Stregkode
5715803521038

Brutto vægt
Kg

Netto vægt
Kg

Oprindelsesland
usa

5:1 pilot ratio, vented counterbalance valve – atmospherically referenced

Atmospherically vented counterbalance valves with pilot assist are meant to control an overrunning load. The check valve allows free flow from the directional valve (port 2) to the load (port 1) while a direct-acting, pilot-assisted relief valve controls flow from port 1 to port 2. Pilot assist at port 3 lowers the effective setting of the relief valve at a rate determined by the pilot ratio. Backpressure at port 2 does not affect the valve setting because the spring chamber is atmospherically referenced. Other names for this valve include motion control valve and over-center valve.

  • Counterbalance valves should be set at least 1.3 times the maximum load induced pressure.
  • Turn adjustment clockwise to decrease setting and release load.
  • Approximately 1 drop (0,07 cc) of fluid will pass from the pilot area to the vented spring chamber every 4000 cycles.
  • Reseat exceeds 85% of set pressure when the valve is standard set. Settings lower than the standard set pressure may result in lower reseat percentages.
  • Sun counterbalance cartridges can be installed directly into a cavity machined in an actuator housing for added protection and improved stiffness in the circuit.
  • This valve has positive seals between all ports.
  • With vented valves, a lower pilot ratio may be required to achieve machine stability compared to non-vented valves.
  • All 3-port counterbalance, load control, and pilot-to-open check cartridges are physically interchangeable (i.e. same flow path, same cavity for a given frame size).
  • Incorporates the Sun floating style construction to minimize the possibility of internal parts binding due to excessive installation torque and/or cavity/cartridge machining variations.

Bemærk: Åbning af 3D-filer kræver et program der understøtter fil-formatet

HydraSpecma | Nordens bredeste hydraulik sortiment online - dag til dag levering!
Hydrauliske Systemer – Slange- og Rørledningsartikler til væsketransport – Elektrificering – Vedvarende Energi | HydraSpecma

HYDRASPECMA
– DIN PARTNER FRA IDÉ
TIL SERIEPRODUKTION

Hos HydraSpecma er vi specialiserede i at designe og konstruere state-of-the-art hydrauliske og elektriske systemer, der er skræddersyet til at imødekomme vores kunders dynamiske behov.

Vores ekspertise stopper ikke bare der; vi er også førende inden for levering af omfattende løsninger til væsketransport. Fra slanger og rør af høj kvalitet til robuste fittings og adaptere har vi alt, hvad du behøver for at sikre problemfri væskekontrol.

HydraSpecmas ekspertområde omfatter også en stærk produktportefølje til industrien for vedvarende energi, hvor vi kan støtte din virksomhed med markedsførende køleløsninger, smøre- og filtreringssystemer, hydrauliske systemer og slanger, rør og fittings.

Vores passion for innovation matches af vores ansvar for kvalitet. Hvert produkt og system i vores omfattende sortiment er et vidnesbyrd om vores dedikation til kvalitet. Uanset om du har at gøre med komplekse hydrauliske systemer eller leder efter pålidelige komponenter, der kan vi levere den løsning, du søger.

Tag næste skridt med os, og oplev hvor teknik møder præcision, og hvor hver eneste forbindelse, vi skaber, ikke kun handler om komponenter og systemer, men også om mennesker og deres forretninger.

FOR HOS HYDRASPECMA

ER DIN SUCCES VORES SUCCES