Sun load control valve 4,5:1

4.5:1 pilot ratio, standard capacity counterbalance valve

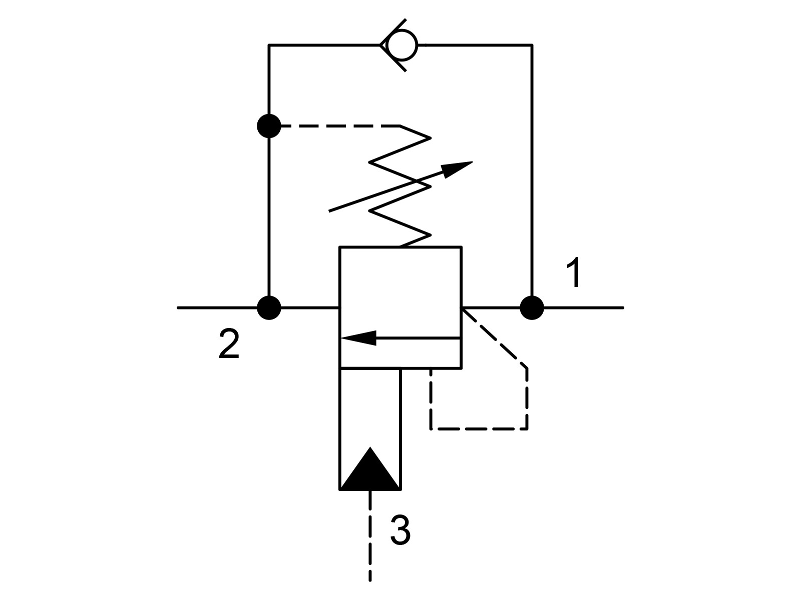
Counterbalance valves with pilot assist are meant to control an overrunning load. The check valve allows free flow from the directional valve (port 2) to the load (port 1) while a direct-acting, pilot-assisted relief valve controls flow from port 1 to port 2. Pilot assist at port 3 lowers the effective setting of the relief valve at a rate determined by the pilot ratio. Other names for this valve include motion control valve and over-center valve.

  • Counterbalance valves should be set at least 1.3 times the maximum load induced pressure.
  • Turn adjustment clockwise to decrease setting and release load.
  • Backpressure at port 2 adds to the effective relief setting at a ratio of 1 plus the pilot ratio times the backpressure.
  • Reseat exceeds 85% of set pressure when the valve is standard set. Settings lower than the standard set pressure may result in lower reseat percentages.
  • Sun counterbalance cartridges can be installed directly into a cavity machined in an actuator housing for added protection and improved stiffness in the circuit.
  • This valve has positive seals between all ports.
  • All 3-port counterbalance, load control, and pilot-to-open check cartridges are physically interchangeable (i.e. same flow path, same cavity for a given frame size).
  • Incorporates the Sun floating style construction to minimize the possibility of internal parts binding due to excessive installation torque and/or cavity/cartridge machining variations.

Partnumber:
CBGG-LJN

Package size:
0 pcs

Min. order quantity is:
1 pcs
Sun Block T17A 1
Partnumber: HCX
P-sats SUN T-17A viton
Partnumber: 990-017-006
Seal kit t/Sun valve T17A Buna
Partnumber: 990-017-007
Brand Name
Sun Hydraulics

Cavity
T-17A

Contamination level max.
19/17/14 - ISO 4406

Flow rate nominal LMin
240 lpm

Material
Steel

Model code
CBGGLJN

Oil viscocity recommended
2,8 - 380 cSt

Pilot ratio
4,5:1

Pressure max.
350 bar

Pressure setting max.
350 bar

Pressure setting min.
140 bar

Sealing material
NBR

Temperature max.
+110 °C

Temperature min.
-30 °C

Torque tightening
203 - 217 Nm
Package size
0 pcs

Barcode
5704295337685

Gross weight
0,63 Kg

Net weight
0,63 Kg

Country of origin

Intrastat code
84812010

4.5:1 pilot ratio, standard capacity counterbalance valve

Counterbalance valves with pilot assist are meant to control an overrunning load. The check valve allows free flow from the directional valve (port 2) to the load (port 1) while a direct-acting, pilot-assisted relief valve controls flow from port 1 to port 2. Pilot assist at port 3 lowers the effective setting of the relief valve at a rate determined by the pilot ratio. Other names for this valve include motion control valve and over-center valve.

  • Counterbalance valves should be set at least 1.3 times the maximum load induced pressure.
  • Turn adjustment clockwise to decrease setting and release load.
  • Backpressure at port 2 adds to the effective relief setting at a ratio of 1 plus the pilot ratio times the backpressure.
  • Reseat exceeds 85% of set pressure when the valve is standard set. Settings lower than the standard set pressure may result in lower reseat percentages.
  • Sun counterbalance cartridges can be installed directly into a cavity machined in an actuator housing for added protection and improved stiffness in the circuit.
  • This valve has positive seals between all ports.
  • All 3-port counterbalance, load control, and pilot-to-open check cartridges are physically interchangeable (i.e. same flow path, same cavity for a given frame size).
  • Incorporates the Sun floating style construction to minimize the possibility of internal parts binding due to excessive installation torque and/or cavity/cartridge machining variations.