PROPORTIONAL FLOW CONTROL PFC10-PC-25-00-00-B-00

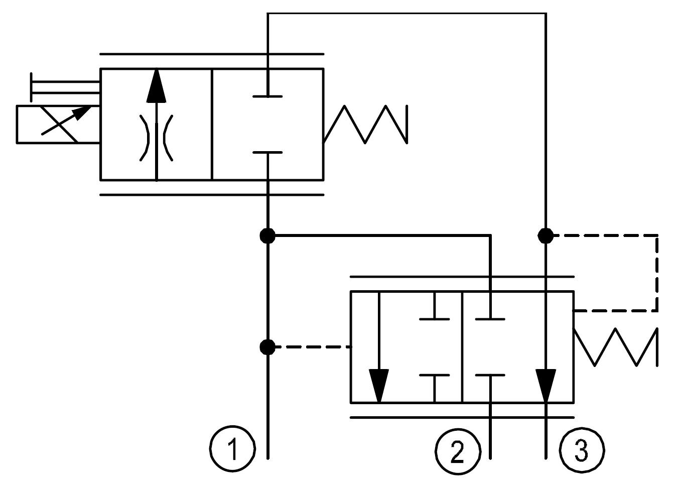
This is a 3-way, spool type, normally closed, priority type, pressure compensated proportional flow control valve.

In the de-energized condition, flow is blocked from port 1 to the priority port 3 and all flow passes from port 1 to 2.

Energizing the coil will proportionally move the spool, opening a variable orifice from port 1 to 3, while excess flow passes to port 2.

An internal compensating spool ensures that the output flow at port 3 remains constant, regardless of changes in differential pressure between port 1 and 3 or pressure at the bypass port 2. Increasing the current to the coil will increase the priority outlet flow.

Varenummer:
83015046

Pakke str.:
0 pcs

Min. bestillingsenhed er:
1 pcs
Coil M19P-12D-1.8A-DN
Varenummer: 171132519
Brand Name
Danfoss

Cavity
SDC10-3

Contamination level max.
18/17/13 - ISO 4406

Current type
DC

Flow max. regulated
25 lpm

Flow min. regulated
0 lpm

Flow rate nominal LMin
40 lpm

Model code
PFC10-PC-25-00-00-B-00

Number of ways
3

Oil viscocity recommended
12 - 54 cSt

Pressure compensated
Yes

Pressure max.
260 bar

Temperature max.
+100 °C

Temperature min.
-40 °C

Torque tightening
45 - 50 Nm
Pakke str.
0 pcs

Stregkode
5704334424727

Brutto vægt
0,38 Kg

Netto vægt
0,38 Kg

Oprindelsesland

Intrastat varekode
84812010

This is a 3-way, spool type, normally closed, priority type, pressure compensated proportional flow control valve.

In the de-energized condition, flow is blocked from port 1 to the priority port 3 and all flow passes from port 1 to 2.

Energizing the coil will proportionally move the spool, opening a variable orifice from port 1 to 3, while excess flow passes to port 2.

An internal compensating spool ensures that the output flow at port 3 remains constant, regardless of changes in differential pressure between port 1 and 3 or pressure at the bypass port 2. Increasing the current to the coil will increase the priority outlet flow.

HydraSpecma | Nordens bredeste hydraulik sortiment online - dag til dag levering!
Hydrauliske Systemer – Slange- og Rørledningsartikler til væsketransport – Elektrificering – Vedvarende Energi | HydraSpecma

HYDRASPECMA
– DIN PARTNER FRA IDÉ
TIL SERIEPRODUKTION

Hos HydraSpecma er vi specialiserede i at designe og konstruere state-of-the-art hydrauliske og elektriske systemer, der er skræddersyet til at imødekomme vores kunders dynamiske behov.

Vores ekspertise stopper ikke bare der; vi er også førende inden for levering af omfattende løsninger til væsketransport. Fra slanger og rør af høj kvalitet til robuste fittings og adaptere har vi alt, hvad du behøver for at sikre problemfri væskekontrol.

HydraSpecmas ekspertområde omfatter også en stærk produktportefølje til industrien for vedvarende energi, hvor vi kan støtte din virksomhed med markedsførende køleløsninger, smøre- og filtreringssystemer, hydrauliske systemer og slanger, rør og fittings.

Vores passion for innovation matches af vores ansvar for kvalitet. Hvert produkt og system i vores omfattende sortiment er et vidnesbyrd om vores dedikation til kvalitet. Uanset om du har at gøre med komplekse hydrauliske systemer eller leder efter pålidelige komponenter, der kan vi levere den løsning, du søger.

Tag næste skridt med os, og oplev hvor teknik møder præcision, og hvor hver eneste forbindelse, vi skaber, ikke kun handler om komponenter og systemer, men også om mennesker og deres forretninger.

FOR HOS HYDRASPECMA

ER DIN SUCCES VORES SUCCES