621F/M14 Counter Flare flange 1 1/4" 6000 psi CS/ZN

GS-Hydron 6000Psi laipat ISO 6162-2 (SAE J 518 Code 62)

Osanumero:
GS621F/M14

Pakkauskoko:
1 kpl

Pienin tilausmäärä on:
1 kpl
Koko
1.1/4 "

Laippa
1.1/4 "

Laippa SAE/DIN
6000 PSI

Lämpötila max.
+60 °C

Lämpötila min.
-20 °C

Materiaali
Teräs

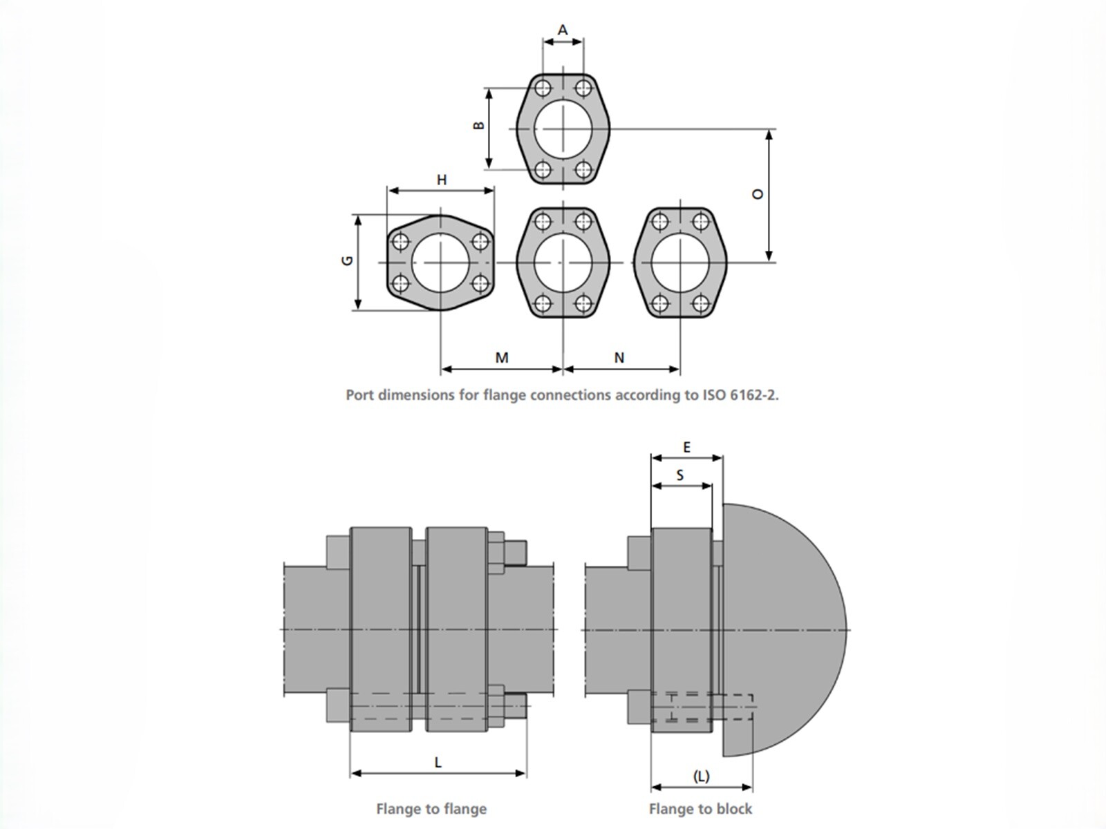
Mitta A
31.8 mm

Mitta B
66.7 mm

Mitta E
35 mm

Mitta G
78 mm

Mitta H
95 mm

Mitta M
91 mm

Mitta N
83 mm

Mitta O
100 mm

Mitta S
30 mm

Paine maks.
420 bar

Pinta
Sähkösinkitty

Pulttikoko
M14x90(50) mm

Pulttireikämäärä
4

Putken halkaisija
42 mm

Tuotemerkit
GS-Hydro
Pakkauskoko
1 kpl

Viivakoodi
486439

Bruttopaino
0,92 Kg

Nettopaino
0,92 Kg

Alkuperämaa
IT

GS-Hydron 6000Psi laipat ISO 6162-2 (SAE J 518 Code 62)

Huomautus: 3D-tiedostojen avaaminen vaatii ohjelman, joka tukee tiedostomuotoa