Webshop
webshop
x
Hovednummer
+45 9735 0599
Dansk
CHOOSE REGION:
I am from
Denmark
Sweden
Finland
CHOOSE LANGUAGE:
Danish
English
Swedish
English
Suomi
Fandt 0
Resultater
Produkter
Vis alle resultater (0)
Kategorier
Log ind
Bliv kunde
Menu
Akkumulatorer
Akkumulator - Blære
Akkumulator - Membran
Akkumulator - tilbehør og reservedele
Cylindre
Bremsecylinder
Cylinder - Dobbeltvirkende
Cylinder - Enkeltvirkende
Cylinder - Reservedele & løsdele
El-dele
Batterier
Betjeningspaneler
Controllers (Plus+1®)
Displays
El-styringer
Elektriske moduler
Gateways og dele
Joysticks og tilbehør
Magnetspoler
Pressostater
Radiostyringer
Sensorer
Stik og connectorer
Filter og filtrering
Filtreringsenhed
Påfyldnings- og udluftningsfiltre
Returfilter
Spin-on filter
Sugesi
Tilbehør til filtre
Trykfiltre
Fittings og nipler
JIS fittings
Nipler
Nipler, rustfri
ORFS fittings
Skæreringsfittings
Skæreringsfittings, rustfri
Svirvler (drejeled)
Udkravningsfittings
Udkravningsfittings, rustfri
Flanger
Påspændingsflanger
SAE flanger
Hydraulikrør
Hydraulikrør - Galvaniseret
Hydraulikrør - Rustfri AISI304
Hydraulikrør - Rustfri/Syrefast AISI316
Hydraulikrør - Sort (Fosfateret)
Hydraulikslange koblinger
Hydraulikslange Kapper
Hydraulikslange indstik - 2 delt
Hydraulikslange koblinger - One piece
Hydraulikslange skruekoblinger
Lavtryksdele
WEO Plug-in slangekoblinger og -nipler
Hydraulikslanger
Hydraulikslange - 1SC og 1SN
Hydraulikslange - 2SC og 2SN
Hydraulikslange - 3SK
Hydraulikslange - 4SH og 4SP
Hydraulikslange - Hardcover og MegaTuff
Hydraulikslange - Højtemperatur
Hydraulikslange - Twin slanger
Hydraulikslange tilbehør
Højtryksrenseslanger
Termoplastslanger
Industrislanger og koblinger
Elaflex gummikompensator
Industrislange tilbehør
Industrislanger
Koblinger og adaptere
Preskappe til levnedsmiddelslange
Spændebånd
Lynkoblinger
Lynkoblinger - Hydraulik
Lynkoblinger - Vand, Luft, Gas
Multikoblinger
Maskiner og værktøj
Butikssortiment
Formontage og udkravning værktøj
Gevind identifikations plader
Hydraulik slangepresser
Håndværktøj
Rørbukker og savekasse
Slange- og rørrensning
Slangeafskrælning
Slangeafskæring
Slangereoler og ophæng
Motorer og flowdelere
Elmotorer
Hydraulikmotor
Mængdedelere
Styreorbitroler, rat og ratstammer
Oliekølere
Oliekøler - Tilbehør
Oliekøler m. AC-motor
Oliekøler m. DC-motor
Oliekøler m. cirkulationspumpe
Pakninger
Andre pakninger
O-ringe
Pakningssortimenter
USIT-, kobber- og ED-pakninger
Powerpacks og Hydrauliktanke
Power pack - Komplette
Power pack - Reservedele og Tilbehør
Pumper
Hydraulik håndpumper
Hydraulik luftpumper
Hydraulik stempelpumpe
Hydraulik tandhjulspumper
Hydraulik vingepumper
Tandhjulspumper - Indvendig fortandet
Rørholdere
Bæreskinner - U-Bolte
Gummi clamps
Piggyback clamps
Rørholder - DIN3015-1 - Standard
Rørholder - DIN3015-2 - Svær
Rørholder - DIN3015-3 - Dobbelt
Rørholder - Letvægtstype
Rørholder - m. gummi bøsning
Rørholdere - Rust forebyggende
Test og måleudstyr
Flowmålere
Manometer
Manometersæt i kuffert
Testlynkoblinger
Testnipler
Testslanger
Testudstyr
Transmission
Bremse til orbitmotorer
Forsatslejer
Gear
Klokker
Klokoblinger
Koblinger, udrykker
SITEX koblinger
Splinebøsninger
Ventiler
Danfoss MVB ventilsystem
Inline service ventiler (kontra, flow og tryk)
Kuglehaner
NG/CETOP ventiler
Omskifterventiler inline
Patronventiler
Proportionalventiler og tilbehør
Retningsventiler
Ventilblokke
Walvoil SDE system
Restsalg
Slangekonfigurator
Hovedmenu
Min side
MARKEDSOMRÅDER
HYDRAULISKE SYSTEMER
SLANGE- & RØRLEDNINGSARTIKLER
ELEKTRIFICERING
VEDVARENDE ENERGI
FORRETNINGSOMRÅDER
EFTERMARKED
LANDBRUG
ERHVERVSKØRETØJER
ENTREPRENØRMASKINER
FORSVAR
ENERGI
SKOVBRUG
GENEREL INDUSTRI
SØFART
MATERIALEHÅNDTERING
OFFSHORE
PAPIR & PAPIRMASSE
STÅL- & MINEDRIFT
LASTBIL- & TRAILERTILPASNINGER
VINDENERGI
KOMPONENTER
ADAPTERE & FITTINGS
KOBLINGER
LYNKOBLINGER
HYDRAULIKSLANGER
RØRSYSTEMER
PUMPER
VENTILER
ELEKTRONISKE KOMPONENTER
MOTORER & STYREENHEDER
SERVICES
WEBSHOP & EASY ORDERING
HYDRASPECMA BUTIKKER
DANFOSS BUILD CENTER
END-TO-END
SIMSYSTEMS
HYDRAULIKSLANGEPRODUKTION
FLUSH & JETCLEAN
TERMISK AFGRATNING
RØRPRODUKTION
DESIGN & TEKNIK
RENHED & KVALITET
LØSNINGER
PUMPESTATIONER
HIC & MANIFOLDBLOKKE
CENTRALSMØRING
SYSTEMLEVERANDØR
HYDRA DRIVE SYSTEM
LEVERANDØRER
ATOS
CASAPPA
DANFOSS POWER SOLUTIONS
DUPLOMATIC MOTION SOLUTIONS
FASTER
GATES
GROENEVELD-BEKA
I.M.M. HYDRAULICS
IMPRO FLUIDTEK
LILLBACKA FINN-POWER
MHA ZENTGRAF
MP FILTRI
REGGIANA RIDUTTORI
STAUFF
SUN HYDRAULICS
TECFLUID
VOLZ
WALVOIL
OM OS
LEDELSEN
HISTORIE
BÆREDYGTIGHED & ESG
VÆRDIER
POLITIKKER
CERTIFICERINGER
INSIGHTS & MEDIA
NYHEDER
VIDEN & INDSIGT
KUNDECASES
EVENTS
VEJLEDNINGER
JOB & KARRIERE
KONTAKT OS
DANMARK
SVERIGE
FINLAND
RENEWABLES
DATTERSELSKABER
VORES BUTIKKER
KUNDESERVICE
KOMPONENTER
ADAPTERE & FITTINGS
KOBLINGER
LYNKOBLINGER
HYDRAULIKSLANGER
RØRSYSTEMER
PUMPER
VENTILER
ELEKTRONISKE KOMPONENTER
MOTORER & STYREENHEDER
SERVICES
WEBSHOP & EASY ORDERING
HYDRASPECMA BUTIKKER
DANFOSS BUILD CENTER
END-TO-END
SIMSYSTEMS
HYDRAULIKSLANGEPRODUKTION
FLUSH & JETCLEAN
TERMISK AFGRATNING
RØRPRODUKTION
DESIGN & TEKNIK
RENHED & KVALITET
LØSNINGER
PUMPESTATIONER
HIC & MANIFOLDBLOKKE
CENTRALSMØRING
SYSTEMLEVERANDØR
HYDRA DRIVE SYSTEM
LEVERANDØRER
ATOS
CASAPPA
DANFOSS POWER SOLUTIONS
DUPLOMATIC MOTION SOLUTIONS
FASTER
GATES
GROENEVELD-BEKA
I.M.M. HYDRAULICS
IMPRO FLUIDTEK
LILLBACKA FINN-POWER
MHA ZENTGRAF
MP FILTRI
REGGIANA RIDUTTORI
STAUFF
SUN HYDRAULICS
TECFLUID
VOLZ
WALVOIL
OM OS
LEDELSEN
HISTORIE
BÆREDYGTIGHED & ESG
VÆRDIER
POLITIKKER
CERTIFICERINGER
INSIGHTS & MEDIA
NYHEDER
VIDEN & INDSIGT
KUNDECASES
EVENTS
VEJLEDNINGER
JOB & KARRIERE
KONTAKT OS
DANMARK
SVERIGE
FINLAND
RENEWABLES
DATTERSELSKABER
VORES BUTIKKER
KUNDESERVICE
Du er her:
Produkter
Fittings og nipler
Udkravningsfittings
Udkravningsfittings - Indskruninger
Indskruninger - Lige
Indskruning - JIC x BSP m. WD
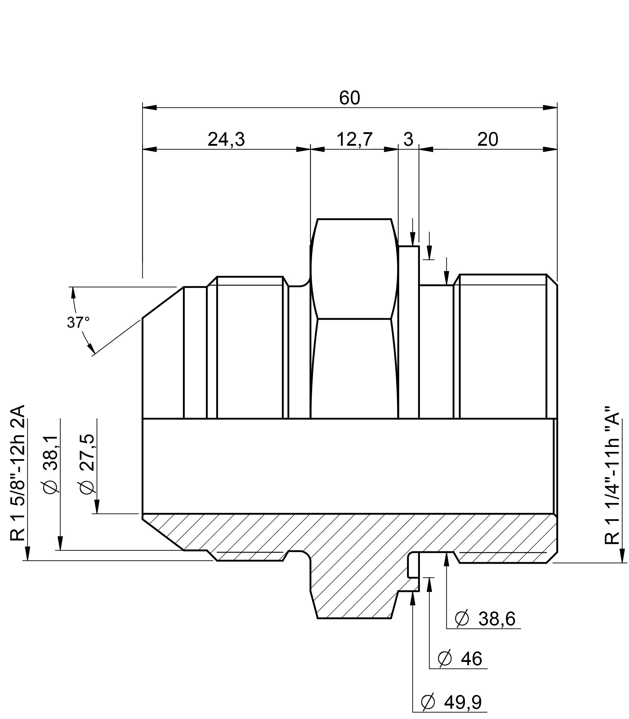
M-32-1.1/4WD - Indskruning 1.5/8-12 JIC udv x 1.1/4 BSP udv med WD pakning
Indskruning 1.5/8-12 JIC udv x 1.1/4 BSP udv med WD pakning
…
Læs mere
Varenummer:
M-32-1.1/4WD
Pakke str.:
0 pcs
Min. bestillingsenhed er:
1 pcs
SE ANDRE VARIANTER
19 varianter
Valgt variant:
M-32-1.1/4WD
M-32-1.1/4WD - Indskruning 1.5/8-12 JIC udv x 1.1/4 BSP udv med WD pakning
Tilbehør (2)
B-32 - Støttering ø32
Varenummer:
B-32
J-30/32 - Omløber 1.5/8-12 JIC Nøglevidde 50mm
Varenummer:
J-30/32
Specifikationer
Dimensioner og forsendelse
Diameter rør
32 mm
Dimension A
60 mm
Dimension B
24.3 mm
Dimension D
20 mm
Dimension F
G 1.1/4 BSP
Dimension J
1.5/8-12 JIC
Dimension T
32 mm
Gevind
G 1.1/4 BSP
Gevind udvendig
1.5/8-12 JIC
Gevind udvendig
G 1.1/4 BSP
Korrosions resistens
1400 hours salt spray DIN EN ISO 9227
Materiale
Stål
Mærke navn
Hydraspecma
Tryk maks.
240 bar
Vinkel
0 °
Pakke str.
0 pcs
Stregkode
5704295496672
Brutto vægt
0,38 Kg
Netto vægt
0,38 Kg
Oprindelsesland
Intrastat varekode
73071110
Produkt information
Målskitse
Indskruning 1.5/8-12 JIC udv x 1.1/4 BSP udv med WD pakning
Produkt datablad
Ofte købt sammen med
GS1610 - 1" kappe - kun Gates 4SH/4SP
GS1610 - 1" kappe - kun Gates 4SH/4SP
Varenummer:
GS1610
Pakke str.:
0 pcs
Min. bestillingsenhed er:
1 pcs
GS1210 - 3/4" kappe - kun Gates 4SH/4SP
GS1210 - 3/4" kappe - kun Gates 4SH/4SP
Varenummer:
GS1210
Pakke str.:
0 pcs
Min. bestillingsenhed er:
1 pcs
GS1010 - 5/8" kappe - kun Gates 4SH/4SP
GS1010 - 5/8" kappe - kun Gates 4SH/4SP
Varenummer:
GS1010
Pakke str.:
0 pcs
Min. bestillingsenhed er:
1 pcs
GS2010-6 - 1.1/4" kappe - kun Gates 4SH/4SP 6wire
GS2010-6 - 1.1/4" kappe - kun Gates 4SH/4SP 6wire
Varenummer:
GS2010-6
Pakke str.:
0 pcs
Min. bestillingsenhed er:
1 pcs
GS1612NJ - 1" Indstik - 1.1/16"-12 JIC oml.
GS1612NJ - 1" Indstik - 1.1/16"-12 JIC oml.
Varenummer:
GS1612NJ
Pakke str.:
0 pcs
Min. bestillingsenhed er:
1 pcs
GS0610 - 3/8" kappe - kun Gates 4SH/4SP
GS0610 - 3/8" kappe - kun Gates 4SH/4SP
Varenummer:
GS0610
Pakke str.:
0 pcs
Min. bestillingsenhed er:
1 pcs
GS1616NJ - 1" Indstik - 1.5/16"-12 JIC oml.
GS1616NJ - 1" Indstik - 1.5/16"-12 JIC oml.
Varenummer:
GS1616NJ
Pakke str.:
0 pcs
Min. bestillingsenhed er:
1 pcs
GS1620NJ - 1" Indstik - 1.5/8"-12 JIC oml.
GS1620NJ - 1" Indstik - 1.5/8"-12 JIC oml.
Varenummer:
GS1620NJ
Pakke str.:
0 pcs
Min. bestillingsenhed er:
1 pcs
GSP2440 - 1.1/2" kappe - kun Gates 4SP
GSP2440 - 1.1/2" kappe - kun Gates 4SP
Varenummer:
GSP2440
Pakke str.:
0 pcs
Min. bestillingsenhed er:
1 pcs
GS1212NJ - 3/4" Indstik - 1.1/16"-12 JIC oml.
GS1212NJ - 3/4" Indstik - 1.1/16"-12 JIC oml.
Varenummer:
GS1212NJ
Pakke str.:
0 pcs
Min. bestillingsenhed er:
1 pcs
GS0810 - 1/2" kappe - kun Gates 4SH/4SP
GS0810 - 1/2" kappe - kun Gates 4SH/4SP
Varenummer:
GS0810
Pakke str.:
0 pcs
Min. bestillingsenhed er:
1 pcs
GS1614NJ - 1" Indstik - 1.3/16"-12 JIC oml.
GS1614NJ - 1" Indstik - 1.3/16"-12 JIC oml.
Varenummer:
GS1614NJ
Pakke str.:
0 pcs
Min. bestillingsenhed er:
1 pcs
GS2010-4 - 1.1/4" kappe - kun Gates 4SH/4SP 4wire
GS2010-4 - 1.1/4" kappe - kun Gates 4SH/4SP 4wire
Varenummer:
GS2010-4
Pakke str.:
0 pcs
Min. bestillingsenhed er:
1 pcs
GS2020NJ - 1.1/4" Indstik - 1.5/8"-12 JIC oml.
GS2020NJ - 1.1/4" Indstik - 1.5/8"-12 JIC oml.
Varenummer:
GS2020NJ
Pakke str.:
0 pcs
Min. bestillingsenhed er:
1 pcs
GS2024NJ - 1.1/4" Indstik - 1.7/8"-12 JIC oml.
GS2024NJ - 1.1/4" Indstik - 1.7/8"-12 JIC oml.
Varenummer:
GS2024NJ
Pakke str.:
0 pcs
Min. bestillingsenhed er:
1 pcs
GS0808NJ - 1/2" Indstik - 3/4"-16 JIC oml.
GS0808NJ - 1/2" Indstik - 3/4"-16 JIC oml.
Varenummer:
GS0808NJ
Pakke str.:
0 pcs
Min. bestillingsenhed er:
1 pcs
GSP2424NJ - 1.1/2" Indstik - 1.7/8"-12 JIC oml.
GSP2424NJ - 1.1/2" Indstik - 1.7/8"-12 JIC oml.
Varenummer:
GSP2424NJ
Pakke str.:
0 pcs
Min. bestillingsenhed er:
1 pcs
GS0608NJ - 3/8" Indstik - 3/4"-16 JIC oml.
GS0608NJ - 3/8" Indstik - 3/4"-16 JIC oml.
Varenummer:
GS0608NJ
Pakke str.:
0 pcs
Min. bestillingsenhed er:
1 pcs
GSP2420 - 1.1/2" kappe - kun Gates 1SN/2SN
GSP2420 - 1.1/2" kappe - kun Gates 1SN/2SN
Varenummer:
GSP2420
Pakke str.:
0 pcs
Min. bestillingsenhed er:
1 pcs
GS0812NJ - 1/2" Indstik - 1.1/16"-12 JIC oml.
GS0812NJ - 1/2" Indstik - 1.1/16"-12 JIC oml.
Varenummer:
GS0812NJ
Pakke str.:
0 pcs
Min. bestillingsenhed er:
1 pcs
GSP3240 - 2" kappe - kun Gates 4SP
GSP3240 - 2" kappe - kun Gates 4SP
Varenummer:
GSP3240
Pakke str.:
0 pcs
Min. bestillingsenhed er:
1 pcs
GSP3232NJ - 2" Indstik - 2.1/2"-12 JIC oml.
GSP3232NJ - 2" Indstik - 2.1/2"-12 JIC oml.
Varenummer:
GSP3232NJ
Pakke str.:
0 pcs
Min. bestillingsenhed er:
1 pcs
GS1010NJ - 5/8" Indstik - 7/8"-14 JIC oml.
GS1010NJ - 5/8" Indstik - 7/8"-14 JIC oml.
Varenummer:
GS1010NJ
Pakke str.:
0 pcs
Min. bestillingsenhed er:
1 pcs
GS1214NJ - 3/4" Indstik - 1.3/16"-12 JIC oml.
GS1214NJ - 3/4" Indstik - 1.3/16"-12 JIC oml.
Varenummer:
GS1214NJ
Pakke str.:
0 pcs
Min. bestillingsenhed er:
1 pcs
GS2016NJ - 1.1/4" Indstik - 1.5/16"-12 JIC oml.
GS2016NJ - 1.1/4" Indstik - 1.5/16"-12 JIC oml.
Varenummer:
GS2016NJ
Pakke str.:
0 pcs
Min. bestillingsenhed er:
1 pcs
GS1210NJ - 3/4" Indstik - 7/8"-14 JIC oml.
GS1210NJ - 3/4" Indstik - 7/8"-14 JIC oml.
Varenummer:
GS1210NJ
Pakke str.:
0 pcs
Min. bestillingsenhed er:
1 pcs
GS0810NJ - 1/2" Indstik - 7/8"-14 JIC oml.
GS0810NJ - 1/2" Indstik - 7/8"-14 JIC oml.
Varenummer:
GS0810NJ
Pakke str.:
0 pcs
Min. bestillingsenhed er:
1 pcs
GS0606NJ - 3/8" Indstik - 9/16"-18 JIC oml.
GS0606NJ - 3/8" Indstik - 9/16"-18 JIC oml.
Varenummer:
GS0606NJ
Pakke str.:
0 pcs
Min. bestillingsenhed er:
1 pcs
GS1216NJ - 3/4" Indstik - 1.5/16"-12 JIC oml.
GS1216NJ - 3/4" Indstik - 1.5/16"-12 JIC oml.
Varenummer:
GS1216NJ
Pakke str.:
0 pcs
Min. bestillingsenhed er:
1 pcs
GS1012NJ - 5/8" Indstik - 1.1/16"-12 JIC oml.
GS1012NJ - 5/8" Indstik - 1.1/16"-12 JIC oml.
Varenummer:
GS1012NJ
Pakke str.:
0 pcs
Min. bestillingsenhed er:
1 pcs
Andre kigger på
M-32-1.1/4 - Indskruning 1.5/8-12 JIC udv x 1.1/4 BSP udv
M-32-1.1/4 - Indskruning 1.5/8-12 JIC udv x 1.1/4 BSP udv
Varenummer:
M-32-1.1/4
Pakke str.:
0 pcs
Min. bestillingsenhed er:
1 pcs
TOD-32-1.1/4 - L-forskruning stilbar 1.5/8-12 JIC udv x 1.1/4 BSP udv
TOD-32-1.1/4 - L-forskruning stilbar 1.5/8-12 JIC udv x 1.1/4 BSP udv
Varenummer:
TOD-32-1.1/4
Pakke str.:
0 pcs
Min. bestillingsenhed er:
1 pcs
Nippel JIC udvendig x BSP udvendig ED-pakning - M-WD / JGE-ED
Nippel JIC udvendig x BSP udvendig ED-pakning - M-WD / JGE-ED
Varenummer:
M-38-1.1/2WD
Pakke str.:
0 pcs
Min. bestillingsenhed er:
1 pcs
L-nippel JIC udvendig x JIC udvendig x BSP udvendig kontramøtrik - TOD / JLEE
L-nippel JIC udvendig x JIC udvendig x BSP udvendig kontramøtrik - TOD / JLEE
Varenummer:
TOD-20-3/4
Pakke str.:
0 pcs
Min. bestillingsenhed er:
1 pcs
T-nippel JIC udvendig x BSP udvendig kontramøtrik x JIC udvendig - TOL / JTEE
T-nippel JIC udvendig x BSP udvendig kontramøtrik x JIC udvendig - TOL / JTEE
Varenummer:
TOL-12-3/8
Pakke str.:
0 pcs
Min. bestillingsenhed er:
1 pcs
TOL-32-1.1/4 - T-forskruning stilbar 1.5/8-12 JIC udv x 1.1/4 BSP udv
TOL-32-1.1/4 - T-forskruning stilbar 1.5/8-12 JIC udv x 1.1/4 BSP udv
Varenummer:
TOL-32-1.1/4
Pakke str.:
0 pcs
Min. bestillingsenhed er:
1 pcs
Nippel BSP udvendig x JIC omløber - FG / JEVGE
Nippel BSP udvendig x JIC omløber - FG / JEVGE
Varenummer:
FG-06-1/4
Pakke str.:
0 pcs
Min. bestillingsenhed er:
1 pcs
FG-32-1.1/4 - Indskruning 1.5/8-12 JIC omløber x 1.1/4 BSP udv
FG-32-1.1/4 - Indskruning 1.5/8-12 JIC omløber x 1.1/4 BSP udv
Varenummer:
FG-32-1.1/4
Pakke str.:
0 pcs
Min. bestillingsenhed er:
1 pcs
Nippel JIC udvendig x BSP udvendig - M-BSP / JGE
Nippel JIC udvendig x BSP udvendig - M-BSP / JGE
Varenummer:
M-25-1
Pakke str.:
0 pcs
Min. bestillingsenhed er:
1 pcs
VO-32-1.1/4 - Vinkelindskruning 45 gr 1.5/8-12 JIC udv x 1.1/4 BSP udv
VO-32-1.1/4 - Vinkelindskruning 45 gr 1.5/8-12 JIC udv x 1.1/4 BSP udv
Varenummer:
VO-32-1.1/4
Pakke str.:
0 pcs
Min. bestillingsenhed er:
1 pcs
Vinkelnippel 90° JIC udvendig x BSP udvendig stilbar - CO / JWEE
Vinkelnippel 90° JIC udvendig x BSP udvendig stilbar - CO / JWEE
Varenummer:
CO-10-3/8
Pakke str.:
0 pcs
Min. bestillingsenhed er:
1 pcs
CO-32-1.1/4 - Vinkelindskruning 90 gr 1.5/8-12 JIC udv x 1.1/4 BSP udv
CO-32-1.1/4 - Vinkelindskruning 90 gr 1.5/8-12 JIC udv x 1.1/4 BSP udv
Varenummer:
CO-32-1.1/4
Pakke str.:
0 pcs
Min. bestillingsenhed er:
1 pcs
Vinkelnippel 45° JIC udvendig x BSP udvendig stilbar - VO / JVEE
Vinkelnippel 45° JIC udvendig x BSP udvendig stilbar - VO / JVEE
Varenummer:
VO-32-1.1/4
Pakke str.:
0 pcs
Min. bestillingsenhed er:
1 pcs
03BP2424 - NIPPEL 1.1/2 BSPX1.7/8 JIC
03BP2424 - NIPPEL 1.1/2 BSPX1.7/8 JIC
Varenummer:
03BP2424
Pakke str.:
0 pcs
Min. bestillingsenhed er:
1 pcs
M-38-1.1/2WD - Indskruning 1.7/8-12 JIC udv x 1.1/2 BSP udv med WD pakning
M-38-1.1/2WD - Indskruning 1.7/8-12 JIC udv x 1.1/2 BSP udv med WD pakning
Varenummer:
M-38-1.1/2WD
Pakke str.:
0 pcs
Min. bestillingsenhed er:
1 pcs
03BP0406 - Nippel 1/4 BSP x 9/16 JIC & (MI-10-1/4)
03BP0406 - Nippel 1/4 BSP x 9/16 JIC & (MI-10-1/4)
Varenummer:
03BP0406
Pakke str.:
0 pcs
Min. bestillingsenhed er:
1 pcs
CO-25-1 - Vinkelindskruning 90 gr 1.5/16-12 JIC udv x 1 BSP udv
CO-25-1 - Vinkelindskruning 90 gr 1.5/16-12 JIC udv x 1 BSP udv
Varenummer:
CO-25-1
Pakke str.:
0 pcs
Min. bestillingsenhed er:
1 pcs
M-20-1/2WD - Indskruning 1.1/16-12 JIC udv x 1/2 BSP udv med WD pakning
M-20-1/2WD - Indskruning 1.1/16-12 JIC udv x 1/2 BSP udv med WD pakning
Varenummer:
M-20-1/2WD
Pakke str.:
0 pcs
Min. bestillingsenhed er:
1 pcs
M-10-14 - Indskruning 9/16-18 JIC udv x M14x1.5 udv
M-10-14 - Indskruning 9/16-18 JIC udv x M14x1.5 udv
Varenummer:
M-10-14
Pakke str.:
0 pcs
Min. bestillingsenhed er:
1 pcs
03BP3232 - Nippel 2" BSP x 2.1/2 JIC
03BP3232 - Nippel 2" BSP x 2.1/2 JIC
Varenummer:
03BP3232
Pakke str.:
0 pcs
Min. bestillingsenhed er:
1 pcs
M-20-7/8 - Indskruning 1.1/16-12 JIC udv x 7/8-14 UNF udv
M-20-7/8 - Indskruning 1.1/16-12 JIC udv x 7/8-14 UNF udv
Varenummer:
M-20-7/8
Pakke str.:
0 pcs
Min. bestillingsenhed er:
1 pcs
M-10-9/16 - Indskruning 9/16-18 JIC udv x 9/16-18 UNF udv NW19
M-10-9/16 - Indskruning 9/16-18 JIC udv x 9/16-18 UNF udv NW19
Varenummer:
M-10-9/16
Pakke str.:
0 pcs
Min. bestillingsenhed er:
1 pcs
M-06-1/4 - Indskruning 7/16-20 JIC udv x 1/4 BSP udv
M-06-1/4 - Indskruning 7/16-20 JIC udv x 1/4 BSP udv
Varenummer:
M-06-1/4
Pakke str.:
0 pcs
Min. bestillingsenhed er:
1 pcs
CO-06-1/8 - Vinkelindskruning 90 gr 7/16-20 JIC udv x 1/8 BSP udv
CO-06-1/8 - Vinkelindskruning 90 gr 7/16-20 JIC udv x 1/8 BSP udv
Varenummer:
CO-06-1/8
Pakke str.:
0 pcs
Min. bestillingsenhed er:
1 pcs
M-06-10 - Indskruning 7/16-20 JIC udv x M10x1 udv
M-06-10 - Indskruning 7/16-20 JIC udv x M10x1 udv
Varenummer:
M-06-10
Pakke str.:
0 pcs
Min. bestillingsenhed er:
1 pcs
FG-20-3/4 - Indskruning 1.1/16-12 JIC omløber x 3/4 BSP udv
FG-20-3/4 - Indskruning 1.1/16-12 JIC omløber x 3/4 BSP udv
Varenummer:
FG-20-3/4
Pakke str.:
0 pcs
Min. bestillingsenhed er:
1 pcs
FG-20-1/2 - Indskruning 1.1/16-12 JIC omløber x 1/2 BSP udv
FG-20-1/2 - Indskruning 1.1/16-12 JIC omløber x 1/2 BSP udv
Varenummer:
FG-20-1/2
Pakke str.:
0 pcs
Min. bestillingsenhed er:
1 pcs
M-20-3/4WD - Indskruning 1.1/16-12 JIC udv x 3/4 BSP udv med WD pakning
M-20-3/4WD - Indskruning 1.1/16-12 JIC udv x 3/4 BSP udv med WD pakning
Varenummer:
M-20-3/4WD
Pakke str.:
0 pcs
Min. bestillingsenhed er:
1 pcs
CO-12-1/4 - Vinkelindskruning 90 gr 3/4-16 JIC udv x 1/4 BSP udv
CO-12-1/4 - Vinkelindskruning 90 gr 3/4-16 JIC udv x 1/4 BSP udv
Varenummer:
CO-12-1/4
Pakke str.:
0 pcs
Min. bestillingsenhed er:
1 pcs
CO-06-1/4 - Vinkelindskruning 90 gr 7/16-20 JIC udv x 1/4 BSP udv
CO-06-1/4 - Vinkelindskruning 90 gr 7/16-20 JIC udv x 1/4 BSP udv
Varenummer:
CO-06-1/4
Pakke str.:
0 pcs
Min. bestillingsenhed er:
1 pcs
Varen er allerede tilføjet, hvad ønsker du at gøre?
X
Varen er allerede tilføjet, hvad ønsker du at gøre?
X
Copyright © 2026 HydraSpecma