Webshop
webshop
x
Hovednummer
+45 9735 0599
Dansk
CHOOSE REGION:
I am from
Denmark
Sweden
Finland
CHOOSE LANGUAGE:
Danish
English
Swedish
English
Suomi
Fandt 0
Resultater
Produkter
Vis alle resultater (0)
Kategorier
Log ind
Bliv kunde
Menu
Akkumulatorer
Akkumulator - Blære
Akkumulator - Membran
Akkumulator - tilbehør og reservedele
Cylindre
Bremsecylinder
Cylinder - Dobbeltvirkende
Cylinder - Enkeltvirkende
Cylinder - Reservedele & løsdele
El-dele
Batterier
Betjeningspaneler
Controllers (Plus+1®)
Displays
El-styringer
Elektriske moduler
Gateways og dele
Joysticks og tilbehør
Magnetspoler
Pressostater
Radiostyringer
Sensorer
Stik og connectorer
Filter og filtrering
Filtreringsenhed
Påfyldnings- og udluftningsfiltre
Returfilter
Spin-on filter
Sugesi
Tilbehør til filtre
Trykfiltre
Fittings og nipler
JIS fittings
Nipler
Nipler, rustfri
ORFS fittings
Skæreringsfittings
Skæreringsfittings, rustfri
Svirvler (drejeled)
Udkravningsfittings
Udkravningsfittings, rustfri
Flanger
Påspændingsflanger
SAE flanger
Hydraulikrør
Hydraulikrør - Galvaniseret
Hydraulikrør - Rustfri AISI304
Hydraulikrør - Rustfri/Syrefast AISI316
Hydraulikrør - Sort (Fosfateret)
Hydraulikslange koblinger
Hydraulikslange Kapper
Hydraulikslange indstik - 2 delt
Hydraulikslange koblinger - One piece
Hydraulikslange skruekoblinger
Lavtryksdele
WEO Plug-in slangekoblinger og -nipler
Hydraulikslanger
Hydraulikslange - 1SC og 1SN
Hydraulikslange - 2SC og 2SN
Hydraulikslange - 3SK
Hydraulikslange - 4SH og 4SP
Hydraulikslange - Hardcover og MegaTuff
Hydraulikslange - Højtemperatur
Hydraulikslange - Twin slanger
Hydraulikslange tilbehør
Højtryksrenseslanger
Termoplastslanger
Industrislanger og koblinger
Elaflex gummikompensator
Industrislange tilbehør
Industrislanger
Koblinger og adaptere
Preskappe til levnedsmiddelslange
Spændebånd
Lynkoblinger
Lynkoblinger - Hydraulik
Lynkoblinger - Vand, Luft, Gas
Multikoblinger
Maskiner og værktøj
Butikssortiment
Formontage og udkravning værktøj
Gevind identifikations plader
Hydraulik slangepresser
Håndværktøj
Rørbukker og savekasse
Slange- og rørrensning
Slangeafskrælning
Slangeafskæring
Slangereoler og ophæng
Motorer og flowdelere
Elmotorer
Hydraulikmotor
Mængdedelere
Styreorbitroler, rat og ratstammer
Oliekølere
Oliekøler - Tilbehør
Oliekøler m. AC-motor
Oliekøler m. DC-motor
Oliekøler m. cirkulationspumpe
Pakninger
Andre pakninger
O-ringe
Pakningssortimenter
USIT-, kobber- og ED-pakninger
Powerpacks og Hydrauliktanke
Power pack - Komplette
Power pack - Reservedele og Tilbehør
Pumper
Hydraulik håndpumper
Hydraulik luftpumper
Hydraulik stempelpumpe
Hydraulik tandhjulspumper
Hydraulik vingepumper
Tandhjulspumper - Indvendig fortandet
Rørholdere
Bæreskinner - U-Bolte
Gummi clamps
Piggyback clamps
Rørholder - DIN3015-1 - Standard
Rørholder - DIN3015-2 - Svær
Rørholder - DIN3015-3 - Dobbelt
Rørholder - Letvægtstype
Rørholder - m. gummi bøsning
Rørholdere - Rust forebyggende
Test og måleudstyr
Flowmålere
Manometer
Manometersæt i kuffert
Testlynkoblinger
Testnipler
Testslanger
Testudstyr
Transmission
Bremse til orbitmotorer
Forsatslejer
Gear
Klokker
Klokoblinger
Koblinger, udrykker
SITEX koblinger
Splinebøsninger
Ventiler
Danfoss MVB ventilsystem
Inline service ventiler (kontra, flow og tryk)
Kuglehaner
NG/CETOP ventiler
Omskifterventiler inline
Patronventiler
Proportionalventiler og tilbehør
Retningsventiler
Ventilblokke
Walvoil SDE system
Restsalg
Slangekonfigurator
Hovedmenu
Min side
MARKEDSOMRÅDER
HYDRAULISKE SYSTEMER
SLANGE- & RØRLEDNINGSARTIKLER
ELEKTRIFICERING
VEDVARENDE ENERGI
FORRETNINGSOMRÅDER
EFTERMARKED
LANDBRUG
ERHVERVSKØRETØJER
ENTREPRENØRMASKINER
FORSVAR
ENERGI
SKOVBRUG
GENEREL INDUSTRI
SØFART
MATERIALEHÅNDTERING
OFFSHORE
PAPIR & PAPIRMASSE
STÅL- & MINEDRIFT
LASTBIL- & TRAILERTILPASNINGER
VINDENERGI
KOMPONENTER
ADAPTERE & FITTINGS
KOBLINGER
LYNKOBLINGER
HYDRAULIKSLANGER
RØRSYSTEMER
PUMPER
VENTILER
ELEKTRONISKE KOMPONENTER
MOTORER & STYREENHEDER
SERVICES
WEBSHOP & EASY ORDERING
HYDRASPECMA BUTIKKER
DANFOSS BUILD CENTER
END-TO-END
SIMSYSTEMS
HYDRAULIKSLANGEPRODUKTION
FLUSH & JETCLEAN
TERMISK AFGRATNING
RØRPRODUKTION
DESIGN & TEKNIK
RENHED & KVALITET
LØSNINGER
PUMPESTATIONER
HIC & MANIFOLDBLOKKE
CENTRALSMØRING
SYSTEMLEVERANDØR
HYDRA DRIVE SYSTEM
LEVERANDØRER
ATOS
CASAPPA
DANFOSS POWER SOLUTIONS
DUPLOMATIC MOTION SOLUTIONS
FASTER
GATES
GROENEVELD-BEKA
I.M.M. HYDRAULICS
IMPRO FLUIDTEK
LILLBACKA FINN-POWER
MHA ZENTGRAF
MP FILTRI
REGGIANA RIDUTTORI
STAUFF
SUN HYDRAULICS
TECFLUID
VOLZ
WALVOIL
OM OS
LEDELSEN
HISTORIE
BÆREDYGTIGHED & ESG
VÆRDIER
POLITIKKER
CERTIFICERINGER
INSIGHTS & MEDIA
NYHEDER
VIDEN & INDSIGT
KUNDECASES
EVENTS
VEJLEDNINGER
JOB & KARRIERE
KONTAKT OS
DANMARK
SVERIGE
FINLAND
RENEWABLES
DATTERSELSKABER
VORES BUTIKKER
KUNDESERVICE
KOMPONENTER
ADAPTERE & FITTINGS
KOBLINGER
LYNKOBLINGER
HYDRAULIKSLANGER
RØRSYSTEMER
PUMPER
VENTILER
ELEKTRONISKE KOMPONENTER
MOTORER & STYREENHEDER
SERVICES
WEBSHOP & EASY ORDERING
HYDRASPECMA BUTIKKER
DANFOSS BUILD CENTER
END-TO-END
SIMSYSTEMS
HYDRAULIKSLANGEPRODUKTION
FLUSH & JETCLEAN
TERMISK AFGRATNING
RØRPRODUKTION
DESIGN & TEKNIK
RENHED & KVALITET
LØSNINGER
PUMPESTATIONER
HIC & MANIFOLDBLOKKE
CENTRALSMØRING
SYSTEMLEVERANDØR
HYDRA DRIVE SYSTEM
LEVERANDØRER
ATOS
CASAPPA
DANFOSS POWER SOLUTIONS
DUPLOMATIC MOTION SOLUTIONS
FASTER
GATES
GROENEVELD-BEKA
I.M.M. HYDRAULICS
IMPRO FLUIDTEK
LILLBACKA FINN-POWER
MHA ZENTGRAF
MP FILTRI
REGGIANA RIDUTTORI
STAUFF
SUN HYDRAULICS
TECFLUID
VOLZ
WALVOIL
OM OS
LEDELSEN
HISTORIE
BÆREDYGTIGHED & ESG
VÆRDIER
POLITIKKER
CERTIFICERINGER
INSIGHTS & MEDIA
NYHEDER
VIDEN & INDSIGT
KUNDECASES
EVENTS
VEJLEDNINGER
JOB & KARRIERE
KONTAKT OS
DANMARK
SVERIGE
FINLAND
RENEWABLES
DATTERSELSKABER
VORES BUTIKKER
KUNDESERVICE
Du er her:
Produkter
Ventiler
NG/CETOP ventiler
NG10 / Cetop05
NG10 - Sandwich / Modul ventiler
NG10 - Modul pilotstyret kontraventil
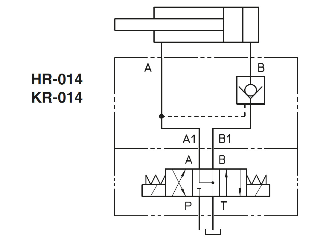
KR014 - Cetop5 pilotst. kontraventil B port
Cetop5 pilotst. kontraventil B port
…
Læs mere
Varenummer:
KR014
Pakke str.:
0 pcs
Min. bestillingsenhed er:
1 pcs
Tilbehør (1)
Reservedele (1)
DKE1713-X - Atos magnetventil Cetop5 DKE-1713-X00-DC uden magnet spole
Varenummer:
DKE1713-X
12.42X1.78S - O-ring 90S
Varenummer:
12.42X1.78S
Specifikationer
Dimensioner og forsendelse
Flow Nominel
120 lpm
Forureningsgrad maks.
20/18/15 - ISO 4406
Model kode
KR-014
Mærke navn
Atos
NG ISO-størrelse
NG10
Olieviskositet anbefalet
15 - 100 cSt
Pilotforhold
3,3:1
Standard ISO
ISO 4401
Temperatur maks.
+80 °C
Temperatur min.
-20 °C
Tryk maks.
315 bar
Tryk åbning
0.5 bar
Type
Pilotstyret
Pakke str.
0 pcs
Stregkode
5704295851891
Brutto vægt
2,50 Kg
Netto vægt
2,50 Kg
Oprindelsesland
ITA
Intrastat varekode
84812010
Produkt information
Cetop5 pilotst. kontraventil B port
Links
Produkt datablad
Produkt datablad
Andre kigger på
KR012 - Cetop5 pilotst. kontraventil A + B
KR012 - Cetop5 pilotst. kontraventil A + B
Varenummer:
KR012
Pakke str.:
0 pcs
Min. bestillingsenhed er:
1 pcs
NG10-220 - Trykskifteventil NG10 20-40lpm Indb. trykbegr.ventil 220 bar
NG10-220 - Trykskifteventil NG10 20-40lpm Indb. trykbegr.ventil 220 bar
Varenummer:
NG10-220
Pakke str.:
0 pcs
Min. bestillingsenhed er:
1 pcs
DKE1714-X - Atos magnetventil Cetop5 DKE-1714-X00-DC uden magnet spole
DKE1714-X - Atos magnetventil Cetop5 DKE-1714-X00-DC uden magnet spole
Varenummer:
DKE1714-X
Pakke str.:
0 pcs
Min. bestillingsenhed er:
1 pcs
DKE1713-X - Atos magnetventil Cetop5 DKE-1713-X00-DC uden magnet spole
DKE1713-X - Atos magnetventil Cetop5 DKE-1713-X00-DC uden magnet spole
Varenummer:
DKE1713-X
Pakke str.:
0 pcs
Min. bestillingsenhed er:
1 pcs
DKE1631/2L-H - DKE-1631/2L-X24-DC Atos magnetventil Cetop5
DKE1631/2L-H - DKE-1631/2L-X24-DC Atos magnetventil Cetop5
Varenummer:
DKE1631/2L-H
Pakke str.:
0 pcs
Min. bestillingsenhed er:
1 pcs
NG10-220-REP - Pakningssæt for trykskiftev. Lalmek NG10-220
NG10-220-REP - Pakningssæt for trykskiftev. Lalmek NG10-220
Varenummer:
NG10-220-REP
Pakke str.:
0 pcs
Min. bestillingsenhed er:
1 pcs
DKE1631/2-X - Atos magnetventil Cetop5 DKE-1631/2-X00-DC, u.m.spole
DKE1631/2-X - Atos magnetventil Cetop5 DKE-1631/2-X00-DC, u.m.spole
Varenummer:
DKE1631/2-X
Pakke str.:
0 pcs
Min. bestillingsenhed er:
1 pcs
DKE1631/2-H - DKE-1631/2-X24-DC Atos magnetventil Cetop5
DKE1631/2-H - DKE-1631/2-X24-DC Atos magnetventil Cetop5
Varenummer:
DKE1631/2-H
Pakke str.:
0 pcs
Min. bestillingsenhed er:
1 pcs
DKE1710/L-X - Atos magnetventil Cetop5 DKE-1710/L-X00-DC uden magnet spole
DKE1710/L-X - Atos magnetventil Cetop5 DKE-1710/L-X00-DC uden magnet spole
Varenummer:
DKE1710/L-X
Pakke str.:
0 pcs
Min. bestillingsenhed er:
1 pcs
KQ012 - Cetop5 drøvlekontraventil A+B drøvler fra forbruger
KQ012 - Cetop5 drøvlekontraventil A+B drøvler fra forbruger
Varenummer:
KQ012
Pakke str.:
0 pcs
Min. bestillingsenhed er:
1 pcs
DKE1611-H - DKE-1611-X24-DC Atos magnetventil Cetop5
DKE1611-H - DKE-1611-X24-DC Atos magnetventil Cetop5
Varenummer:
DKE1611-H
Pakke str.:
0 pcs
Min. bestillingsenhed er:
1 pcs
DKE1711-H - DKE-1711-X24-DC Atos magnetventil Cetop5
DKE1711-H - DKE-1711-X24-DC Atos magnetventil Cetop5
Varenummer:
DKE1711-H
Pakke str.:
1 pcs
Min. bestillingsenhed er:
1 pcs
DKZORA171S3 - DKZOR-A-171-S3 Prop.retn.ventil Cetop5
DKZORA171S3 - DKZOR-A-171-S3 Prop.retn.ventil Cetop5
Varenummer:
DKZORA171S3
Pakke str.:
0 pcs
Min. bestillingsenhed er:
1 pcs
DKE1714/L-X - Atos magnetventil Cetop5 DKE-1714/L-X00-DC uden magnet spole
DKE1714/L-X - Atos magnetventil Cetop5 DKE-1714/L-X00-DC uden magnet spole
Varenummer:
DKE1714/L-X
Pakke str.:
0 pcs
Min. bestillingsenhed er:
1 pcs
DKE1614/A-X - Atos magnetventil Cetop5 DKE-1614/A-X00-DC u.m.spole
DKE1614/A-X - Atos magnetventil Cetop5 DKE-1614/A-X00-DC u.m.spole
Varenummer:
DKE1614/A-X
Pakke str.:
0 pcs
Min. bestillingsenhed er:
1 pcs
DKE1710-X - Atos magnetventil Cetop5 DKE-1710-X00-DC uden magnet spole
DKE1710-X - Atos magnetventil Cetop5 DKE-1710-X00-DC uden magnet spole
Varenummer:
DKE1710-X
Pakke str.:
0 pcs
Min. bestillingsenhed er:
1 pcs
DKE1714/L-H - DKE-1714/L-X24-DC Atos magnetventil Cetop5
DKE1714/L-H - DKE-1714/L-X24-DC Atos magnetventil Cetop5
Varenummer:
DKE1714/L-H
Pakke str.:
0 pcs
Min. bestillingsenhed er:
1 pcs
DKE1711-X - Atos magnetventil Cetop5 DKE-1711-X00-DC uden magnet spole
DKE1711-X - Atos magnetventil Cetop5 DKE-1711-X00-DC uden magnet spole
Varenummer:
DKE1711-X
Pakke str.:
0 pcs
Min. bestillingsenhed er:
1 pcs
DKE1610-X - Atos magnetventil Cetop5 DKE-1610-X00-DC u.magnetspole
DKE1610-X - Atos magnetventil Cetop5 DKE-1610-X00-DC u.magnetspole
Varenummer:
DKE1610-X
Pakke str.:
0 pcs
Min. bestillingsenhed er:
1 pcs
DKE1710/L-H - DKE-1710/L-X24-DC Atos magnetventil Cetop5
DKE1710/L-H - DKE-1710/L-X24-DC Atos magnetventil Cetop5
Varenummer:
DKE1710/L-H
Pakke str.:
0 pcs
Min. bestillingsenhed er:
1 pcs
DKE1713/L-X - Atos magnetventil Cetop5 DKE-1713/L-X00-DC uden magnet spole
DKE1713/L-X - Atos magnetventil Cetop5 DKE-1713/L-X00-DC uden magnet spole
Varenummer:
DKE1713/L-X
Pakke str.:
0 pcs
Min. bestillingsenhed er:
1 pcs
DKE1714-H - DKE-1714-X24-DC Atos magnetventil Cetop5
DKE1714-H - DKE-1714-X24-DC Atos magnetventil Cetop5
Varenummer:
DKE1714-H
Pakke str.:
0 pcs
Min. bestillingsenhed er:
1 pcs
KQ022 - Cetop5 drøvlekontraventil A+B drøvler til forbruger
KQ022 - Cetop5 drøvlekontraventil A+B drøvler til forbruger
Varenummer:
KQ022
Pakke str.:
0 pcs
Min. bestillingsenhed er:
1 pcs
PAK-DKU - Pakningssæt DKU Cetop5 ventil
PAK-DKU - Pakningssæt DKU Cetop5 ventil
Varenummer:
PAK-DKU
Pakke str.:
0 pcs
Min. bestillingsenhed er:
1 pcs
NG10-22005 - Trykskifteventil NG10 5-10 lpm Indb. trykbegr.ventil 220 bar
NG10-22005 - Trykskifteventil NG10 5-10 lpm Indb. trykbegr.ventil 220 bar
Varenummer:
NG10-22005
Pakke str.:
0 pcs
Min. bestillingsenhed er:
1 pcs
DKE1713-C - DKE-1713-X220-AC Atos magnetventil Cetop5
DKE1713-C - DKE-1713-X220-AC Atos magnetventil Cetop5
Varenummer:
DKE1713-C
Pakke str.:
0 pcs
Min. bestillingsenhed er:
1 pcs
DKE1611-X - Atos magnetventil Cetop5 DKE-1611-X00-DC u.magnetspole
DKE1611-X - Atos magnetventil Cetop5 DKE-1611-X00-DC u.magnetspole
Varenummer:
DKE1611-X
Pakke str.:
0 pcs
Min. bestillingsenhed er:
1 pcs
DKE1713/L-H - DKE-1713/L-X24-DC Atos magnetventil Cetop5
DKE1713/L-H - DKE-1713/L-X24-DC Atos magnetventil Cetop5
Varenummer:
DKE1713/L-H
Pakke str.:
0 pcs
Min. bestillingsenhed er:
1 pcs
KR012/D - Cetop5 pilotst. kontraventil A + B med dekompression
KR012/D - Cetop5 pilotst. kontraventil A + B med dekompression
Varenummer:
KR012/D
Pakke str.:
0 pcs
Min. bestillingsenhed er:
1 pcs
KM011/350 - Cetop5 trykbegr. ventil P-T 5-350 bar
KM011/350 - Cetop5 trykbegr. ventil P-T 5-350 bar
Varenummer:
KM011/350
Pakke str.:
0 pcs
Min. bestillingsenhed er:
1 pcs
Varen er allerede tilføjet, hvad ønsker du at gøre?
X
Varen er allerede tilføjet, hvad ønsker du at gøre?
X
Copyright © 2026 HydraSpecma