Double overcentervalve 3/4 VODL/N1516/34/G5.p4.PR/ac

It is preferable to place the valve as close to the actuator as possible, preferably directly on the actuator with fixed connections. This provides maximum protection in case of hose breaks and the like

Artikelnummer:
1556542100

Förpackningsstorlek:
0 pcs

Minsta beställningskvantitet:
1 pcs
Brand Name
Walvoil

Contamination level max.
18/16/13 - ISO 4406

Flow rate nominal LMin
160 lpm

Material
Steel

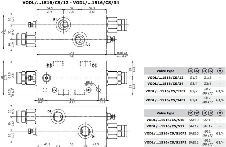
Model code
VODL/N1516/CS/34/G5.p4.PR/ac

Oil viscocity recommended
10 - 200 cSt

Pilot ratio
1:4

Pressure max.
350 bar

Pressure setting max.
350 bar

Pressure setting min.
50 bar

Sealing material
NBR

Temperature max.
+80 °C

Temperature min.
-20 °C

Thread
G 3/4 BSP
Förpackningsstorlek
0 pcs

Streckkod
5704334247159

Bruttovikt
5,26 Kg

Nettovikt
5,26 Kg

Ursprungsland
ITA

Intrastat artikelkod
84812010

It is preferable to place the valve as close to the actuator as possible, preferably directly on the actuator with fixed connections. This provides maximum protection in case of hose breaks and the like

HydraSpecma | Nordens bredeste hydraulik sortiment online - dag til dag levering!
HydraSpecma | Hydrauliske Systemer – Slange- og Rørledningsartikler til væsketransport – Elektrificering – Vedvarende Energi

HYDRASPECMA
– DIN PARTNER FRA IDÉ
TIL SERIEPRODUKTION

Hos HydraSpecma er vi specialiserede i at designe og konstruere state-of-the-art hydrauliske og elektriske systemer, der er skræddersyet til at imødekomme vores kunders dynamiske behov.

Vores ekspertise stopper ikke bare der; vi er også førende inden for levering af omfattende løsninger til væsketransport. Fra slanger og rør af høj kvalitet til robuste fittings og adaptere har vi alt, hvad du behøver for at sikre problemfri væskekontrol.

HydraSpecmas ekspertområde omfatter også en stærk produktportefølje til industrien for vedvarende energi, hvor vi kan støtte din virksomhed med markedsførende køleløsninger, smøre- og filtreringssystemer, hydrauliske systemer og slanger, rør og fittings.

Vores passion for innovation matches af vores ansvar for kvalitet. Hvert produkt og system i vores omfattende sortiment er et vidnesbyrd om vores dedikation til kvalitet. Uanset om du har at gøre med komplekse hydrauliske systemer eller leder efter pålidelige komponenter, der kan vi levere den løsning, du søger.

Tag næste skridt med os, og oplev hvor teknik møder præcision, og hvor hver eneste forbindelse, vi skaber, ikke kun handler om komponenter og systemer, men også om mennesker og deres forretninger.

FOR HOS HYDRASPECMA

ER DIN SUCCES VORES SUCCES