Webbshop
artiklar
x
Huvudnummer
0910-73 32 00
Svenska
CHOOSE REGION:
I am from
Denmark
Sweden
Finland
CHOOSE LANGUAGE:
Danish
English
Swedish
English
Suomi
Hittade 0
Resultat
Produkter
Visa alla resultat (0)
Kategorier
Logga in
Registrera dig
Meny
Ackumulatorer
Blåsackumulator
Kolvackumulator
Membranackumulator
Tillbehör och reservdelar ackumulator
Adapter, Rörkopplingar och Svivlar
Adapter JIC
Adapter JIS
Adapter ORFS
Adapter, BSP, MM, NPT, UNF
Adapter/Skärringskoppling DIN
Instrumentkopplingar S-Lok
Pyplok rörkopplingar
Svivlar
Syrafast Adapter BSP, MM, NPT, UNF
Syrafast Adapter JIC
Syrafast Skärringskoppling DIN
Centralsmörjning och Fetthantering
Fetthanteringsutrustning och smörjfett
Fettpåfyllningspumpar och tillbehör
Ledningskomponenter för centralsmörjning
Slangkopplingar
Smörjnipplar och tillbehör
Smörjpaneler
Smörjpumpar - Olja / Smörjfett
Smörjpumpar - Tillbehör och reservdelar
Utloppsventiler, backventiler och pluggar
Ventiler - Olja / Fett
Cylindrar och vriddon
Dubbelverkande cylindrar
Reservdelar för cylindrar
Elektronik
Controllers (Plus+1®)
Displays och kontroller
Joysticks och tillbehör
Kontakter
Magnetspolar
Radiostyrningar
Sensors
Styrkort
Tryckvakter
Filter
Andningsfilter
Filtreringsenheter och off-line filter. Dieselfilter. AdBlue.
Ledningsfilter, mässing/syrafast, H400
Returfilter
Spin-On Filter
Sugsilar
Tillbehör till filter
Tryckfilter
Flänsar
Pumpanslutningar
SAE Flänsar
Tube-Mac rörsystem
Hydraulrör
Sömlösa hydraulrör, Förzinkade, E235+N
Bromsrör/Kopparrör
Sömlösa Hydraulrör, Rostfria 1.4301
Sömlösa Hydraulrör, Rostfria/Syrafasta 1.4571
Sömlösa hydraulrör fosfaterade (svart)
Hydraulslangar och tillbehör
1-ståls hydraulslang 1SN och 1SC
2-stål hydraulslang 2SN och 2SC
3-ståls hydraulslang kompakt 3SC
4-6-ståls hydraulslang EFG, 4SP, 4SH, R12, R13, R15
Hydraulslang Högtemperatur
Hydraulslang Lågtemperatur
Hydraulslang Pilot
Hydraulslang Tvilling
MegaTuff och Hardcover hydraulslang
Slangtillbehör, Slangskydd, Plastplugg, Säkerhetsutrustning
Termoplastslang
Tvättslang
Industrislangar och kopplingar
Gummikompensatorer DIN/SAE
Hylsor, klämbackar och klämringar för Industrislang
Industri kopplingar och adaptrar
Industri och automotiveslang
Slangklammer och tillbehör
Slangtillbehör
Maskiner och verktyg
Förmonterings- och kragverktyg, Manuella
Handskar, Personlig skyddsutrustning och Sanering
Handverktyg och Monteringshjälp
Kapmaskiner och slangsaxar
Märkningsutrustning
Rörmanipulering
Skalmaskin
Slang och rörrengöring
Slangpressar
Slangställ, slangupphängare
Thread identification boards
Motorer och flödesdelare
Elmotorer
Flödesdelare
Hydraulmotorer
Styrorbitroler, rattar och rattstammar
Olja- AdBlue, Petroleumhantering och Slangvindor
AdBlue och kemutrustning
Diesel och Bensinutrustning
Luftfyllare och tillbehör
Membranpumpar
Oljeutrustning
Slang- och kabelupprullare
Spillolja- och fathantering
Oljekylare
Luftoljekylare med AC-motor
Luftoljekylare med DC-motor
Luftoljekylare med cirkulationspump
Tillbehör till oljekylare
Vattenoljekylare
Packningar och Monteringskemikalier
O-ringar och SAE flänstätningar
Packningar av USIT, koppar och ED
Packningssortiment
Sortimentslådor
Tätningar och monteringskemikalier
Pneumatik, herionventiler, lågtryckskopplingar och slang
Cylindrar och bälgar
Kopplingar, rör och tillbehör
Luftbehandling
Tryckvakter/Tryckgivare
Vakuum
Ventiler
Powerpacks och reservdelar
OMFB powerpacks och komponenter
Powerpack - Tillbehör oach reservdelar
Pumpar
Handpumpar
Kolvpumpar
Kugghjulspumpar
Vingpumpar
Rörklammer
ACT rôrklammer
Bultar, mutter, monteringsskena
Gummiklammer
Konsolklammer Lätta serien LPGU
Konsolklammer Tunga Serien SPGU
Lättviktstyp LB/LN/LBBU/LNGF/LNUF
Rörgenomföring SRF
Rörklammer DIN 3567, 1592, 1593, 1596, 1597, BSS, BSN, 72571, 72573
Rörklammer gummiklädda NPC
Rörklammer typ STF
Rörklammer typ avgas, PC
Sadelklammer ZR
Standard serie dubbla (DIN 3015-3)
Standard serie enkla (DIN 3015-1)
Tung serie (DIN 3015-2)
Tung serie med gummibussning
U-Klammer, rund och platt stång
Slangkopplingar
One piece
Plug-In, WEO mfl.
Presshylsor
Presskopplingar
Skruvkopplingar
Slangkopplingar Lågtryck
Snabbkopplingar
Multikopplingar för hydraulik
Snabbkopplingar för tryckluft, gas, vätskor och andra medier
Snabbkopplingar hydraulik
Test- och mätutrustning
Flödesmätare
Manometerset i låda
Manometrar och tillbehör
Mätadapter
Mätkopplingar
Snabbkopplingar till testutrustning
Testenheter, flödesmätare, tryckgivare och sensorer
Testslangar samt kopplingar för 2mm och 4mm slang.
Transmission
Axelkopplingar
Broms till orbitmotorer - Reggiana
Mellanstycke
Splineshylsor
Stödlager
Växlar
Ventiler
Danfoss MVB ventilsystem
Inline service ventiler (back, flow och tryck)
Kulventiler och andra lågtrycksventiler
NG/CETOP ventiler och ventilblock
Patronventiler
Processventiler
Proportionalventiler och tillbehör
Riktningsventiler
Ventilblock
Väljarventiler inline
Walvoil SDE system
Huvudmeny
Mitt konto
MARKNADSOMRÅDEN
HYDRAULSYSTEM
LEDNINGSKOMPONENTER
ELEKTRIFIERING
FÖRNYBAR ENERGI
AFFÄRSOMRÅDEN
EFTERMARKNAD
JORDBRUK
NYTTOFORDON
ANLÄGGNINGSMASKINER
FÖRSVAR
ENERGI
SKOGSBRUK
INDUSTRI
MARIN
MATERIALHANTERING
OFFSHORE
MASSA & PAPPER
STÅL & GRUVDRIFT
LASTBIL & SLÄPVAGNSANPASSNINGAR
VINDKRAFT
PARTNERWEB
KOMPONENTER
ADAPTRAR & KOPPLINGAR
KOPPLINGAR
SNABBKOPPLINGAR
HYDRAULSLANGAR
RÖRLÖSNINGAR
PUMPAR
VENTILER
ELEKTRONISKA KOMPONENTER
MOTORER & STYRENHETER
TJÄNSTER
WEBBSHOP & EASY ORDERING
HYDRASPECMA BUTIKER
DANFOSS BUILD CENTER
END-TO-END
SIMSYSTEMS
MONTERING AV HYDRAULSLANG
SPOLNING & JETCLEAN
TERMISK AVGRADNING
KONSTRUKTION AV RÖRSYSTEM
KONSTRUKTION & TEKNIK
RENLIGHET & KVALITET
MRO SERVICE
LÖSNINGAR
HPU & KRAFTAGGREGAT
HIC & VENTILBLOCK
CENTRALSMÖRJNING
SYSTEMLEVERANTÖR
HYDRA DRIVE SYSTEM
LEVERANTÖRER
ATOS
CASAPPA
DANFOSS POWER SOLUTIONS
DUPLOMATIC MOTION SOLUTIONS
FASTER
GATES
GROENEVELD-BEKA
I.M.M. HYDRAULICS
IMPRO FLUIDTEK
LILLBACKA FINN-POWER
MHA ZENTGRAF
MP FILTRI
REGGIANA RIDUTTORI
STAUFF
SUN HYDRAULICS
TECFLUID
VOLZ
WALVOIL
WHITE
OM OSS
LEDNINGEN
HISTORIA
HÅLLBARHET & ESG
KÄRNVÄRDEN
POLICYS
CERTIFIERINGAR
INSIGHTS & MEDIA
NYHETER
INSIGHTS
KUNDSTORIES
EVENTS
KARRIÄR
KONTAKTA OSS
DANMARK
SVERIGE
FINLAND
NORGE
RENEWABLES
DOTTERBOLAG
VÅRA BUTIKER
KUNDSERVICE
PARTNERWEB
KOMPONENTER
ADAPTRAR & KOPPLINGAR
KOPPLINGAR
SNABBKOPPLINGAR
HYDRAULSLANGAR
RÖRLÖSNINGAR
PUMPAR
VENTILER
ELEKTRONISKA KOMPONENTER
MOTORER & STYRENHETER
TJÄNSTER
WEBBSHOP & EASY ORDERING
HYDRASPECMA BUTIKER
DANFOSS BUILD CENTER
END-TO-END
SIMSYSTEMS
MONTERING AV HYDRAULSLANG
SPOLNING & JETCLEAN
TERMISK AVGRADNING
KONSTRUKTION AV RÖRSYSTEM
KONSTRUKTION & TEKNIK
RENLIGHET & KVALITET
MRO SERVICE
LÖSNINGAR
HPU & KRAFTAGGREGAT
HIC & VENTILBLOCK
CENTRALSMÖRJNING
SYSTEMLEVERANTÖR
HYDRA DRIVE SYSTEM
LEVERANTÖRER
ATOS
CASAPPA
DANFOSS POWER SOLUTIONS
DUPLOMATIC MOTION SOLUTIONS
FASTER
GATES
GROENEVELD-BEKA
I.M.M. HYDRAULICS
IMPRO FLUIDTEK
LILLBACKA FINN-POWER
MHA ZENTGRAF
MP FILTRI
REGGIANA RIDUTTORI
STAUFF
SUN HYDRAULICS
TECFLUID
VOLZ
WALVOIL
WHITE
OM OSS
LEDNINGEN
HISTORIA
HÅLLBARHET & ESG
KÄRNVÄRDEN
POLICYS
CERTIFIERINGAR
INSIGHTS & MEDIA
NYHETER
INSIGHTS
KUNDSTORIES
EVENTS
KARRIÄR
KONTAKTA OSS
DANMARK
SVERIGE
FINLAND
NORGE
RENEWABLES
DOTTERBOLAG
VÅRA BUTIKER
KUNDSERVICE
Här är du:
Produkter
Hose couplings
One piece couplings
Megacrimp hose coupling - 1SN, 2SN, 1SC, 2SC
SAE / UNF thread
Elbows 90° UNF
SAE male, swivel, 90° elbow
Coupling 1/2, 7/8-14 SAE swive 8G-10MBX90 Gates MegaCrimp
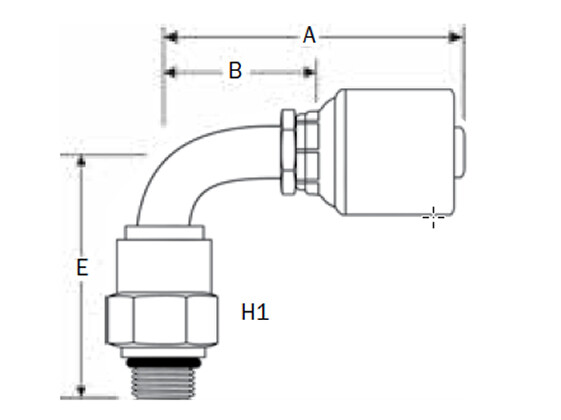
Connection: SAE male O ring boss swivel.
Sealing: O-ring against metal.
…
Läs mer
Artikelnummer:
08G10MBX90
Förpackningsstorlek:
1 st
Minsta beställningskvantitet:
1 st
Specifikationer
Dimensioner och frakt
A
80,3 mm
Angle
90 °
B
42,9 mm
Brand Name
Gates
Corrosion resistance
500 hours salt spray ASTM B-117
E
71,6 mm
H
27 mm
Hose coupling type
With fixed ferrule
Hose size
1/2 "
Model code
8G-10MBX90
REACH compliant
Yes
RoHs compliant
Yes
Surface treatment
TuffCoat™
Thread
7/8-14 SAE
Torque tightening
60 - 70 Nm
Förpackningsstorlek
1 st
Streckkod
328696
Bruttovikt
0,29 Kg
Nettovikt
0,29 Kg
Ursprungsland
TUR
Intrastat artikelkod
73269098
Produktinformation
Måttskiss
Connection: SAE male O ring boss swivel.
Sealing: O-ring against metal.
Product datasheet
Andra tittar på
Coupling 1/4 11/16-16 ORFS female 4G-6FFORX90M Gates MegaCri
Coupling 1/4 11/16-16 ORFS female 4G-6FFORX90M Gates MegaCri
Artikelnummer:
04G06FFORX90M
Förpackningsstorlek:
10 st
Coupling 3/8 11/16 ORFS female 6G-6FFORX45 Gates MegaCrimp
Coupling 3/8 11/16 ORFS female 6G-6FFORX45 Gates MegaCrimp
Artikelnummer:
06G06FFORX45
Förpackningsstorlek:
10 st
Coupling 1/4 11/16-16 ORFS female 4G-6FFORX45M Gates MegaCri
Coupling 1/4 11/16-16 ORFS female 4G-6FFORX45M Gates MegaCri
Artikelnummer:
04G06FFORX45
Förpackningsstorlek:
10 st
Coupling 1/2, 11/16 ORFS fem. 8G-6FFORX Gates MegaCrimp
Coupling 1/2, 11/16 ORFS fem. 8G-6FFORX Gates MegaCrimp
Artikelnummer:
08G06FFORX
Förpackningsstorlek:
1 st
Presskoppling Rak, Ø3/4'', Utv-G3/4''
Presskoppling Rak, Ø3/4'', Utv-G3/4''
Artikelnummer:
12G12MBSPP
Förpackningsstorlek:
10 st
Coupling 1/4, 1/4 BSP male 4G-4MBSPP Gates MegaCrimp
Coupling 1/4, 1/4 BSP male 4G-4MBSPP Gates MegaCrimp
Artikelnummer:
04G04MBSPP
Förpackningsstorlek:
10 st
Press fitting MFA Inv. 3/4"-16 UNF 24°cone. Hose 3/8
Press fitting MFA Inv. 3/4"-16 UNF 24°cone. Hose 3/8
Artikelnummer:
06G08MFA
Förpackningsstorlek:
1 st
Presskoppling 90°, Ø3/4'', Inv-JIC-1.5/16'', Kort
Presskoppling 90°, Ø3/4'', Inv-JIC-1.5/16'', Kort
Artikelnummer:
12G16FJX90S
Förpackningsstorlek:
1 st
Coupling 1/4, 7/16 JIC fem. 90 4G-4FJX90M Gates MegaCrimp
Coupling 1/4, 7/16 JIC fem. 90 4G-4FJX90M Gates MegaCrimp
Artikelnummer:
04G04FJX90M
Förpackningsstorlek:
10 st
Coupling 1.1/4,1.5/8-12 JIC fe 20G-20FJX90M Gates MegaCrimp
Coupling 1.1/4,1.5/8-12 JIC fe 20G-20FJX90M Gates MegaCrimp
Artikelnummer:
20G20FJX90M
Förpackningsstorlek:
1 st
Coupling 1/2, 3/4-16 JIC fem. 8G-8FJX90M Gates MegaCrimp
Coupling 1/2, 3/4-16 JIC fem. 8G-8FJX90M Gates MegaCrimp
Artikelnummer:
08G08FJX90M
Förpackningsstorlek:
10 st
Presskoppling 90°, Ø3/4'', Inv-ORFS-1.1/16'', Kort
Presskoppling 90°, Ø3/4'', Inv-ORFS-1.1/16'', Kort
Artikelnummer:
12G12FJX90S
Förpackningsstorlek:
1 st
Coupling 3/8, 9/16-18 JIC fem. 6G-6FJX90M Gates MegaCrimp
Coupling 3/8, 9/16-18 JIC fem. 6G-6FJX90M Gates MegaCrimp
Artikelnummer:
06G06FJX90M
Förpackningsstorlek:
10 st
Presskoppling 90°, Ø3/4'', Inv-JIC-1.3/16'', Kort
Presskoppling 90°, Ø3/4'', Inv-JIC-1.3/16'', Kort
Artikelnummer:
12G14FJX90S
Förpackningsstorlek:
1 st
Coupling 1/4, 1/2-20 JIC fem.9 4G-5FJX90M Gates MegaCrimp
Coupling 1/4, 1/2-20 JIC fem.9 4G-5FJX90M Gates MegaCrimp
Artikelnummer:
04G05FJX90M
Förpackningsstorlek:
10 st
Coupling 1 ,1.5/8-12 JIC fem. 16G-20FJX90S Gates MegaCrimp
Coupling 1 ,1.5/8-12 JIC fem. 16G-20FJX90S Gates MegaCrimp
Artikelnummer:
16G20FJX90S
Förpackningsstorlek:
1 st
Coupling 5/8, 1.1/16 JIC fem. 10G-12FJX90M Gates MegaCrimp
Coupling 5/8, 1.1/16 JIC fem. 10G-12FJX90M Gates MegaCrimp
Artikelnummer:
10G12FJX90M
Förpackningsstorlek:
10 st
Coupling 3/8, 3/4-16 JIC fem. 6G-8FJX90M Gates MegaCrimp
Coupling 3/8, 3/4-16 JIC fem. 6G-8FJX90M Gates MegaCrimp
Artikelnummer:
06G08FJX90M
Förpackningsstorlek:
10 st
Coupling 3/4, 1.1/16-12 JIC fe 12G-12FJX45 Gates MegaCrimp
Coupling 3/4, 1.1/16-12 JIC fe 12G-12FJX45 Gates MegaCrimp
Artikelnummer:
12G12FJX45
Förpackningsstorlek:
10 st
Coupling 5/8, 7/8-14 JIC fem. 10G-10FJX45 Gates MegaCrimp
Coupling 5/8, 7/8-14 JIC fem. 10G-10FJX45 Gates MegaCrimp
Artikelnummer:
10G10FJX45S
Förpackningsstorlek:
10 st
Coupling 5/8, 1.1/16-12 JIC fe 10G-12FJX45 Gates MegaCrimp45
Coupling 5/8, 1.1/16-12 JIC fe 10G-12FJX45 Gates MegaCrimp45
Artikelnummer:
10G12FJX45
Förpackningsstorlek:
10 st
Coupling 1 , 1.5/16-12 JIC fem 16G-16FJX45 Gates MegaCrimp
Coupling 1 , 1.5/16-12 JIC fem 16G-16FJX45 Gates MegaCrimp
Artikelnummer:
16G16FJX45
Förpackningsstorlek:
5 st
Presskoppling 45°, Ø3/4'', Inv-ORFS-7/8''
Presskoppling 45°, Ø3/4'', Inv-ORFS-7/8''
Artikelnummer:
12G10FJX45
Förpackningsstorlek:
1 st
Coupling 1/2, 7/8-14 JIC fem. 8G-10FJX45 Gates MegaCrimp
Coupling 1/2, 7/8-14 JIC fem. 8G-10FJX45 Gates MegaCrimp
Artikelnummer:
08G10FJX45
Förpackningsstorlek:
10 st
Coupling 1/2, 3/4-16 JIC fem. 8G-8FJX45 Gates MegaCrimp
Coupling 1/2, 3/4-16 JIC fem. 8G-8FJX45 Gates MegaCrimp
Artikelnummer:
08G08FJX45
Förpackningsstorlek:
10 st
Coupling 3/8, 3/4-16 JIC fem. 6G-8FJX45 Gates MegaCrimp
Coupling 3/8, 3/4-16 JIC fem. 6G-8FJX45 Gates MegaCrimp
Artikelnummer:
06G08FJX45
Förpackningsstorlek:
10 st
Presskoppling 90°, Ø1/4'', Inv-JIC-9/16''
Presskoppling 90°, Ø1/4'', Inv-JIC-9/16''
Artikelnummer:
04G06FJX90M
Förpackningsstorlek:
1 st
Presskoppling 90°, Ø1/2'', Inv-JIC-7/8''
Presskoppling 90°, Ø1/2'', Inv-JIC-7/8''
Artikelnummer:
08G10FJX90M
Förpackningsstorlek:
10 st
1.1/2" Coupling - 1.7/8"-12 JIC female - 90°
1.1/2" Coupling - 1.7/8"-12 JIC female - 90°
Artikelnummer:
24GSM24FJX90M
Förpackningsstorlek:
1 st
JIC union nut, 37° cone face, 90° elbow (FJX90 - NJ90)
JIC union nut, 37° cone face, 90° elbow (FJX90 - NJ90)
Artikelnummer:
10G12FJX90M
Förpackningsstorlek:
10 st
Copyright © 2026 HydraSpecma