Webshop
webshop
x
Hovednummer
+45 9735 0599
Dansk
CHOOSE REGION:
I am from
Denmark
Sweden
Finland
CHOOSE LANGUAGE:
Danish
English
Swedish
English
Suomi
Fandt 0
Resultater
Produkter
Vis alle resultater (0)
Kategorier
Log ind
Bliv kunde
Menu
Akkumulatorer
Akkumulator - Blære
Akkumulator - Membran
Akkumulator - tilbehør og reservedele
Cylindre
Bremsecylinder
Cylinder - Dobbeltvirkende
Cylinder - Enkeltvirkende
Cylinder - Reservedele & løsdele
El-dele
Batterier
Betjeningspaneler
Controllers (Plus+1®)
Displays
El-styringer
Elektriske moduler
Gateways og dele
Joysticks og tilbehør
Magnetspoler
Pressostater
Radiostyringer
Sensorer
Stik og connectorer
Filter og filtrering
Filtreringsenhed
Påfyldnings- og udluftningsfiltre
Returfilter
Spin-on filter
Sugesi
Tilbehør til filtre
Trykfiltre
Fittings og nipler
JIS fittings
Nipler
Nipler, rustfri
ORFS fittings
Skæreringsfittings
Skæreringsfittings, rustfri
Svirvler (drejeled)
Udkravningsfittings
Udkravningsfittings, rustfri
Flanger
Påspændingsflanger
SAE flanger
Hydraulikrør
Hydraulikrør - Galvaniseret
Hydraulikrør - Rustfri AISI304
Hydraulikrør - Rustfri/Syrefast AISI316
Hydraulikrør - Sort (Fosfateret)
Hydraulikslange koblinger
Hydraulikslange Kapper
Hydraulikslange indstik - 2 delt
Hydraulikslange koblinger - One piece
Hydraulikslange skruekoblinger
Lavtryksdele
WEO Plug-in slangekoblinger og -nipler
Hydraulikslanger
Hydraulikslange - 1SC og 1SN
Hydraulikslange - 2SC og 2SN
Hydraulikslange - 3SK
Hydraulikslange - 4SH og 4SP
Hydraulikslange - Hardcover og MegaTuff
Hydraulikslange - Højtemperatur
Hydraulikslange - Twin slanger
Hydraulikslange tilbehør
Højtryksrenseslanger
Termoplastslanger
Industrislanger og koblinger
Elaflex gummikompensator
Industrislange tilbehør
Industrislanger
Koblinger og adaptere
Preskappe til levnedsmiddelslange
Spændebånd
Lynkoblinger
Lynkoblinger - Hydraulik
Lynkoblinger - Vand, Luft, Gas
Multikoblinger
Maskiner og værktøj
Butikssortiment
Formontage og udkravning værktøj
Gevind identifikations plader
Hydraulik slangepresser
Håndværktøj
Rørbukker og savekasse
Slange- og rørrensning
Slangeafskrælning
Slangeafskæring
Slangereoler og ophæng
Motorer og flowdelere
Elmotorer
Hydraulikmotor
Mængdedelere
Styreorbitroler, rat og ratstammer
Oliekølere
Oliekøler - Tilbehør
Oliekøler m. AC-motor
Oliekøler m. DC-motor
Oliekøler m. cirkulationspumpe
Pakninger
Andre pakninger
O-ringe
Pakningssortimenter
USIT-, kobber- og ED-pakninger
Powerpacks og Hydrauliktanke
Power pack - Komplette
Power pack - Reservedele og Tilbehør
Pumper
Hydraulik håndpumper
Hydraulik luftpumper
Hydraulik stempelpumpe
Hydraulik tandhjulspumper
Hydraulik vingepumper
Tandhjulspumper - Indvendig fortandet
Rørholdere
Bæreskinner - U-Bolte
Gummi clamps
Piggyback clamps
Rørholder - DIN3015-1 - Standard
Rørholder - DIN3015-2 - Svær
Rørholder - DIN3015-3 - Dobbelt
Rørholder - Letvægtstype
Rørholder - m. gummi bøsning
Rørholdere - Rust forebyggende
Test og måleudstyr
Flowmålere
Manometer
Manometersæt i kuffert
Testlynkoblinger
Testnipler
Testslanger
Testudstyr
Transmission
Bremse til orbitmotorer
Forsatslejer
Gear
Klokker
Klokoblinger
Koblinger, udrykker
SITEX koblinger
Splinebøsninger
Ventiler
Danfoss MVB ventilsystem
Inline service ventiler (kontra, flow og tryk)
Kuglehaner
NG/CETOP ventiler
Omskifterventiler inline
Patronventiler
Proportionalventiler og tilbehør
Retningsventiler
Ventilblokke
Walvoil SDE system
Restsalg
Slangekonfigurator
Hovedmenu
Min side
MARKEDSOMRÅDER
HYDRAULISKE SYSTEMER
SLANGE- & RØRLEDNINGSARTIKLER
ELEKTRIFICERING
VEDVARENDE ENERGI
FORRETNINGSOMRÅDER
EFTERMARKED
LANDBRUG
ERHVERVSKØRETØJER
ENTREPRENØRMASKINER
FORSVAR
ENERGI
SKOVBRUG
GENEREL INDUSTRI
SØFART
MATERIALEHÅNDTERING
OFFSHORE
PAPIR & PAPIRMASSE
STÅL- & MINEDRIFT
LASTBIL- & TRAILERTILPASNINGER
VINDENERGI
KOMPONENTER
ADAPTERE & FITTINGS
KOBLINGER
LYNKOBLINGER
HYDRAULIKSLANGER
RØRSYSTEMER
PUMPER
VENTILER
ELEKTRONISKE KOMPONENTER
MOTORER & STYREENHEDER
SERVICES
WEBSHOP & EASY ORDERING
HYDRASPECMA BUTIKKER
DANFOSS BUILD CENTER
END-TO-END
SIMSYSTEMS
HYDRAULIKSLANGEPRODUKTION
FLUSH & JETCLEAN
RØRPRODUKTION
DESIGN & TEKNIK
RENHED & KVALITET
LØSNINGER
PUMPESTATIONER
HIC & MANIFOLDBLOKKE
CENTRALSMØRING
SYSTEMLEVERANDØR
HYDRA DRIVE SYSTEM
LEVERANDØRER
ATOS
CASAPPA
DANFOSS POWER SOLUTIONS
DUPLOMATIC MOTION SOLUTIONS
FASTER
GATES
GROENEVELD-BEKA
I.M.M. HYDRAULICS
IMPRO FLUIDTEK
LILLBACKA FINN-POWER
MHA ZENTGRAF
MP FILTRI
REGGIANA RIDUTTORI
STAUFF
SUN HYDRAULICS
TECFLUID
VOLZ
WALVOIL
OM OS
LEDELSEN
HISTORIE
BÆREDYGTIGHED & ESG
VÆRDIER
POLITIKKER
CERTIFICERINGER
INSIGHTS & MEDIA
NYHEDER
VIDEN & INDSIGT
KUNDECASES
EVENTS
VEJLEDNINGER
JOB & KARRIERE
KONTAKT OS
DANMARK
SVERIGE
FINLAND
RENEWABLES
DATTERSELSKABER
VORES BUTIKKER
KUNDESERVICE
KOMPONENTER
ADAPTERE & FITTINGS
KOBLINGER
LYNKOBLINGER
HYDRAULIKSLANGER
RØRSYSTEMER
PUMPER
VENTILER
ELEKTRONISKE KOMPONENTER
MOTORER & STYREENHEDER
SERVICES
WEBSHOP & EASY ORDERING
HYDRASPECMA BUTIKKER
DANFOSS BUILD CENTER
END-TO-END
SIMSYSTEMS
HYDRAULIKSLANGEPRODUKTION
FLUSH & JETCLEAN
RØRPRODUKTION
DESIGN & TEKNIK
RENHED & KVALITET
LØSNINGER
PUMPESTATIONER
HIC & MANIFOLDBLOKKE
CENTRALSMØRING
SYSTEMLEVERANDØR
HYDRA DRIVE SYSTEM
LEVERANDØRER
ATOS
CASAPPA
DANFOSS POWER SOLUTIONS
DUPLOMATIC MOTION SOLUTIONS
FASTER
GATES
GROENEVELD-BEKA
I.M.M. HYDRAULICS
IMPRO FLUIDTEK
LILLBACKA FINN-POWER
MHA ZENTGRAF
MP FILTRI
REGGIANA RIDUTTORI
STAUFF
SUN HYDRAULICS
TECFLUID
VOLZ
WALVOIL
OM OS
LEDELSEN
HISTORIE
BÆREDYGTIGHED & ESG
VÆRDIER
POLITIKKER
CERTIFICERINGER
INSIGHTS & MEDIA
NYHEDER
VIDEN & INDSIGT
KUNDECASES
EVENTS
VEJLEDNINGER
JOB & KARRIERE
KONTAKT OS
DANMARK
SVERIGE
FINLAND
RENEWABLES
DATTERSELSKABER
VORES BUTIKKER
KUNDESERVICE
Du er her:
Produkter
Valves
Cartridge valves
Flowdivider valves
Flowdivider valve, cartridge, Sterling L
Flödesdelare S-H 10-4 1:1 8-20 lpm
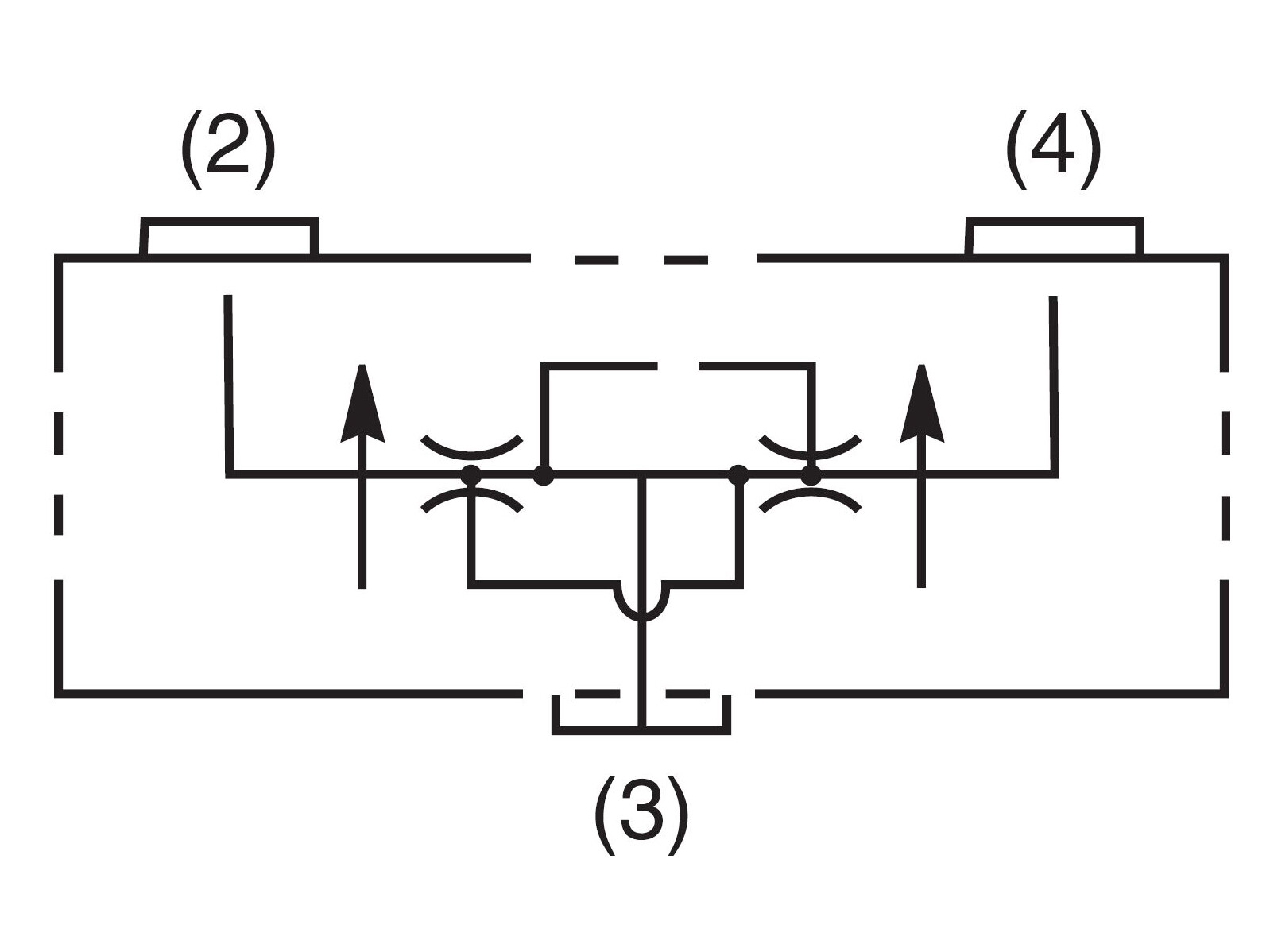
Spool type, flow divider/combiner valve.
Features
Interlocking spools for equal control dividing or combining.
Range of flow settings available for optimizing control
Pressure compensated control in both directions
50/50 ratio standard, other ratios available on request
Commonly used for differential lock in transmission applications
Hardened working parts for maximum durability
All external parts zinc plated
…
Læs mere
Varenummer:
L04A3-10-10N
Pakke str.:
0 pcs
Min. bestillingsenhed er:
1 pcs
Tilbehør (2)
Flowdividerblok 3/8in-3/8out
Varenummer:
L04A3HG/1
Flowdividerblok 1/2in-3/8out
Varenummer:
L04A3HG/2
Specifikationer
Dimensioner og forsendelse
Brand Name
Hydraspecma
Cavity
CAV04-4
Flow rate nominal LMin
60 lpm
Flow split ratio
50/50 %
Inlet flow max.
20 lpm
Inlet flow min.
8 lpm
Oil viscocity recommended
6 - 420 cSt
Pressure max.
420 bar
Torque tightening
50 Nm
Pakke str.
0 pcs
Stregkode
5704295399096
Brutto vægt
0,12 Kg
Netto vægt
0,12 Kg
Oprindelsesland
gbr
Intrastat varekode
84812010
Produkt information
Spool type, flow divider/combiner valve.
Features
Interlocking spools for equal control dividing or combining.
Range of flow settings available for optimizing control
Pressure compensated control in both directions
50/50 ratio standard, other ratios available on request
Commonly used for differential lock in transmission applications
Hardened working parts for maximum durability
All external parts zinc plated
Product datasheet
Ofte købt sammen med
Ventilblok alu. 1/4 (3Y)
Ventilblok alu. 1/4 (3Y)
Varenummer:
524A
Pakke str.:
0 pcs
Min. bestillingsenhed er:
1 pcs
Ventilhus SDC08-3-SE-3B 3/8
Ventilhus SDC08-3-SE-3B 3/8
Varenummer:
922518710
Pakke str.:
0 pcs
Min. bestillingsenhed er:
1 pcs
Ventilhus SDC10-2-S4B stål 1/2" port
Ventilhus SDC10-2-S4B stål 1/2" port
Varenummer:
11143049
Pakke str.:
0 pcs
Min. bestillingsenhed er:
1 pcs
Ventilblok, (2x68-1)
Ventilblok, (2x68-1)
Varenummer:
1-0259A
Pakke str.:
0 pcs
Min. bestillingsenhed er:
1 pcs
Ventilhus SDC10-3-SE3B 3/8
Ventilhus SDC10-3-SE3B 3/8
Varenummer:
922514310
Pakke str.:
0 pcs
Min. bestillingsenhed er:
1 pcs
Mix-N-Match Dual Cross Body 3/8"DCP08-2-3B
Mix-N-Match Dual Cross Body 3/8"DCP08-2-3B
Varenummer:
11135669
Pakke str.:
0 pcs
Min. bestillingsenhed er:
1 pcs
Ventilblok alu.3/8 (3Y)CAV02-3
Ventilblok alu.3/8 (3Y)CAV02-3
Varenummer:
525A
Pakke str.:
0 pcs
Min. bestillingsenhed er:
1 pcs
Ventilhus SDC10-2-S3B stål 3/8" port
Ventilhus SDC10-2-S3B stål 3/8" port
Varenummer:
11143048
Pakke str.:
0 pcs
Min. bestillingsenhed er:
1 pcs
Ventilhus 3/4" CP12-3-6B
Ventilhus 3/4" CP12-3-6B
Varenummer:
221237
Pakke str.:
0 pcs
Min. bestillingsenhed er:
1 pcs
Ventilblok stål 1/2 (CAV04-2)
Ventilblok stål 1/2 (CAV04-2)
Varenummer:
707S
Pakke str.:
0 pcs
Min. bestillingsenhed er:
1 pcs
3/8" trykbegr.ventilblok For VLP35S-*
3/8" trykbegr.ventilblok For VLP35S-*
Varenummer:
HG06-35
Pakke str.:
0 pcs
Min. bestillingsenhed er:
1 pcs
Ventilhus SUN T-11A G3/8'' Stål
Ventilhus SUN T-11A G3/8'' Stål
Varenummer:
EJU/S
Pakke str.:
0 pcs
Min. bestillingsenhed er:
1 pcs
Ventilblok alu. 3/8 (2L) CAV02-2
Ventilblok alu. 3/8 (2L) CAV02-2
Varenummer:
506A
Pakke str.:
0 pcs
Min. bestillingsenhed er:
1 pcs
Ventilhus 3/4" SDC16-2-S6B
Ventilhus 3/4" SDC16-2-S6B
Varenummer:
11146391
Pakke str.:
0 pcs
Min. bestillingsenhed er:
1 pcs
Ventilhus SDC10-2-DG3B 3/8
Ventilhus SDC10-2-DG3B 3/8
Varenummer:
922516910
Pakke str.:
0 pcs
Min. bestillingsenhed er:
1 pcs
Ventilhus SDC08-2-LG13B 3/8
Ventilhus SDC08-2-LG13B 3/8
Varenummer:
922516610
Pakke str.:
0 pcs
Min. bestillingsenhed er:
1 pcs
Ventilblok stål 3/4 (CAV04-2
Ventilblok stål 3/4 (CAV04-2
Varenummer:
CAV04-2/12S
Pakke str.:
0 pcs
Min. bestillingsenhed er:
1 pcs
Ventilhus SDC08-2-DG2B (1/4)
Ventilhus SDC08-2-DG2B (1/4)
Varenummer:
922516410
Pakke str.:
0 pcs
Min. bestillingsenhed er:
1 pcs
Ventilblok, (2B) Bemærk! Bonded seal skal anvendes.
Ventilblok, (2B) Bemærk! Bonded seal skal anvendes.
Varenummer:
1-0042A/1
Pakke str.:
0 pcs
Min. bestillingsenhed er:
1 pcs
Ventilhus SDC10-4-L3B 3/8
Ventilhus SDC10-4-L3B 3/8
Varenummer:
922517110
Pakke str.:
0 pcs
Min. bestillingsenhed er:
1 pcs
Ventilhus SDC08-2-DG3B 3/8
Ventilhus SDC08-2-DG3B 3/8
Varenummer:
922516510
Pakke str.:
0 pcs
Min. bestillingsenhed er:
1 pcs
Ventilhus SDC08-3-SE2B 1/4
Ventilhus SDC08-3-SE2B 1/4
Varenummer:
922516710
Pakke str.:
0 pcs
Min. bestillingsenhed er:
1 pcs
Mix-N-Match Dual Cross Body 1/2"DCP10-2-4B
Mix-N-Match Dual Cross Body 1/2"DCP10-2-4B
Varenummer:
11135684
Pakke str.:
0 pcs
Min. bestillingsenhed er:
1 pcs
Ventilblok alu. 1/2 (CAV04-2)
Ventilblok alu. 1/2 (CAV04-2)
Varenummer:
707A
Pakke str.:
0 pcs
Min. bestillingsenhed er:
1 pcs
Ventilhus NCS06/3-SI 1/2
Ventilhus NCS06/3-SI 1/2
Varenummer:
922501213
Pakke str.:
0 pcs
Min. bestillingsenhed er:
1 pcs
Ventilblok alu. 3/4 (CAV06-2)
Ventilblok alu. 3/4 (CAV06-2)
Varenummer:
574A
Pakke str.:
0 pcs
Min. bestillingsenhed er:
1 pcs
Ventilblok (2B)
Ventilblok (2B)
Varenummer:
1-0003A
Pakke str.:
0 pcs
Min. bestillingsenhed er:
1 pcs
Ventilblok stål 1/2" (cav04-3)
Ventilblok stål 1/2" (cav04-3)
Varenummer:
716S-1/2
Pakke str.:
0 pcs
Min. bestillingsenhed er:
1 pcs
Flowdividerblok 1/2in-3/8out
Flowdividerblok 1/2in-3/8out
Varenummer:
L04A3HG/2
Pakke str.:
0 pcs
Min. bestillingsenhed er:
1 pcs
Ventilhus 3/4" CP12-2-6B
Ventilhus 3/4" CP12-2-6B
Varenummer:
221235
Pakke str.:
0 pcs
Min. bestillingsenhed er:
1 pcs
Andre kigger på
Sun trykreduktionsventil
Sun trykreduktionsventil
Varenummer:
PBDB-LAN
Pakke str.:
0 pcs
Min. bestillingsenhed er:
1 pcs
Sun trykreduktionsventil
Sun trykreduktionsventil
Varenummer:
PBDB-LBN
Pakke str.:
1 pcs
Min. bestillingsenhed er:
1 pcs
Tryk red.vent. 40l/m 5-55bar CP230-2-B-0-E-B-XXX
Tryk red.vent. 40l/m 5-55bar CP230-2-B-0-E-B-XXX
Varenummer:
132363.000
Pakke str.:
0 pcs
Min. bestillingsenhed er:
1 pcs
Trykreduktionsventil, Sterling
Trykreduktionsventil, Sterling
Varenummer:
C02A3CZN
Pakke str.:
0 pcs
Min. bestillingsenhed er:
1 pcs
Logikventil Parker
Logikventil Parker
Varenummer:
R04D3-10.0N
Pakke str.:
0 pcs
Min. bestillingsenhed er:
1 pcs
SUN Direkte styret trykreduktion 3.5-105bar 40L/ min.
SUN Direkte styret trykreduktion 3.5-105bar 40L/ min.
Varenummer:
PRDB-LBN
Pakke str.:
0 pcs
Min. bestillingsenhed er:
1 pcs
Trykreduktionsventil, Sterling cavity 3G 7/8-14
Trykreduktionsventil, Sterling cavity 3G 7/8-14
Varenummer:
C3B25ZN
Pakke str.:
0 pcs
Min. bestillingsenhed er:
1 pcs
Logik Element 160l/m NC VLP12/P2-B-00 315bar
Logik Element 160l/m NC VLP12/P2-B-00 315bar
Varenummer:
830100119
Pakke str.:
0 pcs
Min. bestillingsenhed er:
1 pcs
Flowdeler ventil 15l/m 1:1 CP340-1-B-0-22
Flowdeler ventil 15l/m 1:1 CP340-1-B-0-22
Varenummer:
132215
Pakke str.:
0 pcs
Min. bestillingsenhed er:
1 pcs
Logik Element CP702-1-B-12S-150
Logik Element CP702-1-B-12S-150
Varenummer:
139995
Pakke str.:
0 pcs
Min. bestillingsenhed er:
1 pcs
Sun 3-vejs trykreduktionsventil 40 L/min 1.7-55 bar T-11A
Sun 3-vejs trykreduktionsventil 40 L/min 1.7-55 bar T-11A
Varenummer:
PPDB-LDN
Pakke str.:
0 pcs
Min. bestillingsenhed er:
1 pcs
Rækkefølgeventil Sterling
Rækkefølgeventil Sterling
Varenummer:
B04D3PZN
Pakke str.:
0 pcs
Min. bestillingsenhed er:
1 pcs
Rækkefølgeventil med kontraventil 35-210 bar - 60 l/min
Rækkefølgeventil med kontraventil 35-210 bar - 60 l/min
Varenummer:
SCCA-LAN
Pakke str.:
0 pcs
Min. bestillingsenhed er:
1 pcs
SUN Direkte styret trykreduktion 1.7-55bar 40L/ min.
SUN Direkte styret trykreduktion 1.7-55bar 40L/ min.
Varenummer:
PRDB-LDN
Pakke str.:
0 pcs
Min. bestillingsenhed er:
1 pcs
Logikventil Sterling
Logikventil Sterling
Varenummer:
R06G3-5.5N
Pakke str.:
0 pcs
Min. bestillingsenhed er:
1 pcs
Sequence valve CP240-21-B-0-E-C-100
Sequence valve CP240-21-B-0-E-C-100
Varenummer:
83050424
Pakke str.:
1 pcs
Min. bestillingsenhed er:
1 pcs
Sekvensventil 240l/min 350bar
Sekvensventil 240l/min 350bar
Varenummer:
SCGALDN
Pakke str.:
0 pcs
Min. bestillingsenhed er:
1 pcs
Tryk red.vent. 40l/m 7-97bar CP230-1-B-0-A-C-XXX
Tryk red.vent. 40l/m 7-97bar CP230-1-B-0-A-C-XXX
Varenummer:
130109000
Pakke str.:
0 pcs
Min. bestillingsenhed er:
1 pcs
Fordelingsventil, Sterling 10-30 lpm
Fordelingsventil, Sterling 10-30 lpm
Varenummer:
L04A3-15-15N
Pakke str.:
0 pcs
Min. bestillingsenhed er:
1 pcs
Logikventil Sterling
Logikventil Sterling
Varenummer:
R06F3-5.5N
Pakke str.:
0 pcs
Min. bestillingsenhed er:
1 pcs
Logik Element CP702-1-B-0-150
Logik Element CP702-1-B-0-150
Varenummer:
130157
Pakke str.:
0 pcs
Min. bestillingsenhed er:
1 pcs
Logikelement 80l/m NC Glidertype HLE10-CPC-15-B-00
Logikelement 80l/m NC Glidertype HLE10-CPC-15-B-00
Varenummer:
83038529
Pakke str.:
0 pcs
Min. bestillingsenhed er:
1 pcs
Fordelingsventil, Sterling 6-10 lpm
Fordelingsventil, Sterling 6-10 lpm
Varenummer:
L04A3-5-5N
Pakke str.:
0 pcs
Min. bestillingsenhed er:
1 pcs
Sun flowdelerventil 6 - 30 l/min. m/udligning
Sun flowdelerventil 6 - 30 l/min. m/udligning
Varenummer:
FSCS-XAN
Pakke str.:
0 pcs
Min. bestillingsenhed er:
1 pcs
Logikventil Sterling
Logikventil Sterling
Varenummer:
R04E3-10.0N
Pakke str.:
0 pcs
Min. bestillingsenhed er:
1 pcs
Trykreduktionsventil SUN T-163A
Trykreduktionsventil SUN T-163A
Varenummer:
PBBB-LBN
Pakke str.:
0 pcs
Min. bestillingsenhed er:
1 pcs
Trykreduktionsventil, Sterling
Trykreduktionsventil, Sterling
Varenummer:
C02A3EZN
Pakke str.:
0 pcs
Min. bestillingsenhed er:
1 pcs
Flowdeler ventil 114l/m 1:1 CP342-3-U-0-1515
Flowdeler ventil 114l/m 1:1 CP342-3-U-0-1515
Varenummer:
138300
Pakke str.:
0 pcs
Min. bestillingsenhed er:
1 pcs
Vekselventilpatron G 1/8", stål
Vekselventilpatron G 1/8", stål
Varenummer:
EWV-2.5
Pakke str.:
0 pcs
Min. bestillingsenhed er:
1 pcs
Styrebox 5m+1,5m kabler
Styrebox 5m+1,5m kabler
Varenummer:
TVTP-BOX1
Pakke str.:
0 pcs
Min. bestillingsenhed er:
1 pcs
Varen er allerede tilføjet, hvad ønsker du at gøre?
X
Varen er allerede tilføjet, hvad ønsker du at gøre?
X
Copyright © 2025 HydraSpecma