Webbshop
artiklar
x
Huvudnummer
0910-73 32 00
Svenska
CHOOSE REGION:
I am from
Denmark
Sweden
Finland
CHOOSE LANGUAGE:
Danish
English
Swedish
English
Suomi
Hittade 0
Resultat
Produkter
Visa alla resultat (0)
Kategorier
Logga in
Registrera dig
Meny
Ackumulatorer
Blåsackumulator
Kolvackumulator
Membranackumulator
Tillbehör och reservdelar ackumulator
Adapter, Rörkopplingar och Svivlar
Adapter JIC
Adapter JIS
Adapter ORFS
Adapter, BSP, MM, NPT, UNF
Adapter/Skärringskoppling DIN
Instrumentkopplingar S-Lok
Pyplok rörkopplingar
Svivlar
Syrafast Adapter BSP, MM, NPT, UNF
Syrafast Adapter JIC
Syrafast Skärringskoppling DIN
Centralsmörjning och Fetthantering
Fetthanteringsutrustning och smörjfett
Fettpåfyllningspumpar och tillbehör
Ledningskomponenter för centralsmörjning
Slangkopplingar
Smörjnipplar och tillbehör
Smörjpaneler
Smörjpumpar - Olja / Smörjfett
Smörjpumpar - Tillbehör och reservdelar
Utloppsventiler, backventiler och pluggar
Ventiler - Olja / Fett
Cylindrar och vriddon
Dubbelverkande cylindrar
Reservdelar för cylindrar
Elektronik
Controllers (Plus+1®)
Displays och kontroller
Joysticks och tillbehör
Kontakter
Magnetspolar
Radiostyrningar
Sensors
Styrkort
Tryckvakter
Filter
Andningsfilter
Filtreringsenheter och off-line filter. Dieselfilter. AdBlue.
Ledningsfilter, mässing/syrafast, H400
Returfilter
Spin-On Filter
Sugsilar
Tillbehör till filter
Tryckfilter
Flänsar
Pumpanslutningar
SAE Flänsar
Tube-Mac rörsystem
Hydraulrör
Sömlösa hydraulrör, Förzinkade, E235+N
Bromsrör/Kopparrör
Sömlösa Hydraulrör, Rostfria 1.4301
Sömlösa Hydraulrör, Rostfria/Syrafasta 1.4571
Sömlösa hydraulrör fosfaterade (svart)
Hydraulslangar och tillbehör
1-ståls hydraulslang 1SN och 1SC
2-stål hydraulslang 2SN och 2SC
3-ståls hydraulslang kompakt 3SC
4-6-ståls hydraulslang EFG, 4SP, 4SH, R12, R13, R15
Hydraulslang Högtemperatur
Hydraulslang Lågtemperatur
Hydraulslang Pilot
Hydraulslang Tvilling
MegaTuff och Hardcover hydraulslang
Slangtillbehör, Slangskydd, Plastplugg, Säkerhetsutrustning
Termoplastslang
Tvättslang
Industrislangar och kopplingar
Gummikompensatorer DIN/SAE
Hylsor, klämbackar och klämringar för Industrislang
Industri kopplingar och adaptrar
Industri och automotiveslang
Slangklammer och tillbehör
Slangtillbehör
Maskiner och verktyg
Förmonterings- och kragverktyg, Manuella
Handskar, Personlig skyddsutrustning och Sanering
Handverktyg och Monteringshjälp
Kapmaskiner och slangsaxar
Märkningsutrustning
Rörmanipulering
Skalmaskin
Slang och rörrengöring
Slangpressar
Slangställ, slangupphängare
Thread identification boards
Motorer och flödesdelare
Elmotorer
Flödesdelare
Hydraulmotorer
Styrorbitroler, rattar och rattstammar
Olja- AdBlue, Petroleumhantering och Slangvindor
AdBlue och kemutrustning
Diesel och Bensinutrustning
Luftfyllare och tillbehör
Membranpumpar
Oljeutrustning
Slang- och kabelupprullare
Spillolja- och fathantering
Oljekylare
Luftoljekylare med AC-motor
Luftoljekylare med DC-motor
Luftoljekylare med cirkulationspump
Tillbehör till oljekylare
Vattenoljekylare
Packningar och Monteringskemikalier
O-ringar och SAE flänstätningar
Packningar av USIT, koppar och ED
Packningssortiment
Sortimentslådor
Tätningar och monteringskemikalier
Pneumatik, herionventiler, lågtryckskopplingar och slang
Cylindrar och bälgar
Kopplingar, rör och tillbehör
Luftbehandling
Tryckvakter/Tryckgivare
Vakuum
Ventiler
Powerpacks och reservdelar
OMFB powerpacks och komponenter
Powerpack - Tillbehör oach reservdelar
Pumpar
Handpumpar
Kolvpumpar
Kugghjulspumpar
Vingpumpar
Rörklammer
ACT rôrklammer
Bultar, mutter, monteringsskena
Gummiklammer
Konsolklammer Lätta serien LPGU
Konsolklammer Tunga Serien SPGU
Lättviktstyp LB/LN/LBBU/LNGF/LNUF
Rörgenomföring SRF
Rörklammer DIN 3567, 1592, 1593, 1596, 1597, BSS, BSN, 72571, 72573
Rörklammer gummiklädda NPC
Rörklammer typ STF
Rörklammer typ avgas, PC
Sadelklammer ZR
Standard serie dubbla (DIN 3015-3)
Standard serie enkla (DIN 3015-1)
Tung serie (DIN 3015-2)
Tung serie med gummibussning
U-Klammer, rund och platt stång
Slangkopplingar
One piece
Plug-In, WEO mfl.
Presshylsor
Presskopplingar
Skruvkopplingar
Slangkopplingar Lågtryck
Snabbkopplingar
Multikopplingar för hydraulik
Snabbkopplingar för tryckluft, gas, vätskor och andra medier
Snabbkopplingar hydraulik
Test- och mätutrustning
Flödesmätare
Manometerset i låda
Manometrar och tillbehör
Mätadapter
Mätkopplingar
Snabbkopplingar till testutrustning
Testenheter, flödesmätare, tryckgivare och sensorer
Testslangar samt kopplingar för 2mm och 4mm slang.
Transmission
Axelkopplingar
Broms till orbitmotorer - Reggiana
Mellanstycke
Splineshylsor
Stödlager
Växlar
Ventiler
Danfoss MVB ventilsystem
Inline service ventiler (back, flow och tryck)
Kulventiler och andra lågtrycksventiler
NG/CETOP ventiler och ventilblock
Patronventiler
Processventiler
Proportionalventiler och tillbehör
Riktningsventiler
Ventilblock
Väljarventiler inline
Walvoil SDE system
Huvudmeny
Mitt konto
MARKNADSOMRÅDEN
HYDRAULSYSTEM
LEDNINGSKOMPONENTER
ELEKTRIFIERING
FÖRNYBAR ENERGI
AFFÄRSOMRÅDEN
EFTERMARKNAD
JORDBRUK
NYTTOFORDON
ANLÄGGNINGSMASKINER
FÖRSVAR
ENERGI
SKOGSBRUK
INDUSTRI
MARIN
MATERIALHANTERING
OFFSHORE
MASSA & PAPPER
STÅL & GRUVDRIFT
LASTBIL & SLÄPVAGNSANPASSNINGAR
VINDKRAFT
PARTNERWEB
KOMPONENTER
ADAPTRAR & KOPPLINGAR
KOPPLINGAR
SNABBKOPPLINGAR
HYDRAULSLANGAR
RÖRLÖSNINGAR
PUMPAR
VENTILER
ELEKTRONISKA KOMPONENTER
MOTORER & STYRENHETER
TJÄNSTER
WEBBSHOP & EASY ORDERING
HYDRASPECMA BUTIKER
DANFOSS BUILD CENTER
END-TO-END
SIMSYSTEMS
MONTERING AV HYDRAULSLANG
SPOLNING & JETCLEAN
TERMISK AVGRADNING
KONSTRUKTION AV RÖRSYSTEM
KONSTRUKTION & TEKNIK
RENLIGHET & KVALITET
MRO SERVICE
LÖSNINGAR
HPU & KRAFTAGGREGAT
HIC & VENTILBLOCK
CENTRALSMÖRJNING
SYSTEMLEVERANTÖR
HYDRA DRIVE SYSTEM
LEVERANTÖRER
ATOS
CASAPPA
DANFOSS POWER SOLUTIONS
DUPLOMATIC MOTION SOLUTIONS
FASTER
GATES
GROENEVELD-BEKA
I.M.M. HYDRAULICS
IMPRO FLUIDTEK
LILLBACKA FINN-POWER
MHA ZENTGRAF
MP FILTRI
REGGIANA RIDUTTORI
STAUFF
SUN HYDRAULICS
TECFLUID
VOLZ
WALVOIL
WHITE
OM OSS
LEDNINGEN
HISTORIA
HÅLLBARHET & ESG
KÄRNVÄRDEN
POLICYS
CERTIFIERINGAR
INSIGHTS & MEDIA
NYHETER
INSIGHTS
KUNDSTORIES
EVENTS
KARRIÄR
KONTAKTA OSS
DANMARK
SVERIGE
FINLAND
NORGE
RENEWABLES
DOTTERBOLAG
VÅRA BUTIKER
KUNDSERVICE
PARTNERWEB
KOMPONENTER
ADAPTRAR & KOPPLINGAR
KOPPLINGAR
SNABBKOPPLINGAR
HYDRAULSLANGAR
RÖRLÖSNINGAR
PUMPAR
VENTILER
ELEKTRONISKA KOMPONENTER
MOTORER & STYRENHETER
TJÄNSTER
WEBBSHOP & EASY ORDERING
HYDRASPECMA BUTIKER
DANFOSS BUILD CENTER
END-TO-END
SIMSYSTEMS
MONTERING AV HYDRAULSLANG
SPOLNING & JETCLEAN
TERMISK AVGRADNING
KONSTRUKTION AV RÖRSYSTEM
KONSTRUKTION & TEKNIK
RENLIGHET & KVALITET
MRO SERVICE
LÖSNINGAR
HPU & KRAFTAGGREGAT
HIC & VENTILBLOCK
CENTRALSMÖRJNING
SYSTEMLEVERANTÖR
HYDRA DRIVE SYSTEM
LEVERANTÖRER
ATOS
CASAPPA
DANFOSS POWER SOLUTIONS
DUPLOMATIC MOTION SOLUTIONS
FASTER
GATES
GROENEVELD-BEKA
I.M.M. HYDRAULICS
IMPRO FLUIDTEK
LILLBACKA FINN-POWER
MHA ZENTGRAF
MP FILTRI
REGGIANA RIDUTTORI
STAUFF
SUN HYDRAULICS
TECFLUID
VOLZ
WALVOIL
WHITE
OM OSS
LEDNINGEN
HISTORIA
HÅLLBARHET & ESG
KÄRNVÄRDEN
POLICYS
CERTIFIERINGAR
INSIGHTS & MEDIA
NYHETER
INSIGHTS
KUNDSTORIES
EVENTS
KARRIÄR
KONTAKTA OSS
DANMARK
SVERIGE
FINLAND
NORGE
RENEWABLES
DOTTERBOLAG
VÅRA BUTIKER
KUNDSERVICE
Här är du:
Produkter
Valves
NG/CETOP valves
NG06 / Cetop3 valves
NG06 - Sandwich / Modular valves
NG06 - Modular pilot controlled Check valve
Cetop3 pilot operated check VA B port
Cetop3 pilotst. kontraventil, B port
…
Läs mer
Artikelnummer:
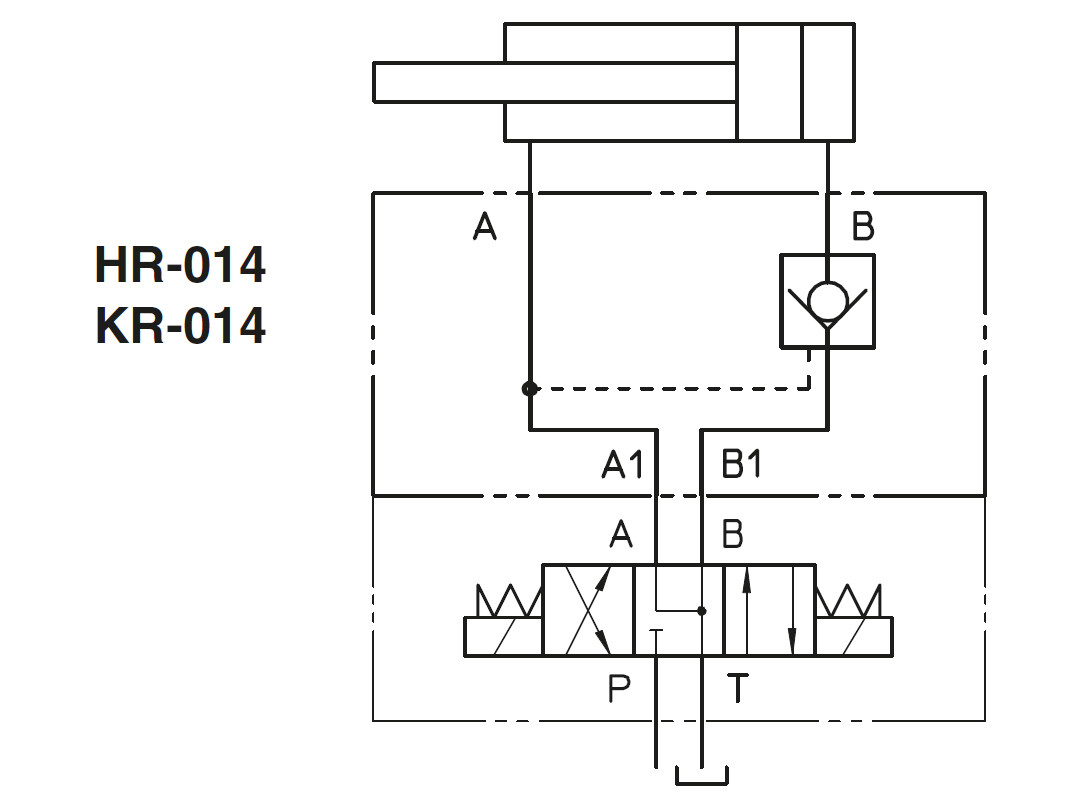
HR014
Förpackningsstorlek:
0 pcs
Minsta beställningskvantitet:
1 pcs
Tilbehør (1)
Cetop 3 ventil u magnetsp DHL-0713-X00
Artikelnummer:
DHL0713-X
Specifikationer
Dimensioner och frakt
Brand Name
Atos
Contamination level max.
20/18/15 - ISO 4406
Flow rate nominal LMin
60 lpm
Model code
HR-014
NG ISO-size
NG06
Oil viscocity recommended
15 - 100 cSt
Pilot ratio
3,3:1
Pressure max.
350 bar
Pressure opening
0.5 bar
Standard ISO
ISO 4401
Temperature max.
+80 °C
Temperature min.
-20 °C
Förpackningsstorlek
0 pcs
Streckkod
5704295210087
Bruttovikt
1,02 Kg
Nettovikt
1,02 Kg
Ursprungsland
ITA
Intrastat artikelkod
84812010
Produktinformation
Cetop3 pilotst. kontraventil, B port
Länkar
Product datasheet
Product datasheet
Andra tittar på
Seal kit DHI cetop 3 valve
Seal kit DHI cetop 3 valve
Artikelnummer:
PAK-DHI
Förpackningsstorlek:
0 pcs
Pressure reversing valve NG10 With relief valve 220 bar
Pressure reversing valve NG10 With relief valve 220 bar
Artikelnummer:
NG10-22005
Förpackningsstorlek:
0 pcs
Seal kit DKU cetop5 valve
Seal kit DKU cetop5 valve
Artikelnummer:
PAK-DKU
Förpackningsstorlek:
0 pcs
DKE-1711-X24-DC Atos solenoid valve cetop5
DKE-1711-X24-DC Atos solenoid valve cetop5
Artikelnummer:
DKE1711-H
Förpackningsstorlek:
1 pcs
Atos Cetop3 valve DHE-0711-X00-DC w/o coil
Atos Cetop3 valve DHE-0711-X00-DC w/o coil
Artikelnummer:
DHE0711-X
Förpackningsstorlek:
0 pcs
Solenoid valve Cetop 3 DHL-0614/X24DC w.o. connector
Solenoid valve Cetop 3 DHL-0614/X24DC w.o. connector
Artikelnummer:
DHL0614/H
Förpackningsstorlek:
0 pcs
Cetop 3 valve without coil DHL-0611-X00
Cetop 3 valve without coil DHL-0611-X00
Artikelnummer:
DHL0611-X
Förpackningsstorlek:
1 pcs
Pressure reversing valve NG06 With relief valve 220 bar
Pressure reversing valve NG06 With relief valve 220 bar
Artikelnummer:
NG06-22002
Förpackningsstorlek:
0 pcs
Pressure reversing valve NG06 Indb. overt. ventil 220 bar
Pressure reversing valve NG06 Indb. overt. ventil 220 bar
Artikelnummer:
NG06-220
Förpackningsstorlek:
0 pcs
Atos solenoid valve cetop5 DKE-1630/2-X00-DC, u/with coi
Atos solenoid valve cetop5 DKE-1630/2-X00-DC, u/with coi
Artikelnummer:
DKE1630/2-X
Förpackningsstorlek:
0 pcs
Cetop7 mounting plate 1 P-T-A-B-X-Y at bottom
Cetop7 mounting plate 1 P-T-A-B-X-Y at bottom
Artikelnummer:
BA518
Förpackningsstorlek:
0 pcs
Atos Cetop3 valve DHE-0614-00 -DC w/o coil
Atos Cetop3 valve DHE-0614-00 -DC w/o coil
Artikelnummer:
DHE0614-X
Förpackningsstorlek:
1 pcs
Atos solenoid valve cetop5 DKE-1711-X00-DC without solenoid
Atos solenoid valve cetop5 DKE-1711-X00-DC without solenoid
Artikelnummer:
DKE1711-X
Förpackningsstorlek:
0 pcs
Aluminium block, complete with VLP35S-BZ (10-100 BAR)
Aluminium block, complete with VLP35S-BZ (10-100 BAR)
Artikelnummer:
HG310KPLR00B
Förpackningsstorlek:
0 pcs
DKZOR-A-171-S3 Prop.directional valve cetop5
DKZOR-A-171-S3 Prop.directional valve cetop5
Artikelnummer:
DKZORA171S3
Förpackningsstorlek:
0 pcs
Aluminium block, complete with VLP35S-NZ (30-280 BAR)
Aluminium block, complete with VLP35S-NZ (30-280 BAR)
Artikelnummer:
HG310KPLR00N
Förpackningsstorlek:
0 pcs
Atos pilot operated Cetop7 valve DPHI-2711-X00
Atos pilot operated Cetop7 valve DPHI-2711-X00
Artikelnummer:
DPHI2711-X
Förpackningsstorlek:
0 pcs
Seal kit for Lalmek NG06-valve Lalmek NG06-220
Seal kit for Lalmek NG06-valve Lalmek NG06-220
Artikelnummer:
NG06-220-REP
Förpackningsstorlek:
0 pcs
Pressure reversing valve NG06 With relief valve 180 bar
Pressure reversing valve NG06 With relief valve 180 bar
Artikelnummer:
NG06-001
Förpackningsstorlek:
0 pcs
DKE-1631/2-X24-DC Atos solenoid valve cetop5
DKE-1631/2-X24-DC Atos solenoid valve cetop5
Partnumber:
DKE1631/2-H
Package size:
0 pcs
Cetop5 mounting plate 1/2 P-T-A-B at bottom
Cetop5 mounting plate 1/2 P-T-A-B at bottom
Partnumber:
BA308
Package size:
0 pcs
Pressure reversing valve NG10 With relief valve 220 bar
Pressure reversing valve NG10 With relief valve 220 bar
Partnumber:
NG10-220
Package size:
0 pcs
Base plate steel for 1xcetop3
Base plate steel for 1xcetop3
Partnumber:
MR31GZ
Package size:
0 pcs
Cetop3 pressure regulating valve P-port 2-50 bar
Cetop3 pressure regulating valve P-port 2-50 bar
Partnumber:
HG031/50
Package size:
0 pcs
Sun sandwich valve Block cetop
Sun sandwich valve Block cetop
Partnumber:
EBY
Package size:
0 pcs
DKE-1630/2-X220-AC Atos solenoid valve cetop5
DKE-1630/2-X220-AC Atos solenoid valve cetop5
Partnumber:
DKE1630/2-C
Package size:
0 pcs
Cetop 3 manual valve spring centered
Cetop 3 manual valve spring centered
Partnumber:
DH0114
Package size:
0 pcs
Atos solenoid valve cetop5 DKE-1714-X00-DC without solenoid
Atos solenoid valve cetop5 DKE-1714-X00-DC without solenoid
Partnumber:
DKE1714-X
Package size:
0 pcs
Cetop 3 valve without coil DHL-0611/A-X00
Cetop 3 valve without coil DHL-0611/A-X00
Partnumber:
DHL0611/A-X
Package size:
0 pcs
Solenoid valve Cetop 3 DHL-0610/X24DC w.o. connector
Solenoid valve Cetop 3 DHL-0610/X24DC w.o. connector
Partnumber:
DHL0610/H
Package size:
0 pcs
Item already exists, please choose an action
X
Copyright © 2026 HydraSpecma