Webshop
webshop
x
Hovednummer
+45 9735 0599
Dansk
CHOOSE REGION:
I am from
Denmark
Sweden
Finland
CHOOSE LANGUAGE:
Danish
English
Swedish
English
Suomi
Fandt 0
Resultater
Produkter
Vis alle resultater (0)
Kategorier
Log ind
Bliv kunde
Menu
Akkumulatorer
Akkumulator - Blære
Akkumulator - Membran
Akkumulator - tilbehør og reservedele
Cylindre
Bremsecylinder
Cylinder - Dobbeltvirkende
Cylinder - Enkeltvirkende
Cylinder - Reservedele & løsdele
El-dele
Batterier
Betjeningspaneler
Controllers (Plus+1®)
Displays
El-styringer
Elektriske moduler
Gateways og dele
Joysticks og tilbehør
Magnetspoler
Pressostater
Radiostyringer
Sensorer
Stik og connectorer
Filter og filtrering
Filtreringsenhed
Påfyldnings- og udluftningsfiltre
Returfilter
Spin-on filter
Sugesi
Tilbehør til filtre
Trykfiltre
Fittings og nipler
JIS fittings
Nipler
Nipler, rustfri
ORFS fittings
Skæreringsfittings
Skæreringsfittings, rustfri
Svirvler (drejeled)
Udkravningsfittings
Udkravningsfittings, rustfri
Flanger
Påspændingsflanger
SAE flanger
Hydraulikrør
Hydraulikrør - Galvaniseret
Hydraulikrør - Rustfri AISI304
Hydraulikrør - Rustfri/Syrefast AISI316
Hydraulikrør - Sort (Fosfateret)
Hydraulikslange koblinger
Hydraulikslange Kapper
Hydraulikslange indstik - 2 delt
Hydraulikslange koblinger - One piece
Hydraulikslange skruekoblinger
Lavtryksdele
WEO Plug-in slangekoblinger og -nipler
Hydraulikslanger
Hydraulikslange - 1SC og 1SN
Hydraulikslange - 2SC og 2SN
Hydraulikslange - 3SC
Hydraulikslange - 4SH og 4SP
Hydraulikslange - Hardcover og MegaTuff
Hydraulikslange - Højtemperatur
Hydraulikslange - Twin slanger
Hydraulikslange tilbehør
Højtryksrenseslanger
Termoplastslanger
Industrislanger og koblinger
Elaflex gummikompensator
Industrislange tilbehør
Industrislanger
Koblinger og adaptere
Preskappe til levnedsmiddelslange
Spændebånd
Lynkoblinger
Lynkoblinger - Hydraulik
Lynkoblinger - Vand, Luft, Gas
Multikoblinger
Maskiner og værktøj
Butikssortiment
Formontage og udkravning værktøj
Gevind identifikations plader
Hydraulik slangepresser
Håndværktøj
Rørbukker og savekasse
Slange- og rørrensning
Slangeafskrælning
Slangeafskæring
Slangereoler og ophæng
Motorer og flowdelere
Elmotorer
Hydraulikmotor
Mængdedelere
Styreorbitroler, rat og ratstammer
Oliekølere
Oliekøler - Tilbehør
Oliekøler m. AC-motor
Oliekøler m. DC-motor
Oliekøler m. cirkulationspumpe
Pakninger
Andre pakninger
O-ringe
Pakningssortimenter
USIT-, kobber- og ED-pakninger
Powerpacks og Hydrauliktanke
Power pack - Komplette
Power pack - Reservedele og Tilbehør
Pumper
Hydraulik håndpumper
Hydraulik luftpumper
Hydraulik stempelpumpe
Hydraulik tandhjulspumper
Hydraulik vingepumper
Tandhjulspumper - Indvendig fortandet
Rørholdere
Bæreskinner - U-Bolte
Gummi clamps
Piggyback clamps
Rørholder - DIN3015-1 - Standard
Rørholder - DIN3015-2 - Svær
Rørholder - DIN3015-3 - Dobbelt
Rørholder - Letvægtstype
Rørholder - m. gummi bøsning
Rørholdere - Rust forebyggende
Test og måleudstyr
Flowmålere
Manometer
Manometersæt i kuffert
Testlynkoblinger
Testnipler
Testslanger
Testudstyr
Transmission
Bremse til orbitmotorer
Forsatslejer
Gear
Klokker
Klokoblinger
Koblinger, udrykker
SITEX koblinger
Splinebøsninger
Ventiler
Danfoss MVB ventilsystem
Inline service ventiler (kontra, flow og tryk)
Kuglehaner
NG/CETOP ventiler
Omskifterventiler inline
Patronventiler
Proportionalventiler og tilbehør
Retningsventiler
Ventilblokke
Walvoil SDE system
Restsalg
Slangekonfigurator
Hovedmenu
Min side
MARKEDSOMRÅDER
HYDRAULISKE SYSTEMER
SLANGE- & RØRLEDNINGSARTIKLER
ELEKTRIFICERING
VEDVARENDE ENERGI
FORRETNINGSOMRÅDER
EFTERMARKED
LANDBRUG
ERHVERVSKØRETØJER
ENTREPRENØRMASKINER
FORSVAR
ENERGI
SKOVBRUG
GENEREL INDUSTRI
SØFART
MATERIALEHÅNDTERING
OFFSHORE
PAPIR & PAPIRMASSE
STÅL- & MINEDRIFT
LASTBIL- & TRAILERTILPASNINGER
VINDENERGI
KOMPONENTER
ADAPTERE & FITTINGS
KOBLINGER
LYNKOBLINGER
HYDRAULIKSLANGER
RØRSYSTEMER
PUMPER
VENTILER
ELEKTRONISKE KOMPONENTER
MOTORER & STYREENHEDER
SERVICES
WEBSHOP & EASY ORDERING
HYDRASPECMA BUTIKKER
DANFOSS BUILD CENTER
END-TO-END
SIMSYSTEMS
HYDRAULIKSLANGEPRODUKTION
FLUSH & JETCLEAN
TERMISK AFGRATNING
RØRPRODUKTION
DESIGN & TEKNIK
RENHED & KVALITET
LØSNINGER
PUMPESTATIONER
HIC & MANIFOLDBLOKKE
CENTRALSMØRING
SYSTEMLEVERANDØR
HYDRA DRIVE SYSTEM
LEVERANDØRER
ATOS
CASAPPA
DANFOSS POWER SOLUTIONS
DUPLOMATIC MOTION SOLUTIONS
FASTER
GATES
GROENEVELD-BEKA
I.M.M. HYDRAULICS
IMPRO FLUIDTEK
LILLBACKA FINN-POWER
MHA ZENTGRAF
MP FILTRI
REGGIANA RIDUTTORI
STAUFF
SUN HYDRAULICS
TECFLUID
VOLZ
WALVOIL
OM OS
LEDELSEN
HISTORIE
BÆREDYGTIGHED & ESG
VÆRDIER
POLITIKKER
CERTIFICERINGER
INSIGHTS & MEDIA
NYHEDER
VIDEN & INDSIGT
KUNDECASES
EVENTS
VEJLEDNINGER
JOB & KARRIERE
KONTAKT OS
DANMARK
SVERIGE
FINLAND
RENEWABLES
DATTERSELSKABER
VORES BUTIKKER
KUNDESERVICE
KOMPONENTER
ADAPTERE & FITTINGS
KOBLINGER
LYNKOBLINGER
HYDRAULIKSLANGER
RØRSYSTEMER
PUMPER
VENTILER
ELEKTRONISKE KOMPONENTER
MOTORER & STYREENHEDER
SERVICES
WEBSHOP & EASY ORDERING
HYDRASPECMA BUTIKKER
DANFOSS BUILD CENTER
END-TO-END
SIMSYSTEMS
HYDRAULIKSLANGEPRODUKTION
FLUSH & JETCLEAN
TERMISK AFGRATNING
RØRPRODUKTION
DESIGN & TEKNIK
RENHED & KVALITET
LØSNINGER
PUMPESTATIONER
HIC & MANIFOLDBLOKKE
CENTRALSMØRING
SYSTEMLEVERANDØR
HYDRA DRIVE SYSTEM
LEVERANDØRER
ATOS
CASAPPA
DANFOSS POWER SOLUTIONS
DUPLOMATIC MOTION SOLUTIONS
FASTER
GATES
GROENEVELD-BEKA
I.M.M. HYDRAULICS
IMPRO FLUIDTEK
LILLBACKA FINN-POWER
MHA ZENTGRAF
MP FILTRI
REGGIANA RIDUTTORI
STAUFF
SUN HYDRAULICS
TECFLUID
VOLZ
WALVOIL
OM OS
LEDELSEN
HISTORIE
BÆREDYGTIGHED & ESG
VÆRDIER
POLITIKKER
CERTIFICERINGER
INSIGHTS & MEDIA
NYHEDER
VIDEN & INDSIGT
KUNDECASES
EVENTS
VEJLEDNINGER
JOB & KARRIERE
KONTAKT OS
DANMARK
SVERIGE
FINLAND
RENEWABLES
DATTERSELSKABER
VORES BUTIKKER
KUNDESERVICE
Du er her:
Produkter
Pumper
Hydraulik tandhjulspumper
Tandhjulspumper - Gruppe 2
Tandhjulspumpe m. støbejernshus, Casappa Kappa 20
03564040 - KP20.8D0-82E2-LEA/EA-N Kappa pumpe, Casappa
KP20.8D0-82E2-LEA/EA-N Kappa pumpe, Casappa
…
Læs mere
Varenummer:
03564040
Pakke str.:
0 pcs
Min. bestillingsenhed er:
1 pcs
SE ANDRE VARIANTER
4 varianter
Valgt variant:
03564040
03564040 - KP20.8D0-82E2-LEA/EA-N Kappa pumpe, Casappa
Tilbehør (6)
1RD1/2X30 - Nippelflange 1/2" BSP - (4) Boltcirkel 30mm
Varenummer:
1RD1/2X30
1RGD1/2X30 - Vinkelflange 1/2" BSP - (3) Boltcirkel 30mm
Varenummer:
1RGD1/2X30
1RGD3/8X30 - Nippelflange 3/8" BSP - (3) Boltcirkel 30mm
Varenummer:
1RGD3/8X30
DFI1/2X30 - Rørflange 1/2" BSP - (4) Boltcirkel 30mm
Varenummer:
DFI1/2X30
DFI3/8X30 - Rørflange 3/8" BSP - (4) Boltcirkel 30mm
Varenummer:
DFI3/8X30
FI3/8X30 - Gevindflange 3/8" BSP - (4) Boltcirkel 30mm
Varenummer:
FI3/8X30
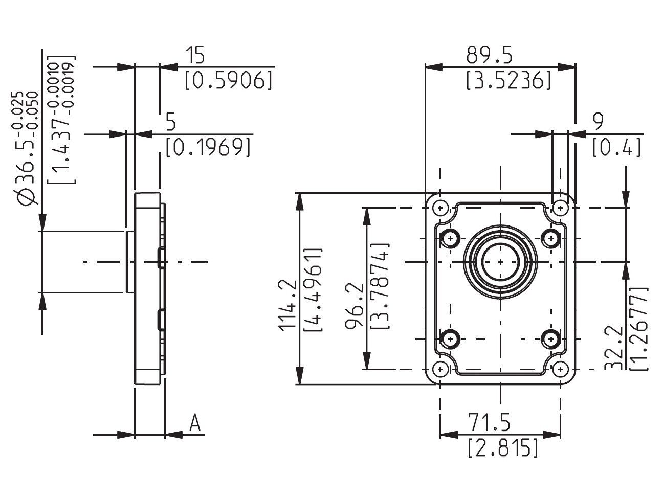
Specifikationer
Dimensioner og forsendelse
Akselkonus
1:8
Akseltype
Konisk
Antal montage huller
4
Fortrængning
8.26 cm3
Forureningsgrad maks.
19/17/14 - ISO 4406
Materiale
Støbejern
Model kode
KP20.8D0-82E2-LEA/EA-N
Monteringsflange
EU37 - 96x72
Mærke navn
Casappa
Olieviskositet anbefalet
12 - 100 cSt
Pakningsmateriale
NBR
Port indgang
EU30
Port udgang
EU30
Pumpegruppe
2
Reces
37,0 mm
Rotationshastighed maks.
3500 rpm
Rotationssretning
Højre (CW)
Tryk intermitterende maks.
300 bar
Tryk kontinuerligt maks.
285 bar
Tryk spids maks.
330 bar
Pakke str.
0 pcs
Stregkode
5704295891866
Brutto vægt
4,69 Kg
Netto vægt
4,69 Kg
Oprindelsesland
ITA
Intrastat varekode
84136031
Produkt information
KP20.8D0-82E2-LEA/EA-N Kappa pumpe, Casappa
Links
Produktkatalog
Produktkatalog
Andre kigger på
20.11.2D - Tandhjulspumpe Casappa Grp2 11.23ccm 1:8 aksel - Højre
20.11.2D - Tandhjulspumpe Casappa Grp2 11.23ccm 1:8 aksel - Højre
Varenummer:
20.11.2D
Pakke str.:
0 pcs
Min. bestillingsenhed er:
1 pcs
20.14D - Tandhjulspumpe Casappa Grp2 14.53ccm 1:8 aksel - Højre
20.14D - Tandhjulspumpe Casappa Grp2 14.53ccm 1:8 aksel - Højre
Varenummer:
20.14D
Pakke str.:
0 pcs
Min. bestillingsenhed er:
1 pcs
2SPA06-D - 2SPA06-D-10-N Hydraulikpumpe, Galtech alu
2SPA06-D - 2SPA06-D-10-N Hydraulikpumpe, Galtech alu
Varenummer:
2SPA06-D
Pakke str.:
0 pcs
Min. bestillingsenhed er:
1 pcs
20.11.2DSAEA - Tandhjulspumpe Casappa Grp2 11.23ccm 9T aksel - Højre
20.11.2DSAEA - Tandhjulspumpe Casappa Grp2 11.23ccm 9T aksel - Højre
Varenummer:
20.11.2DSAEA
Pakke str.:
0 pcs
Min. bestillingsenhed er:
1 pcs
20.16D - Tandhjulspumpe Casappa Grp2 16.85ccm 1:8 aksel - Højre
20.16D - Tandhjulspumpe Casappa Grp2 16.85ccm 1:8 aksel - Højre
Varenummer:
20.16D
Pakke str.:
0 pcs
Min. bestillingsenhed er:
1 pcs
20.08D - Tandhjulspumpe Casappa Grp2 8.26ccm 1:8 aksel - Højre
20.08D - Tandhjulspumpe Casappa Grp2 8.26ccm 1:8 aksel - Højre
Varenummer:
20.08D
Pakke str.:
0 pcs
Min. bestillingsenhed er:
1 pcs
20.20D - Tandhjulspumpe Casappa Grp2 21.14ccm 1:8 aksel - Højre
20.20D - Tandhjulspumpe Casappa Grp2 21.14ccm 1:8 aksel - Højre
Varenummer:
20.20D
Pakke str.:
0 pcs
Min. bestillingsenhed er:
1 pcs
1GP20012297 - Pumpe 2XP-A-160-D-EUR-B-N-10-0-N
1GP20012297 - Pumpe 2XP-A-160-D-EUR-B-N-10-0-N
Varenummer:
1GP20012297
Pakke str.:
0 pcs
Min. bestillingsenhed er:
1 pcs
1GP20012294 - Pumpe 2XP-A-080-D-EUR-B-N-10-0-N
1GP20012294 - Pumpe 2XP-A-080-D-EUR-B-N-10-0-N
Varenummer:
1GP20012294
Pakke str.:
0 pcs
Min. bestillingsenhed er:
1 pcs
01999969 - PLP20.16D0-54B2-LBE/BC-N-EL-FS Polaris pumpe, Casappa
01999969 - PLP20.16D0-54B2-LBE/BC-N-EL-FS Polaris pumpe, Casappa
Varenummer:
01999969
Pakke str.:
0 pcs
Min. bestillingsenhed er:
1 pcs
20.25D - Tandhjulspumpe Casappa Grp2 26.42ccm 1:8 aksel - Højre
20.25D - Tandhjulspumpe Casappa Grp2 26.42ccm 1:8 aksel - Højre
Varenummer:
20.25D
Pakke str.:
0 pcs
Min. bestillingsenhed er:
1 pcs
20.19D - Tandhjulspumpe Casappa Grp2 19.09ccm 1:8 aksel - Højre
20.19D - Tandhjulspumpe Casappa Grp2 19.09ccm 1:8 aksel - Højre
Varenummer:
20.19D
Pakke str.:
0 pcs
Min. bestillingsenhed er:
1 pcs
20.07.2D - Tandhjulspumpe Casappa Grp2 7.29ccm 1:8 aksel - Højre
20.07.2D - Tandhjulspumpe Casappa Grp2 7.29ccm 1:8 aksel - Højre
Varenummer:
20.07.2D
Pakke str.:
0 pcs
Min. bestillingsenhed er:
1 pcs
20.06.3D - Tandhjulspumpe Casappa Grp2 6.61ccm 1:8 aksel - Højre
20.06.3D - Tandhjulspumpe Casappa Grp2 6.61ccm 1:8 aksel - Højre
Varenummer:
20.06.3D
Pakke str.:
0 pcs
Min. bestillingsenhed er:
1 pcs
20.09D - Tandhjulspumpe Casappa Grp2 9.17ccm 1:8 aksel - Højre
20.09D - Tandhjulspumpe Casappa Grp2 9.17ccm 1:8 aksel - Højre
Varenummer:
20.09D
Pakke str.:
0 pcs
Min. bestillingsenhed er:
1 pcs
20.25S - Tandhjulspumpe Casappa Grp2 26.42ccm 1:8 aksel - Venstre
20.25S - Tandhjulspumpe Casappa Grp2 26.42ccm 1:8 aksel - Venstre
Varenummer:
20.25S
Pakke str.:
0 pcs
Min. bestillingsenhed er:
1 pcs
20.16D-SAEA - Tandhjulspumpe Casappa Grp2 16.85ccm 9T aksel - Højre
20.16D-SAEA - Tandhjulspumpe Casappa Grp2 16.85ccm 9T aksel - Højre
Varenummer:
20.16D-SAEA
Pakke str.:
0 pcs
Min. bestillingsenhed er:
1 pcs
1GP20012296 - Pumpe 2XP-A-140-D-EUR-B-N-10-0-N
1GP20012296 - Pumpe 2XP-A-140-D-EUR-B-N-10-0-N
Varenummer:
1GP20012296
Pakke str.:
0 pcs
Min. bestillingsenhed er:
1 pcs
03563980 - KP20.4D0-82E2-LEA/EA-N Kappa pumpe, Casappa
03563980 - KP20.4D0-82E2-LEA/EA-N Kappa pumpe, Casappa
Varenummer:
03563980
Pakke str.:
0 pcs
Min. bestillingsenhed er:
1 pcs
01999865 - PLP20.11,2D0-12B2-LBE/BC-NELFS Polaris pumpe, Casapp
01999865 - PLP20.11,2D0-12B2-LBE/BC-NELFS Polaris pumpe, Casapp
Varenummer:
01999865
Pakke str.:
0 pcs
Min. bestillingsenhed er:
1 pcs
20.31.5D - Tandhjulspumpe Casappa Grp2 33.03ccm 1:8 aksel - Højre
20.31.5D - Tandhjulspumpe Casappa Grp2 33.03ccm 1:8 aksel - Højre
Varenummer:
20.31.5D
Pakke str.:
0 pcs
Min. bestillingsenhed er:
1 pcs
02002392 - PLP20.19D0-03S1-LGE/GD-N-EL-FS SAE-A med spline aksel Polari
02002392 - PLP20.19D0-03S1-LGE/GD-N-EL-FS SAE-A med spline aksel Polari
Varenummer:
02002392
Pakke str.:
0 pcs
Min. bestillingsenhed er:
1 pcs
20.14D-SAEA - Tandhjulspumpe Casappa Grp2 14.53ccm 9T aksel - Højre
20.14D-SAEA - Tandhjulspumpe Casappa Grp2 14.53ccm 9T aksel - Højre
Varenummer:
20.14D-SAEA
Pakke str.:
0 pcs
Min. bestillingsenhed er:
1 pcs
20.25D-SAEA - Tandhjulspumpe Casappa Grp2 26.42ccm 9T aksel - Højre
20.25D-SAEA - Tandhjulspumpe Casappa Grp2 26.42ccm 9T aksel - Højre
Varenummer:
20.25D-SAEA
Pakke str.:
0 pcs
Min. bestillingsenhed er:
1 pcs
01999966 - PLP20.20D0-54B2-LBE/BC-N-EL-FS Polaris pumpe, Casapp
01999966 - PLP20.20D0-54B2-LBE/BC-N-EL-FS Polaris pumpe, Casapp
Varenummer:
01999966
Pakke str.:
0 pcs
Min. bestillingsenhed er:
1 pcs
20.06.3S - Tandhjulspumpe Casappa Grp2 6.61ccm 1:8 aksel - Venstre
20.06.3S - Tandhjulspumpe Casappa Grp2 6.61ccm 1:8 aksel - Venstre
Varenummer:
20.06.3S
Pakke str.:
0 pcs
Min. bestillingsenhed er:
1 pcs
03564020 - KP20.6,3D0-82E2-LEA/EA-N Kappa pumpe, Casappa
03564020 - KP20.6,3D0-82E2-LEA/EA-N Kappa pumpe, Casappa
Varenummer:
03564020
Pakke str.:
0 pcs
Min. bestillingsenhed er:
1 pcs
2SPA22-D - 2SPA22-D-10-N Hydraulikpumpe, Galtech alu
2SPA22-D - 2SPA22-D-10-N Hydraulikpumpe, Galtech alu
Varenummer:
2SPA22-D
Pakke str.:
0 pcs
Min. bestillingsenhed er:
1 pcs
2SPG22-S - 2SPG22-S-10-N Hydraulikpumpe, Galtech stål
2SPG22-S - 2SPG22-S-10-N Hydraulikpumpe, Galtech stål
Varenummer:
2SPG22-S
Pakke str.:
0 pcs
Min. bestillingsenhed er:
1 pcs
01999932 - PLP20.25D0-54B5-LBE/BC-N-EL-FS Polaris pumpe, Casappa
01999932 - PLP20.25D0-54B5-LBE/BC-N-EL-FS Polaris pumpe, Casappa
Varenummer:
01999932
Pakke str.:
0 pcs
Min. bestillingsenhed er:
1 pcs
Varen er allerede tilføjet, hvad ønsker du at gøre?
X
Varen er allerede tilføjet, hvad ønsker du at gøre?
X
Varen er allerede tilføjet, hvad ønsker du at gøre?
X
Varen er allerede tilføjet, hvad ønsker du at gøre?
X
Varen er allerede tilføjet, hvad ønsker du at gøre?
X
Varen er allerede tilføjet, hvad ønsker du at gøre?
X
Copyright © 2026 HydraSpecma