XLS 245 Ø25.5mm 6B Spline SAE-A HPS

Danfoss XLS-serien – Højtydende orbitmotorer

Danfoss XLS-serien er udviklet til krævende mobile og industrielle applikationer, der kræver højt drejningsmoment ved lave omdrejninger.
Med den gennemprøvede Geroler™-orbitteknologi, spoleventilsystem og hydrodynamiske glidelejer leverer XLS-motorerne jævn drift, høj virkningsgrad og lang levetid i et kompakt design.

Alle motorer i denne serie er udstyret med højtryksaksel­tætning og integrerede kontraventiler, som leder olien fra huset tilbage til returporten.
Denne konstruktion reducerer det interne tryk og gør husdrænforbindelsen valgfri – ideel til installationer, hvor plads og enkelhed er vigtigt.

Vigtige fordele
  • Høj virkningsgrad og stabilt drejningsmoment ved lave hastigheder
  • Kompakt og robust konstruktion til mellem­tungt brug
  • Konstant drejningsmoment i begge rotationsretninger
  • Integrerede kontraventiler (husdræn valgfri, ikke påkrævet)
  • Fabriksmonteret højtryksaksel­tætning på alle modeller
  • Stort slagvolumenområde: 50–395 cm³/omdr.
  • Kontinuerligt tryk: op til 175 bar
  • Intermitterende tryk: op til 207 bar
  • Intermitterende drejningsmoment: op til 503 Nm
  • Maksimal hastighed: op til 1193 omdr./min. (afhængig af model)
Typiske anvendelser
  • Personlifte og arbejdsplatforme
  • Snegletransportører, fødere og doseringssystemer
  • Landbrugs- og skovbrugsmaskiner
  • Proces-, emballerings- og materialehåndteringssystemer
  • Græspleje- og landskabsmaskiner
  • Spil, drivsystemer og løftemekanismer
Tekniske data
  • Indgangstryk: op til 225 bar
  • Anbefalet olieviskositet: 20–32 cSt
  • Arbejdstemperatur: –34 °C til +82 °C
  • Gevind til porte: G ½ (tryk) / G ¼ (valgfrit dræn)
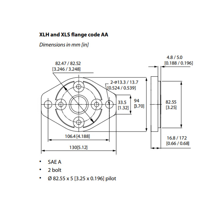
  • Monteringsflange: SAE A, 2-bolts (A2) – Ø82,5 mm centreringsdiameter / Ø106,4 mm boltcirkel
  • Akselvalg: Ø25 mm cylindrisk (kode 10) eller SAE 6B 1" notaksel (kode 07)
  • Akseltætning: Højtrykstype (standard på alle modeller)
  • Kontraventil: Integreret, leder olien til returporten
Bemærkning

Husdrænsporten er valgfri og ikke påkrævet under normale driftsforhold.
Ved højere temperaturer eller store slagvolumener kan en ekstern drænledning anvendes for yderligere at reducere husets tryk og forlænge tætningens levetid.

Varenummer:
036-0503-003

Pakke str.:
0 pcs

Min. bestillingsenhed er:
1 pcs
Bremse RF2/32/DG-RF/288 Input OMR/OMP Output OMR/OMP ø25
Varenummer: 154-2846
Aksel diameter
25,4 mm

Aksel spline
SAE 6B 1"

Akseltype
Spline

Akseltætningstype
Højtrykspakning

Antal montage huller
2

Arbejdsporte
G 1/2 BSP

Boltcirkel
106.4 mm

Dimension H
185 mm

Drænport
G 1/4 BSP

Filtreringskrav
ISO-kode for renlighed 4406:20/18/13

Flangens Styrediameter
82.5 mm

Fortrængning
245 cm3

Forureningsgrad maks.
20/18/13 - ISO 4406

Indgangstryk Maks.
225 bar

Integreret Kontraventil
Ja

Intermittent Effekt Maks.
16.2

Intermittent Flow Maks.
75

Intermittent Moment Maks.
503 Nm

Intermittent Rotationshastighed Maks.
307

Kontinuerlig effekt maks.
10.7 kW

Kontinuerligt Flow Maks.
61

Krav til drænledning
Valgfrit (ikke påkrævet på grund af integrerede kontraventiler)

Længde
185 mm

Maks. driftstemperatur
82 °C

Maks. moment på aksel
340 Nm

Maling
Sort

Model kode
MCS245AA07AA111020A000C00C

Moment kontinuerlig maks.
410 Nm

Monteringsflange
SAE-A2

Mærke navn
Danfoss

Olieviskositet anbefalet
20 - 32 cSt

Portkode
AA

Portplacering
Side

Reces
82,55 mm

Rotationshastighed kontinuerligt maks.
250 rpm

Temperatur maks.
+82 °C

Temperatur min.
-34 °C

Tryk intermitterende maks.
150 bar

Tryk kontinuerligt maks.
120 bar

Udvendigt splineantal
6
Pakke str.
0 pcs

Stregkode

Brutto vægt
Kg

Netto vægt
Kg

Oprindelsesland
chn

Intrastat varekode
84122981

Danfoss XLS-serien – Højtydende orbitmotorer

Danfoss XLS-serien er udviklet til krævende mobile og industrielle applikationer, der kræver højt drejningsmoment ved lave omdrejninger.
Med den gennemprøvede Geroler™-orbitteknologi, spoleventilsystem og hydrodynamiske glidelejer leverer XLS-motorerne jævn drift, høj virkningsgrad og lang levetid i et kompakt design.

Alle motorer i denne serie er udstyret med højtryksaksel­tætning og integrerede kontraventiler, som leder olien fra huset tilbage til returporten.
Denne konstruktion reducerer det interne tryk og gør husdrænforbindelsen valgfri – ideel til installationer, hvor plads og enkelhed er vigtigt.

Vigtige fordele
  • Høj virkningsgrad og stabilt drejningsmoment ved lave hastigheder
  • Kompakt og robust konstruktion til mellem­tungt brug
  • Konstant drejningsmoment i begge rotationsretninger
  • Integrerede kontraventiler (husdræn valgfri, ikke påkrævet)
  • Fabriksmonteret højtryksaksel­tætning på alle modeller
  • Stort slagvolumenområde: 50–395 cm³/omdr.
  • Kontinuerligt tryk: op til 175 bar
  • Intermitterende tryk: op til 207 bar
  • Intermitterende drejningsmoment: op til 503 Nm
  • Maksimal hastighed: op til 1193 omdr./min. (afhængig af model)
Typiske anvendelser
  • Personlifte og arbejdsplatforme
  • Snegletransportører, fødere og doseringssystemer
  • Landbrugs- og skovbrugsmaskiner
  • Proces-, emballerings- og materialehåndteringssystemer
  • Græspleje- og landskabsmaskiner
  • Spil, drivsystemer og løftemekanismer
Tekniske data
  • Indgangstryk: op til 225 bar
  • Anbefalet olieviskositet: 20–32 cSt
  • Arbejdstemperatur: –34 °C til +82 °C
  • Gevind til porte: G ½ (tryk) / G ¼ (valgfrit dræn)
  • Monteringsflange: SAE A, 2-bolts (A2) – Ø82,5 mm centreringsdiameter / Ø106,4 mm boltcirkel
  • Akselvalg: Ø25 mm cylindrisk (kode 10) eller SAE 6B 1" notaksel (kode 07)
  • Akseltætning: Højtrykstype (standard på alle modeller)
  • Kontraventil: Integreret, leder olien til returporten
Bemærkning

Husdrænsporten er valgfri og ikke påkrævet under normale driftsforhold.
Ved højere temperaturer eller store slagvolumener kan en ekstern drænledning anvendes for yderligere at reducere husets tryk og forlænge tætningens levetid.

Bemærk: Åbning af 3D-filer kræver et program der understøtter fil-formatet

HydraSpecma | Nordens bredeste hydraulik sortiment online - dag til dag levering!
Hydrauliske Systemer – Slange- og Rørledningsartikler til væsketransport – Elektrificering – Vedvarende Energi | HydraSpecma

HYDRASPECMA
– DIN PARTNER FRA IDÉ
TIL SERIEPRODUKTION

Hos HydraSpecma er vi specialiserede i at designe og konstruere state-of-the-art hydrauliske og elektriske systemer, der er skræddersyet til at imødekomme vores kunders dynamiske behov.

Vores ekspertise stopper ikke bare der; vi er også førende inden for levering af omfattende løsninger til væsketransport. Fra slanger og rør af høj kvalitet til robuste fittings og adaptere har vi alt, hvad du behøver for at sikre problemfri væskekontrol.

HydraSpecmas ekspertområde omfatter også en stærk produktportefølje til industrien for vedvarende energi, hvor vi kan støtte din virksomhed med markedsførende køleløsninger, smøre- og filtreringssystemer, hydrauliske systemer og slanger, rør og fittings.

Vores passion for innovation matches af vores ansvar for kvalitet. Hvert produkt og system i vores omfattende sortiment er et vidnesbyrd om vores dedikation til kvalitet. Uanset om du har at gøre med komplekse hydrauliske systemer eller leder efter pålidelige komponenter, der kan vi levere den løsning, du søger.

Tag næste skridt med os, og oplev hvor teknik møder præcision, og hvor hver eneste forbindelse, vi skaber, ikke kun handler om komponenter og systemer, men også om mennesker og deres forretninger.

FOR HOS HYDRASPECMA

ER DIN SUCCES VORES SUCCES