Pump S45 FR-L-090C-LS-25-20-NN-N-3-S2V2-A1N-NNN-NNN-NNN

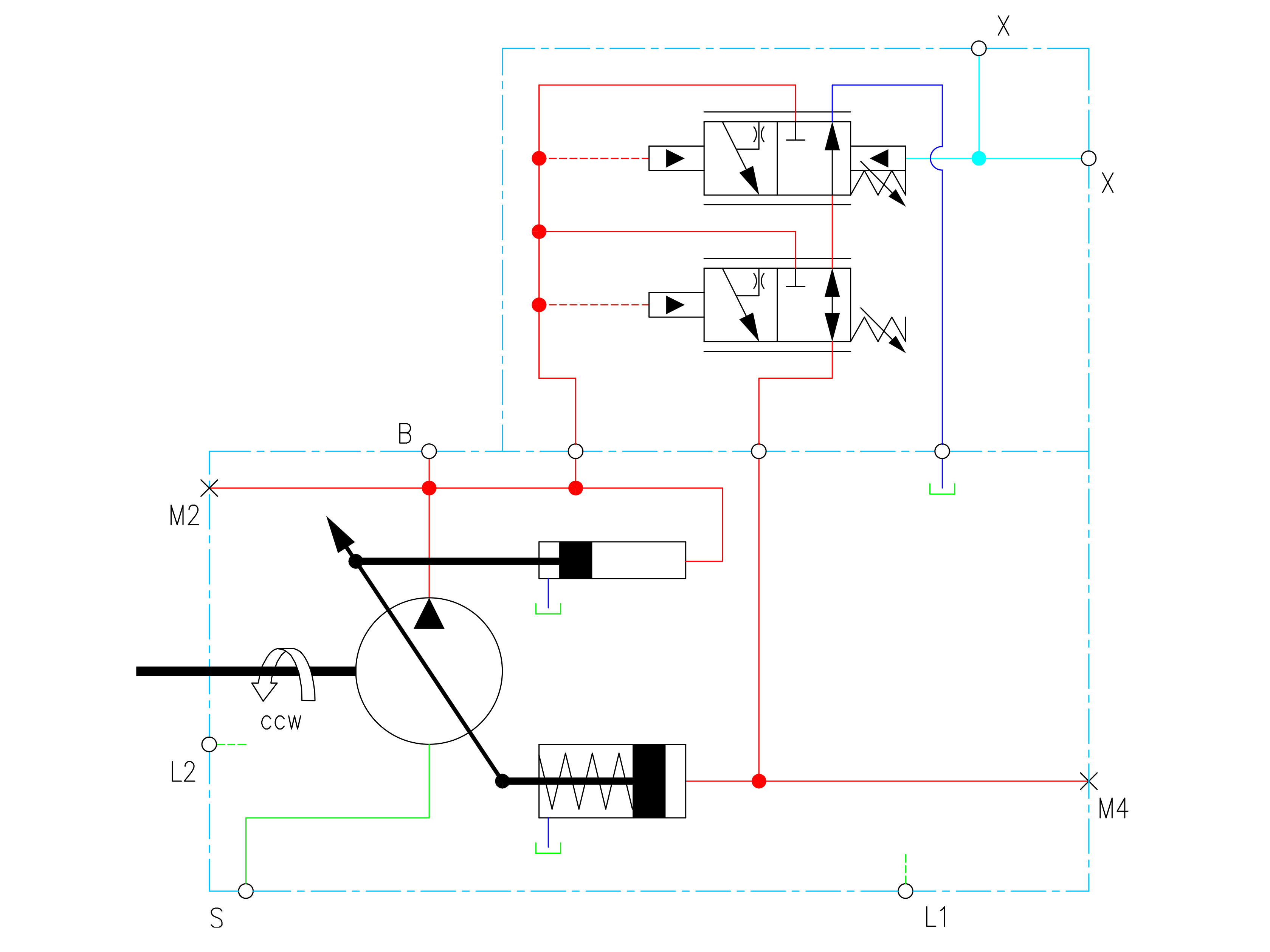
Danfoss S45 variabel piston pump for open circuit.

Regulations: Pressure Compensator, Load sensing, PC controlled pressure.

Connections: SAE flange side connection in endcap.

Shaft- and o-ringsseals in Viton®.

Varenummer:
83028810

Pakke str.:
1 st

Min. bestillingsenhed er:
1 st
AuxMount/EndCap code
V2

Brand Name
Danfoss

Contamination level max.
22/18/13 - ISO 4406

Continuous rotation max.
2200 rpm

Control
Load sensing

Control type
LS

Displacement
90 cm3

Displacement limiter
None

Flange SAE/DIN
3000 PSI

Flange inlet
2 "

Flange outlet
1 "

Holes circle
161.9 mm

Model
Frame F

Model code
FR-L-090C-LS-25-20-NN-N-3-S2V2-A1N-NNN-NNN-NNN

Mounting flange
SAE-C4

Number of mounting holes
4

Number of outer grooves
17

Oil viscocity recommended
9 - 110 cSt

Port position
Side

Pressure continous max.
260 bar

Pressure max.
350 bar

Rear flange
SAE-BB 15T

Recess
127,0 mm

Rotation direction
Left (CCW)

Rotation max. at max. pressure
2200 rpm

Rotational speed max.
2600 rpm

Rotational speed min.
500 rpm

Sensor type
None

Shaft code
S2

Shaft diameter
38,1 mm

Shaft seal material
FKM/FPM (Viton®)

Shaft spline
17T 12/24 SAE-C

Shaft type
Spline

Temperature intermittent max.
+104 °C

Temperature max.
+82 °C

Temperature min.
-40 °C
Pakke str.
1 st

Stregkode
334082

Brutto vægt
Kg

Netto vægt
Kg

Oprindelsesland

Intrastat varekode
84135061

Danfoss S45 variabel piston pump for open circuit.

Regulations: Pressure Compensator, Load sensing, PC controlled pressure.

Connections: SAE flange side connection in endcap.

Shaft- and o-ringsseals in Viton®.

HydraSpecma | Nordens bredeste hydraulik sortiment online - dag til dag levering!
HydraSpecma | Hydrauliske Systemer – Slange- og Rørledningsartikler – Elektrificering – Vedvarende Energi

HYDRASPECMA
– DIN PARTNER FRA IDÉ
TIL SERIEPRODUKTION

Hos HydraSpecma er vi specialiserede i at designe og bygge state-of-the-art hydrauliske og elektriske systemer, skræddersyet til vores kunders forskellige behov på tværs af brancher.

Vores ekspertise stopper ikke bare der. Vi er også førende inden for levering af omfattende slange- & rørledningsartikler – fra højkvalitets slanger og rør til robuste fittings og adaptere – som sikrer problemfri væskekontrol og langtidsholdbar ydeevne.

Vi tilbyder også et stærkt produktudvalg til industrien for vedvarende energi, der understøtter din virksomhed med markedsførende køleløsninger, smøre- og filtreringssystemer, hydrauliske systemer samt slanger, rør og fittings.

Vores passion for innovation matches af vores ansvar for kvalitet. Hvert produkt og system i vores omfattende sortiment afspejler dette. Uanset om du arbejder med komplekse hydrauliske systemer eller søger pålidelige komponenter, leverer vi løsningen, du har brug for.

Tag næste skridt med os og oplev, hvordan præcision og teknik går hånd i hånd – og hvor hver eneste forbindelse handler om mere end komponenter og systemer; det handler om mennesker og deres forretning.

FOR HOS HYDRASPECMA

ER DIN SUCCES VORES SUCCES

KONTAKT HYDRASPECMA