XLH 245 Ø25.5mm 6B Spline SAE-A HPS

Danfoss XLH Series – Robust Orbital Motors for Medium-Duty Applications

The Danfoss XLH series is designed for medium-duty mobile and industrial applications requiring reliable torque output at low speeds.
Based on the proven orbital motor principle with spool-valve distribution and hydrodynamic journal bearings, the XLH delivers efficient, stable, and durable performance in a compact and cost-effective design.

Each motor in the XLH range features a high-pressure shaft seal and rugged steel construction optimized for reliability and ease of installation. With SAE A 2-bolt flange mounting, multiple shaft options, and straightforward port configurations, the XLH provides flexibility across a wide range of hydraulic systems.

Key Advantages
  • High efficiency and consistent torque at low speeds
  • Compact and durable design for medium-duty operation
  • Equal torque in both rotational directions
  • Hydrodynamic journal bearings ensure long service life
  • High-pressure shaft seal as standard on all models
  • Wide displacement range: 50 – 485 cm³/rev
  • Continuous pressure: up to 124 bar
  • Intermittent pressure: up to 138 bar
  • Continuous torque: up to 426 Nm
  • Intermittent torque: up to 547 Nm
  • Speed capability: up to 800 rpm (depending on model)
Typical Applications
  • Aerial work platforms and lifts
  • Augers, mixers, and sweepers
  • Conveyors and material-handling systems
  • Agricultural and forestry equipment
  • Turf care and landscaping machinery
  • Winches, drives, and auxiliary mechanisms
Technical Highlights
  • Inlet pressure: up to 150 bar
  • Recommended oil viscosity: 20–32 cSt
  • Operating temperature: –30 °C to +82 °C
  • Filtration: ISO 4406: 20/18/13
  • Port threads: G ½ (pressure) / G ¼ (drain)
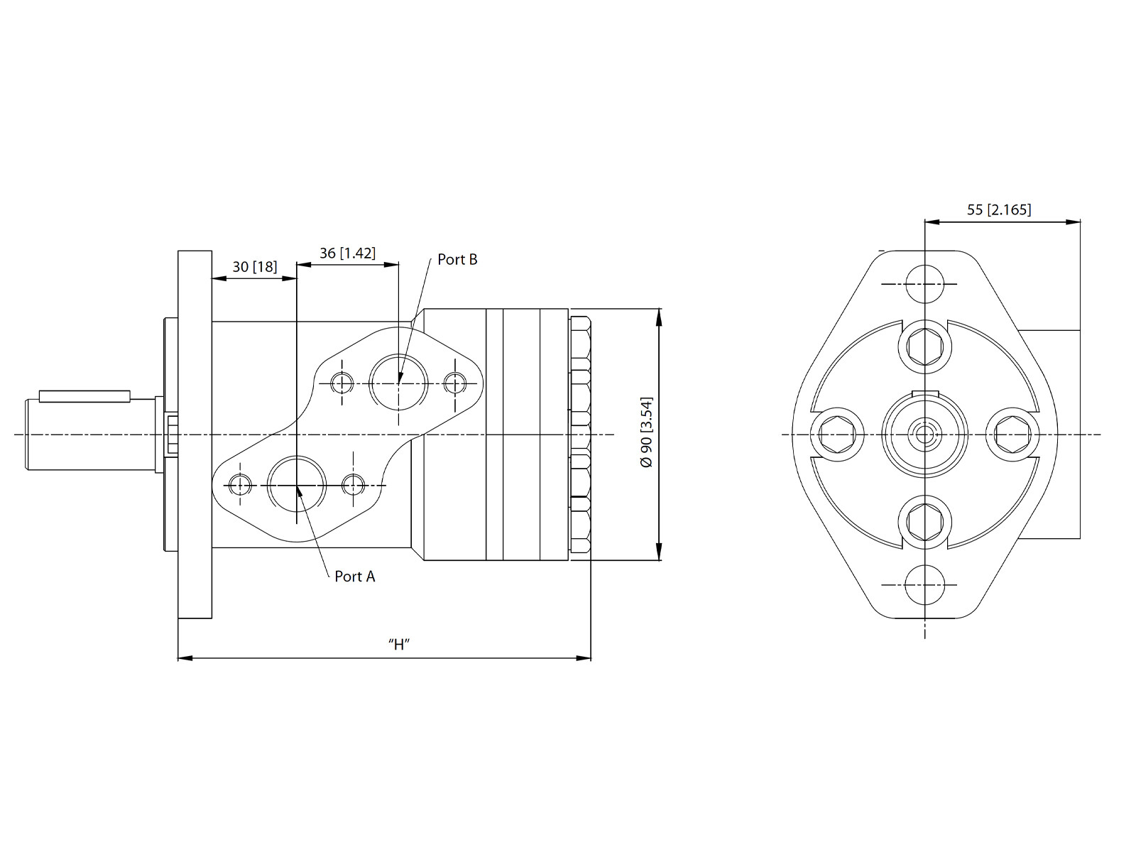
  • Mounting flange: SAE A 2-bolt (A2) – Ø 82.5 mm pilot / Ø 106.4 mm bolt circle
  • Shaft options: Ø 25 mm straight (code 10) or SAE 6B 1" spline (code 07)
  • Shaft seal: High-pressure type (standard)
Note

For continuous high-pressure or high-temperature operation, connecting an external case drain line is recommended to maintain low case pressure and extend seal life.

Artikelnummer:
016-0538-003

Förpackningsstorlek:
1 st

Minsta beställningskvantitet:
1 st
Antal monteringshål
2

Arbetsportar
G 1/2 BSP

Axel diameter
25,4 mm

Axel spline
SAE 6B 1"

Axeltyp
Spline 6B 1" (07)

Bultcirkel
106.4 mm

Deplacement
245 cm3

Dimension H
169 mm

Dräneringsport
G 1/4 BSP

Filtreringskrav
ISO cleanliness code 4406:20/18/13

Flänsens styrdiameter
82.5 mm

Färg
Black

Föroreningsgrad max.
20/18/13 - ISO 4406

Ingångstryck Max.
150

Integrerad backventil
No

Intermittent Rotationshastighet Max.
282

Intermittent flöde Max.
68

Intermittent vridmoment Max.
391 Nm

Kont. rotation max.
234 rpm

Kontinuerligt flöde Max.
57

Krav på dräneringsledning
Recommended (Required under high case pressure)

Längd
169 mm

Max. driftstemperatur
82 °C

Max. vridmoment på axel
340 Nm

Modell kod
MCH245AA07AA110020A000C00C

Moment kontinuerlig max.
318 Nm

Monteringsfläns
SAE-A2

Märke namn
Danfoss

Oljeviskositet rekommanderad
20 - 32 cSt

Portkod
AA

Portplacering
Side

Reces
82,55 mm

Temperatur max.
+180 °C

Temperatur min.
-30 °C

Tryck intermittent max.
124 bar

Tryck kontinuerlig max.
100 bar

Typ av axeltätning
High pressure packing
Förpackningsstorlek
1 st

Streckkod
485130

Bruttovikt
Kg

Nettovikt
Kg

Ursprungsland
chn

Intrastat artikelkod
84122981

Danfoss XLH Series – Robust Orbital Motors for Medium-Duty Applications

The Danfoss XLH series is designed for medium-duty mobile and industrial applications requiring reliable torque output at low speeds.
Based on the proven orbital motor principle with spool-valve distribution and hydrodynamic journal bearings, the XLH delivers efficient, stable, and durable performance in a compact and cost-effective design.

Each motor in the XLH range features a high-pressure shaft seal and rugged steel construction optimized for reliability and ease of installation. With SAE A 2-bolt flange mounting, multiple shaft options, and straightforward port configurations, the XLH provides flexibility across a wide range of hydraulic systems.

Key Advantages
  • High efficiency and consistent torque at low speeds
  • Compact and durable design for medium-duty operation
  • Equal torque in both rotational directions
  • Hydrodynamic journal bearings ensure long service life
  • High-pressure shaft seal as standard on all models
  • Wide displacement range: 50 – 485 cm³/rev
  • Continuous pressure: up to 124 bar
  • Intermittent pressure: up to 138 bar
  • Continuous torque: up to 426 Nm
  • Intermittent torque: up to 547 Nm
  • Speed capability: up to 800 rpm (depending on model)
Typical Applications
  • Aerial work platforms and lifts
  • Augers, mixers, and sweepers
  • Conveyors and material-handling systems
  • Agricultural and forestry equipment
  • Turf care and landscaping machinery
  • Winches, drives, and auxiliary mechanisms
Technical Highlights
  • Inlet pressure: up to 150 bar
  • Recommended oil viscosity: 20–32 cSt
  • Operating temperature: –30 °C to +82 °C
  • Filtration: ISO 4406: 20/18/13
  • Port threads: G ½ (pressure) / G ¼ (drain)
  • Mounting flange: SAE A 2-bolt (A2) – Ø 82.5 mm pilot / Ø 106.4 mm bolt circle
  • Shaft options: Ø 25 mm straight (code 10) or SAE 6B 1" spline (code 07)
  • Shaft seal: High-pressure type (standard)
Note

For continuous high-pressure or high-temperature operation, connecting an external case drain line is recommended to maintain low case pressure and extend seal life.

Obs: För att öppna 3D-filer krävs ett program som stöder filformatet

HydraSpecma | Nordens bredeste hydraulik sortiment online - dag til dag levering!
HydraSpecma | Hydrauliske Systemer – Slange- og Rørledningsartikler – Elektrificering – Vedvarende Energi

HYDRASPECMA
– DIN PARTNER FRA IDÉ
TIL SERIEPRODUKTION

Hos HydraSpecma er vi specialiserede i at designe og bygge state-of-the-art hydrauliske og elektriske systemer, skræddersyet til vores kunders forskellige behov på tværs af brancher.

Vores ekspertise stopper ikke bare der. Vi er også førende inden for levering af omfattende slange- & rørledningsartikler – fra højkvalitets slanger og rør til robuste fittings og adaptere – som sikrer problemfri væskekontrol og langtidsholdbar ydeevne.

Vi tilbyder også et stærkt produktudvalg til industrien for vedvarende energi, der understøtter din virksomhed med markedsførende køleløsninger, smøre- og filtreringssystemer, hydrauliske systemer samt slanger, rør og fittings.

Vores passion for innovation matches af vores ansvar for kvalitet. Hvert produkt og system i vores omfattende sortiment afspejler dette. Uanset om du arbejder med komplekse hydrauliske systemer eller søger pålidelige komponenter, leverer vi løsningen, du har brug for.

Tag næste skridt med os og oplev, hvordan præcision og teknik går hånd i hånd – og hvor hver eneste forbindelse handler om mere end komponenter og systemer; det handler om mennesker og deres forretning.

FOR HOS HYDRASPECMA

ER DIN SUCCES VORES SUCCES

KONTAKT HYDRASPECMA