Webshop
webshop
x
Hovednummer
+45 9735 0599
Dansk
CHOOSE REGION:
I am from
Denmark
Sweden
Finland
CHOOSE LANGUAGE:
Danish
English
Swedish
English
Suomi
Fandt 0
Resultater
Produkter
Vis alle resultater (0)
Kategorier
Log ind
Bliv kunde
Menu
Akkumulatorer
Akkumulator - Blære
Akkumulator - Membran
Akkumulator - tilbehør og reservedele
Cylindre
Bremsecylinder
Cylinder - Dobbeltvirkende
Cylinder - Enkeltvirkende
Cylinder - Reservedele & løsdele
El-dele
Batterier
Betjeningspaneler
Controllers (Plus+1®)
Displays
El-styringer
Elektriske moduler
Gateways og dele
Joysticks og tilbehør
Magnetspoler
Pressostater
Radiostyringer
Sensorer
Stik og connectorer
Filter og filtrering
Filtreringsenhed
Påfyldnings- og udluftningsfiltre
Returfilter
Spin-on filter
Sugesi
Tilbehør til filtre
Trykfiltre
Fittings og nipler
JIS fittings
Nipler
Nipler, rustfri
ORFS fittings
Skæreringsfittings
Skæreringsfittings, rustfri
Svirvler (drejeled)
Udkravningsfittings
Udkravningsfittings, rustfri
Flanger
Påspændingsflanger
SAE flanger
Hydraulikrør
Hydraulikrør - Galvaniseret
Hydraulikrør - Rustfri AISI304
Hydraulikrør - Rustfri/Syrefast AISI316
Hydraulikrør - Sort (Fosfateret)
Hydraulikslange koblinger
Hydraulikslange Kapper
Hydraulikslange indstik - 2 delt
Hydraulikslange koblinger - One piece
Hydraulikslange skruekoblinger
Lavtryksdele
WEO Plug-in slangekoblinger og -nipler
Hydraulikslanger
Hydraulikslange - 1SC og 1SN
Hydraulikslange - 2SC og 2SN
Hydraulikslange - 3SK
Hydraulikslange - 4SH og 4SP
Hydraulikslange - Hardcover og MegaTuff
Hydraulikslange - Højtemperatur
Hydraulikslange - Twin slanger
Hydraulikslange tilbehør
Højtryksrenseslanger
Termoplastslanger
Industrislanger og koblinger
Elaflex gummikompensator
Industrislange tilbehør
Industrislanger
Koblinger og adaptere
Preskappe til levnedsmiddelslange
Spændebånd
Lynkoblinger
Lynkoblinger - Hydraulik
Lynkoblinger - Vand, Luft, Gas
Multikoblinger
Maskiner og værktøj
Butikssortiment
Formontage og udkravning værktøj
Gevind identifikations plader
Hydraulik slangepresser
Håndværktøj
Rørbukker og savekasse
Slange- og rørrensning
Slangeafskrælning
Slangeafskæring
Slangereoler og ophæng
Motorer og flowdelere
Elmotorer
Hydraulikmotor
Mængdedelere
Styreorbitroler, rat og ratstammer
Oliekølere
Oliekøler - Tilbehør
Oliekøler m. AC-motor
Oliekøler m. DC-motor
Oliekøler m. cirkulationspumpe
Pakninger
Andre pakninger
O-ringe
Pakningssortimenter
USIT-, kobber- og ED-pakninger
Powerpacks og Hydrauliktanke
Power pack - Komplette
Power pack - Reservedele og Tilbehør
Pumper
Hydraulik håndpumper
Hydraulik luftpumper
Hydraulik stempelpumpe
Hydraulik tandhjulspumper
Hydraulik vingepumper
Tandhjulspumper - Indvendig fortandet
Rørholdere
Bæreskinner - U-Bolte
Gummi clamps
Piggyback clamps
Rørholder - DIN3015-1 - Standard
Rørholder - DIN3015-2 - Svær
Rørholder - DIN3015-3 - Dobbelt
Rørholder - Letvægtstype
Rørholder - m. gummi bøsning
Rørholdere - Rust forebyggende
Test og måleudstyr
Flowmålere
Manometer
Manometersæt i kuffert
Testlynkoblinger
Testnipler
Testslanger
Testudstyr
Transmission
Bremse til orbitmotorer
Forsatslejer
Gear
Klokker
Klokoblinger
Koblinger, udrykker
SITEX koblinger
Splinebøsninger
Ventiler
Danfoss MVB ventilsystem
Inline service ventiler (kontra, flow og tryk)
Kuglehaner
NG/CETOP ventiler
Omskifterventiler inline
Patronventiler
Proportionalventiler og tilbehør
Retningsventiler
Ventilblokke
Walvoil SDE system
Restsalg
Slangekonfigurator
Hovedmenu
Min side
MARKEDSOMRÅDER
HYDRAULISKE SYSTEMER
SLANGE- & RØRLEDNINGSARTIKLER
ELEKTRIFICERING
VEDVARENDE ENERGI
FORRETNINGSOMRÅDER
EFTERMARKED
LANDBRUG
ERHVERVSKØRETØJER
ENTREPRENØRMASKINER
FORSVAR
ENERGI
SKOVBRUG
GENEREL INDUSTRI
SØFART
MATERIALEHÅNDTERING
OFFSHORE
PAPIR & PAPIRMASSE
STÅL- & MINEDRIFT
LASTBIL- & TRAILERTILPASNINGER
VINDENERGI
KOMPONENTER
ADAPTERE & FITTINGS
KOBLINGER
LYNKOBLINGER
HYDRAULIKSLANGER
RØRSYSTEMER
PUMPER
VENTILER
ELEKTRONISKE KOMPONENTER
MOTORER & STYREENHEDER
SERVICES
WEBSHOP & EASY ORDERING
HYDRASPECMA BUTIKKER
DANFOSS BUILD CENTER
END-TO-END
SIMSYSTEMS
HYDRAULIKSLANGEPRODUKTION
FLUSH & JETCLEAN
TERMISK AFGRATNING
RØRPRODUKTION
DESIGN & TEKNIK
RENHED & KVALITET
LØSNINGER
PUMPESTATIONER
HIC & MANIFOLDBLOKKE
CENTRALSMØRING
SYSTEMLEVERANDØR
HYDRA DRIVE SYSTEM
LEVERANDØRER
ATOS
CASAPPA
DANFOSS POWER SOLUTIONS
DUPLOMATIC MOTION SOLUTIONS
FASTER
GATES
GROENEVELD-BEKA
I.M.M. HYDRAULICS
IMPRO FLUIDTEK
LILLBACKA FINN-POWER
MHA ZENTGRAF
MP FILTRI
REGGIANA RIDUTTORI
STAUFF
SUN HYDRAULICS
TECFLUID
VOLZ
WALVOIL
OM OS
LEDELSEN
HISTORIE
BÆREDYGTIGHED & ESG
VÆRDIER
POLITIKKER
CERTIFICERINGER
INSIGHTS & MEDIA
NYHEDER
VIDEN & INDSIGT
KUNDECASES
EVENTS
VEJLEDNINGER
JOB & KARRIERE
KONTAKT OS
DANMARK
SVERIGE
FINLAND
RENEWABLES
DATTERSELSKABER
VORES BUTIKKER
KUNDESERVICE
KOMPONENTER
ADAPTERE & FITTINGS
KOBLINGER
LYNKOBLINGER
HYDRAULIKSLANGER
RØRSYSTEMER
PUMPER
VENTILER
ELEKTRONISKE KOMPONENTER
MOTORER & STYREENHEDER
SERVICES
WEBSHOP & EASY ORDERING
HYDRASPECMA BUTIKKER
DANFOSS BUILD CENTER
END-TO-END
SIMSYSTEMS
HYDRAULIKSLANGEPRODUKTION
FLUSH & JETCLEAN
TERMISK AFGRATNING
RØRPRODUKTION
DESIGN & TEKNIK
RENHED & KVALITET
LØSNINGER
PUMPESTATIONER
HIC & MANIFOLDBLOKKE
CENTRALSMØRING
SYSTEMLEVERANDØR
HYDRA DRIVE SYSTEM
LEVERANDØRER
ATOS
CASAPPA
DANFOSS POWER SOLUTIONS
DUPLOMATIC MOTION SOLUTIONS
FASTER
GATES
GROENEVELD-BEKA
I.M.M. HYDRAULICS
IMPRO FLUIDTEK
LILLBACKA FINN-POWER
MHA ZENTGRAF
MP FILTRI
REGGIANA RIDUTTORI
STAUFF
SUN HYDRAULICS
TECFLUID
VOLZ
WALVOIL
OM OS
LEDELSEN
HISTORIE
BÆREDYGTIGHED & ESG
VÆRDIER
POLITIKKER
CERTIFICERINGER
INSIGHTS & MEDIA
NYHEDER
VIDEN & INDSIGT
KUNDECASES
EVENTS
VEJLEDNINGER
JOB & KARRIERE
KONTAKT OS
DANMARK
SVERIGE
FINLAND
RENEWABLES
DATTERSELSKABER
VORES BUTIKKER
KUNDESERVICE
Du er her:
Produkter
Fittings og nipler
Nipler
Nipler - 90° grader vinkler
Vinkel - 90° - BSP x BSP omløber
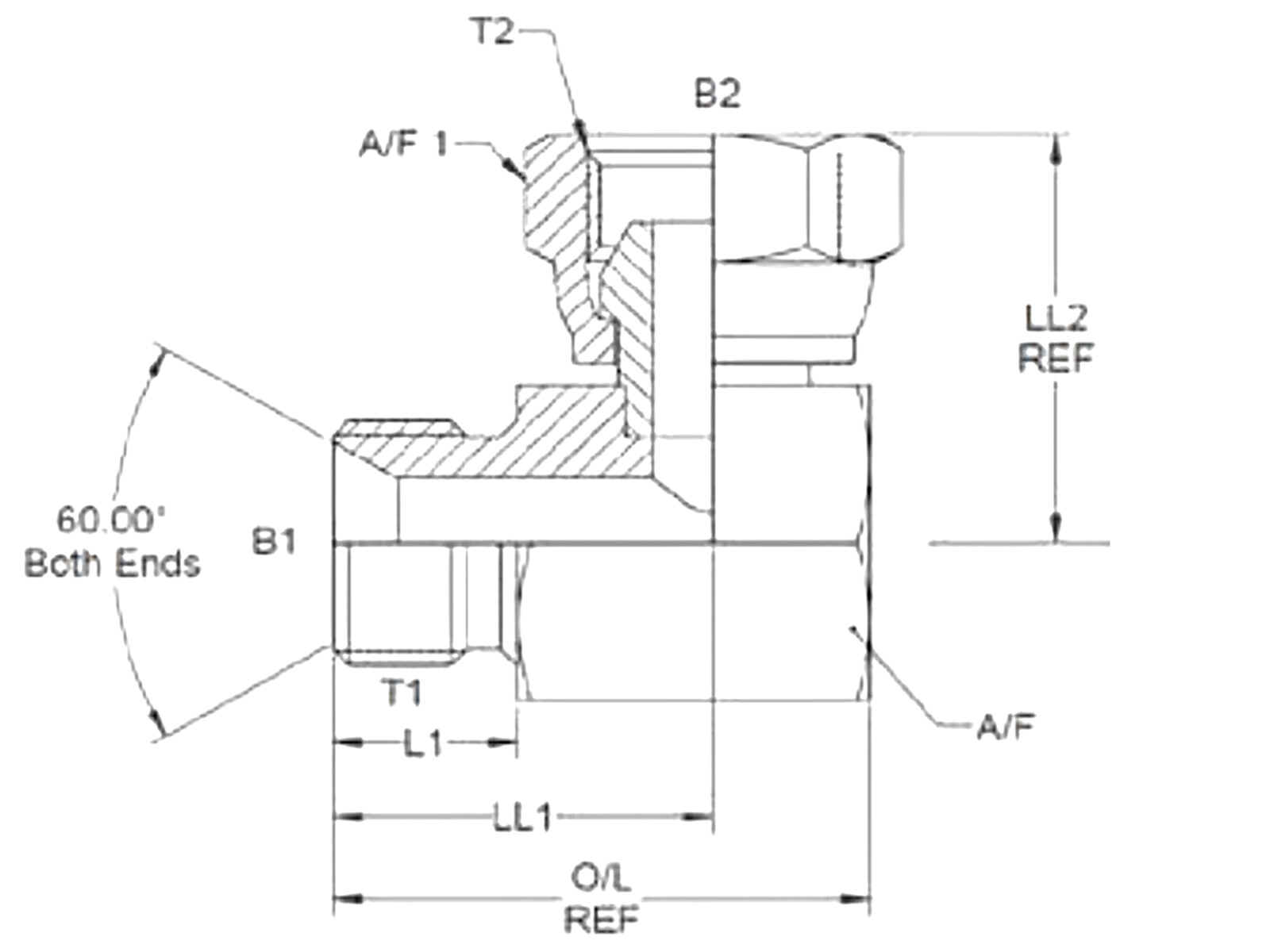
16BP10SP - Vinkel 5/8 BSP Smedet udførelse for pakring
Vinkel 5/8 BSP Smedet udførelse for pakring
…
Læs mere
Varenummer:
16BP10SP
Pakke str.:
0 pcs
Min. bestillingsenhed er:
1 pcs
SE ANDRE VARIANTER
9 varianter
Valgt variant:
16BP10SP
16BP10SP - Vinkel 5/8 BSP Smedet udførelse for pakring
Specifications
Dimensions and shipping
Gevind indvendig
G 5/8 BSP
Gevind udvendig
G 5/8 BSP
Materiale
Stål
Mærke navn
Hydraspecma
Overfladebehandling
El-forzinket
Vinkel
90 °
Package size
0 pcs
Barcode
5704334310754
Gross weight
0,25 Kg
Net weight
0,25 Kg
Country of origin
GBR
Intrastat code
73071110
Product information
Vinkel 5/8 BSP Smedet udførelse for pakring
Produkt datablad
Frequently bought together with
132FS10 - Skotgennemføring 1" ORFS
132FS10 - Skotgennemføring 1" ORFS
Partnumber:
132FS10
Package size:
0 pcs
Min. order quantity is:
1 pcs
132FS06 - Skotgennemføring 11/16" ORFS
132FS06 - Skotgennemføring 11/16" ORFS
Partnumber:
132FS06
Package size:
0 pcs
Min. order quantity is:
1 pcs
132FS12 - Skotgennemføring 1.3/16" ORFS
132FS12 - Skotgennemføring 1.3/16" ORFS
Partnumber:
132FS12
Package size:
0 pcs
Min. order quantity is:
1 pcs
FXT12L - T samler - ø12L
FXT12L - T samler - ø12L
Partnumber:
FXT12L
Package size:
1 pcs
Min. order quantity is:
1 pcs
132FS16 - Skotgennemføring 1.7/16" ORFS
132FS16 - Skotgennemføring 1.7/16" ORFS
Partnumber:
132FS16
Package size:
0 pcs
Min. order quantity is:
1 pcs
132FS08 - Skotgennemføring 13/16" ORFS
132FS08 - Skotgennemføring 13/16" ORFS
Partnumber:
132FS08
Package size:
0 pcs
Min. order quantity is:
1 pcs
132FS04 - Skotgennemføring 9/16" ORFS
132FS04 - Skotgennemføring 9/16" ORFS
Partnumber:
132FS04
Package size:
0 pcs
Min. order quantity is:
1 pcs
PP45-D - Bonded seal - 21.54x28.58x2.50 - 1/2"BSP
PP45-D - Bonded seal - 21.54x28.58x2.50 - 1/2"BSP
Partnumber:
PP45-D
Package size:
100 pcs
Min. order quantity is:
1 pcs
PP45-C - Bonded seal - 17.28x23.80x2.00 - 3/8"BSP
PP45-C - Bonded seal - 17.28x23.80x2.00 - 3/8"BSP
Partnumber:
PP45-C
Package size:
100 pcs
Min. order quantity is:
1 pcs
PP45-B - Bonded seal - 13.74x20.57x2.00 - 1/4"BSP & 1/2"UNF
PP45-B - Bonded seal - 13.74x20.57x2.00 - 1/4"BSP & 1/2"UNF
Partnumber:
PP45-B
Package size:
100 pcs
Min. order quantity is:
1 pcs
PP45-F - Bonded seal - 27.05x34.93x2.5 - 3/4"BSP
PP45-F - Bonded seal - 27.05x34.93x2.5 - 3/4"BSP
Partnumber:
PP45-F
Package size:
100 pcs
Min. order quantity is:
1 pcs
PP45-H - Bonded seal - 33.89x42.80x3.2 - 1"BSP 1.5/16"UN
PP45-H - Bonded seal - 33.89x42.80x3.2 - 1"BSP 1.5/16"UN
Partnumber:
PP45-H
Package size:
50 pcs
Min. order quantity is:
1 pcs
PP45-J - Bonded seal - 42.93x52.38x3,2 - 1.1/4"BSP & 1.5/8"UN
PP45-J - Bonded seal - 42.93x52.38x3,2 - 1.1/4"BSP & 1.5/8"UN
Partnumber:
PP45-J
Package size:
50 pcs
Min. order quantity is:
1 pcs
PP45-M - Bonded seal - 60.60x73.00x3.20 - 2"BSP
PP45-M - Bonded seal - 60.60x73.00x3.20 - 2"BSP
Partnumber:
PP45-M
Package size:
25 pcs
Min. order quantity is:
1 pcs
PP45-A - Bonded seal - 10.30x15.90x2 - 1/8"BSP & 3/8"UN
PP45-A - Bonded seal - 10.30x15.90x2 - 1/8"BSP & 3/8"UN
Partnumber:
PP45-A
Package size:
100 pcs
Min. order quantity is:
1 pcs
PP45-E - Bonded seal - 23.49x31.75x2.50 - 5/8"BSP & 7/8"UN
PP45-E - Bonded seal - 23.49x31.75x2.50 - 5/8"BSP & 7/8"UN
Partnumber:
PP45-E
Package size:
100 pcs
Min. order quantity is:
1 pcs
PP45-K - Bonded seal - 48.44x58.60x3.20 - 1.1/2" & 1.7/8"UN
PP45-K - Bonded seal - 48.44x58.60x3.20 - 1.1/2" & 1.7/8"UN
Partnumber:
PP45-K
Package size:
25 pcs
Min. order quantity is:
1 pcs
PP45M-16 - Bonded seal - 16.70x24.00x1.50 - M16
PP45M-16 - Bonded seal - 16.70x24.00x1.50 - M16
Partnumber:
PP45M-16
Package size:
100 pcs
Min. order quantity is:
1 pcs
PP45M-42 - Bonded seal - 42.70x53.00x3.00 - M42
PP45M-42 - Bonded seal - 42.70x53.00x3.00 - M42
Partnumber:
PP45M-42
Package size:
100 pcs
Min. order quantity is:
1 pcs
PP45M-22 - Bonded seal - 22.70x30.00x2.00 - M22
PP45M-22 - Bonded seal - 22.70x30.00x2.00 - M22
Partnumber:
PP45M-22
Package size:
100 pcs
Min. order quantity is:
1 pcs
PP45-20.7 - Bonded seal - 20.70x28.00x1.50 - M20
PP45-20.7 - Bonded seal - 20.70x28.00x1.50 - M20
Partnumber:
PP45-20.7
Package size:
100 pcs
Min. order quantity is:
1 pcs
PP45-P - Bonded seal - 76.08x90.17x3.2 - 2.1/2"BSP
PP45-P - Bonded seal - 76.08x90.17x3.2 - 2.1/2"BSP
Partnumber:
PP45-P
Package size:
20 pcs
Min. order quantity is:
1 pcs
PP45M-10 - Bonded seal - 10.70x16.00x1.50 - M10
PP45M-10 - Bonded seal - 10.70x16.00x1.50 - M10
Partnumber:
PP45M-10
Package size:
100 pcs
Min. order quantity is:
1 pcs
PP45M-18 - Bonded seal - 18.70x26.00x1.50 - M18
PP45M-18 - Bonded seal - 18.70x26.00x1.50 - M18
Partnumber:
PP45M-18
Package size:
100 pcs
Min. order quantity is:
1 pcs
PP45M-12 - Bonded seal - 12.70x18.00x1.50 - M12
PP45M-12 - Bonded seal - 12.70x18.00x1.50 - M12
Partnumber:
PP45M-12
Package size:
100 pcs
Min. order quantity is:
1 pcs
PP45M-20 - Bonded seal - 20.70x28.00x1.50 - M20
PP45M-20 - Bonded seal - 20.70x28.00x1.50 - M20
Partnumber:
PP45M-20
Package size:
100 pcs
Min. order quantity is:
1 pcs
PP45-L - Bonded seal - 54.90x69.90x3.20 - 1.3/4"BSP & 2.1/8"UN
PP45-L - Bonded seal - 54.90x69.90x3.20 - 1.3/4"BSP & 2.1/8"UN
Partnumber:
PP45-L
Package size:
25 pcs
Min. order quantity is:
1 pcs
PP45-07 - Bonded seal - 8.64x14.22x1.2 - 5/16"UN
PP45-07 - Bonded seal - 8.64x14.22x1.2 - 5/16"UN
Partnumber:
PP45-07
Package size:
100 pcs
Min. order quantity is:
1 pcs
PP45M-30 - Bonded seal - 31.00x39.00x2.00 - M30
PP45M-30 - Bonded seal - 31.00x39.00x2.00 - M30
Partnumber:
PP45M-30
Package size:
100 pcs
Min. order quantity is:
1 pcs
PP45-G - Bonded seal - 30.81X38.10X2.5 - 1.3/16"UN
PP45-G - Bonded seal - 30.81X38.10X2.5 - 1.3/16"UN
Partnumber:
PP45-G
Package size:
100 pcs
Min. order quantity is:
1 pcs
Others has been looking for
01BP04 - Brystnippel 1/4" BSP
01BP04 - Brystnippel 1/4" BSP
Partnumber:
01BP04
Package size:
0 pcs
Min. order quantity is:
1 pcs
01BP08 - Brystnippel 1/2" BSP
01BP08 - Brystnippel 1/2" BSP
Partnumber:
01BP08
Package size:
0 pcs
Min. order quantity is:
1 pcs
01BP06 - Brystnippel 3/8" BSP
01BP06 - Brystnippel 3/8" BSP
Partnumber:
01BP06
Package size:
0 pcs
Min. order quantity is:
1 pcs
02BP0806 - Brystnippel 1/2" x 3/8" BSP
02BP0806 - Brystnippel 1/2" x 3/8" BSP
Partnumber:
02BP0806
Package size:
10 pcs
Min. order quantity is:
1 pcs
02BP1208 - Brystnippel 3/4" x 1/2" BSP
02BP1208 - Brystnippel 3/4" x 1/2" BSP
Partnumber:
02BP1208
Package size:
0 pcs
Min. order quantity is:
1 pcs
04BP08 - Nippel med omløber 1/2 BSP
04BP08 - Nippel med omløber 1/2 BSP
Partnumber:
04BP08
Package size:
0 pcs
Min. order quantity is:
1 pcs
20BP06 - Muffe 3/8 BSP
20BP06 - Muffe 3/8 BSP
Partnumber:
20BP06
Package size:
0 pcs
Min. order quantity is:
1 pcs
16BP06 - Vinkel 3/8 BSP Støbt udførelse
16BP06 - Vinkel 3/8 BSP Støbt udførelse
Partnumber:
16BP06
Package size:
0 pcs
Min. order quantity is:
1 pcs
02BP0804 - Brystnippel 1/2" x 1/4" BSP
02BP0804 - Brystnippel 1/2" x 1/4" BSP
Partnumber:
02BP0804
Package size:
10 pcs
Min. order quantity is:
1 pcs
32BP08 - Skotgennemføring, 1/2 BSP
32BP08 - Skotgennemføring, 1/2 BSP
Partnumber:
32BP08
Package size:
0 pcs
Min. order quantity is:
1 pcs
20BP04 - Muffe 1/4 BSP
20BP04 - Muffe 1/4 BSP
Partnumber:
20BP04
Package size:
0 pcs
Min. order quantity is:
1 pcs
02BP1612 - Brystnippel 1" x 3/4" BSP
02BP1612 - Brystnippel 1" x 3/4" BSP
Partnumber:
02BP1612
Package size:
0 pcs
Min. order quantity is:
1 pcs
04BP04 - Nippel med omløber 1/4 BSP
04BP04 - Nippel med omløber 1/4 BSP
Partnumber:
04BP04
Package size:
0 pcs
Min. order quantity is:
1 pcs
16BP12 - Vinkel 3/4 BSP Støbt udførelse
16BP12 - Vinkel 3/4 BSP Støbt udførelse
Partnumber:
16BP12
Package size:
0 pcs
Min. order quantity is:
1 pcs
02BP0604 - Brystnippel 3/8" x 1/4" BSP
02BP0604 - Brystnippel 3/8" x 1/4" BSP
Partnumber:
02BP0604
Package size:
0 pcs
Min. order quantity is:
1 pcs
04BP16 - Nippel med omløber 1 BSP
04BP16 - Nippel med omløber 1 BSP
Partnumber:
04BP16
Package size:
0 pcs
Min. order quantity is:
1 pcs
16BP08SP - Vinkel 1/2 BSP, kort
16BP08SP - Vinkel 1/2 BSP, kort
Partnumber:
16BP08SP
Package size:
0 pcs
Min. order quantity is:
1 pcs
52BP06 - Banjobolt 3/8 BSP 31MM
52BP06 - Banjobolt 3/8 BSP 31MM
Partnumber:
52BP06
Package size:
0 pcs
Min. order quantity is:
1 pcs
15BP12 - Tee 3/4 BSP Støbt udførelse
15BP12 - Tee 3/4 BSP Støbt udførelse
Partnumber:
15BP12
Package size:
0 pcs
Min. order quantity is:
1 pcs
32BP06 - Skotgennemføring, 3/8 BSP
32BP06 - Skotgennemføring, 3/8 BSP
Partnumber:
32BP06
Package size:
0 pcs
Min. order quantity is:
1 pcs
01BP02 - Brystnippel 1/8" BSP
01BP02 - Brystnippel 1/8" BSP
Partnumber:
01BP02
Package size:
0 pcs
Min. order quantity is:
1 pcs
16BP08 - Vinkel 1/2 BSP Støbt udførelse
16BP08 - Vinkel 1/2 BSP Støbt udførelse
Partnumber:
16BP08
Package size:
0 pcs
Min. order quantity is:
1 pcs
01BP16 - Brystnippel 1" BSP
01BP16 - Brystnippel 1" BSP
Partnumber:
01BP16
Package size:
0 pcs
Min. order quantity is:
1 pcs
01BP12 - Brystnippel 3/4" BSP
01BP12 - Brystnippel 3/4" BSP
Partnumber:
01BP12
Package size:
0 pcs
Min. order quantity is:
1 pcs
20BP08 - Muffe 1/2 BSP
20BP08 - Muffe 1/2 BSP
Partnumber:
20BP08
Package size:
0 pcs
Min. order quantity is:
1 pcs
16BP04SP - Vinkel 1/4 BSP, kort
16BP04SP - Vinkel 1/4 BSP, kort
Partnumber:
16BP04SP
Package size:
0 pcs
Min. order quantity is:
1 pcs
20ME16 - Muffe M16x1,5
20ME16 - Muffe M16x1,5
Partnumber:
20ME16
Package size:
0 pcs
Min. order quantity is:
1 pcs
32BP04 - Skotgennemføring, 1/4 BSP
32BP04 - Skotgennemføring, 1/4 BSP
Partnumber:
32BP04
Package size:
0 pcs
Min. order quantity is:
1 pcs
52BP06L - Banjobolt 3/8 BSP 33MM
52BP06L - Banjobolt 3/8 BSP 33MM
Partnumber:
52BP06L
Package size:
0 pcs
Min. order quantity is:
1 pcs
04BPR0806 - Nippel 1/2 BSP x 3/8 BSP oml.
04BPR0806 - Nippel 1/2 BSP x 3/8 BSP oml.
Partnumber:
04BPR0806
Package size:
0 pcs
Min. order quantity is:
1 pcs
Copyright © 2026 HydraSpecma