Webshop
webshop
x
Hovednummer
+45 9735 0599
Dansk
CHOOSE REGION:
I am from
Denmark
Sweden
Finland
CHOOSE LANGUAGE:
Danish
English
Swedish
English
Suomi
Fandt 0
Resultater
Produkter
Vis alle resultater (0)
Kategorier
Log ind
Bliv kunde
Menu
Akkumulatorer
Akkumulator - Blære
Akkumulator - Membran
Akkumulator - tilbehør og reservedele
Cylindre
Bremsecylinder
Cylinder - Dobbeltvirkende
Cylinder - Enkeltvirkende
Cylinder - Reservedele & løsdele
El-dele
Batterier
Betjeningspaneler
Controllers (Plus+1®)
Displays
El-styringer
Elektriske moduler
Gateways og dele
Joysticks og tilbehør
Magnetspoler
Pressostater
Radiostyringer
Sensorer
Stik og connectorer
Filter og filtrering
Filtreringsenhed
Påfyldnings- og udluftningsfiltre
Returfilter
Spin-on filter
Sugesi
Tilbehør til filtre
Trykfiltre
Fittings og nipler
JIS fittings
Nipler
Nipler, rustfri
ORFS fittings
Skæreringsfittings
Skæreringsfittings, rustfri
Svirvler (drejeled)
Udkravningsfittings
Udkravningsfittings, rustfri
Flanger
Påspændingsflanger
SAE flanger
Hydraulikrør
Hydraulikrør - Galvaniseret
Hydraulikrør - Rustfri AISI304
Hydraulikrør - Rustfri/Syrefast AISI316
Hydraulikrør - Sort (Fosfateret)
Hydraulikslange koblinger
Hydraulikslange Kapper
Hydraulikslange indstik - 2 delt
Hydraulikslange koblinger - One piece
Hydraulikslange skruekoblinger
Lavtryksdele
WEO Plug-in slangekoblinger og -nipler
Hydraulikslanger
Hydraulikslange - 1SC og 1SN
Hydraulikslange - 2SC og 2SN
Hydraulikslange - 3SC
Hydraulikslange - 4SH og 4SP
Hydraulikslange - Hardcover og MegaTuff
Hydraulikslange - Højtemperatur
Hydraulikslange - Twin slanger
Hydraulikslange tilbehør
Højtryksrenseslanger
Termoplastslanger
Industrislanger og koblinger
Elaflex gummikompensator
Industrislange tilbehør
Industrislanger
Koblinger og adaptere
Preskappe til levnedsmiddelslange
Spændebånd
Lynkoblinger
Lynkoblinger - Hydraulik
Lynkoblinger - Vand, Luft, Gas
Multikoblinger
Maskiner og værktøj
Butikssortiment
Formontage og udkravning værktøj
Gevind identifikations plader
Hydraulik slangepresser
Håndværktøj
Rørbukker og savekasse
Slange- og rørrensning
Slangeafskrælning
Slangeafskæring
Slangereoler og ophæng
Motorer og flowdelere
Elmotorer
Hydraulikmotor
Mængdedelere
Styreorbitroler, rat og ratstammer
Oliekølere
Oliekøler - Tilbehør
Oliekøler m. AC-motor
Oliekøler m. DC-motor
Oliekøler m. cirkulationspumpe
Pakninger
Andre pakninger
O-ringe
Pakningssortimenter
USIT-, kobber- og ED-pakninger
Powerpacks og Hydrauliktanke
Power pack - Komplette
Power pack - Reservedele og Tilbehør
Pumper
Hydraulik håndpumper
Hydraulik luftpumper
Hydraulik stempelpumpe
Hydraulik tandhjulspumper
Hydraulik vingepumper
Tandhjulspumper - Indvendig fortandet
Rørholdere
Bæreskinner - U-Bolte
Gummi clamps
Piggyback clamps
Rørholder - DIN3015-1 - Standard
Rørholder - DIN3015-2 - Svær
Rørholder - DIN3015-3 - Dobbelt
Rørholder - Letvægtstype
Rørholder - m. gummi bøsning
Rørholdere - Rust forebyggende
Test og måleudstyr
Flowmålere
Manometer
Manometersæt i kuffert
Testlynkoblinger
Testnipler
Testslanger
Testudstyr
Transmission
Bremse til orbitmotorer
Forsatslejer
Gear
Klokker
Klokoblinger
Koblinger, udrykker
SITEX koblinger
Splinebøsninger
Ventiler
Danfoss MVB ventilsystem
Inline service ventiler (kontra, flow og tryk)
Kuglehaner
NG/CETOP ventiler
Omskifterventiler inline
Patronventiler
Proportionalventiler og tilbehør
Retningsventiler
Ventilblokke
Walvoil SDE system
Restsalg
Slangekonfigurator
Hovedmenu
Min side
MARKEDSOMRÅDER
HYDRAULISKE SYSTEMER
SLANGE- & RØRLEDNINGSARTIKLER
ELEKTRIFICERING
VEDVARENDE ENERGI
FORRETNINGSOMRÅDER
EFTERMARKED
LANDBRUG
ERHVERVSKØRETØJER
ENTREPRENØRMASKINER
FORSVAR
ENERGI
SKOVBRUG
GENEREL INDUSTRI
SØFART
MATERIALEHÅNDTERING
OFFSHORE
PAPIR & PAPIRMASSE
STÅL- & MINEDRIFT
LASTBIL- & TRAILERTILPASNINGER
VINDENERGI
KOMPONENTER
ADAPTERE & FITTINGS
KOBLINGER
LYNKOBLINGER
HYDRAULIKSLANGER
RØRSYSTEMER
PUMPER
VENTILER
ELEKTRONISKE KOMPONENTER
MOTORER & STYREENHEDER
SERVICES
WEBSHOP & EASY ORDERING
HYDRASPECMA BUTIKKER
DANFOSS BUILD CENTER
END-TO-END
SIMSYSTEMS
HYDRAULIKSLANGEPRODUKTION
FLUSH & JETCLEAN
TERMISK AFGRATNING
RØRPRODUKTION
DESIGN & TEKNIK
RENHED & KVALITET
LØSNINGER
PUMPESTATIONER
HIC & MANIFOLDBLOKKE
CENTRALSMØRING
SYSTEMLEVERANDØR
HYDRA DRIVE SYSTEM
LEVERANDØRER
ATOS
CASAPPA
DANFOSS POWER SOLUTIONS
DUPLOMATIC MOTION SOLUTIONS
FASTER
GATES
GROENEVELD-BEKA
I.M.M. HYDRAULICS
IMPRO FLUIDTEK
LILLBACKA FINN-POWER
MHA ZENTGRAF
MP FILTRI
REGGIANA RIDUTTORI
STAUFF
SUN HYDRAULICS
TECFLUID
VOLZ
WALVOIL
OM OS
LEDELSEN
HISTORIE
BÆREDYGTIGHED & ESG
VÆRDIER
POLITIKKER
CERTIFICERINGER
INSIGHTS & MEDIA
NYHEDER
VIDEN & INDSIGT
KUNDECASES
EVENTS
VEJLEDNINGER
JOB & KARRIERE
KONTAKT OS
DANMARK
SVERIGE
FINLAND
RENEWABLES
DATTERSELSKABER
VORES BUTIKKER
KUNDESERVICE
KOMPONENTER
ADAPTERE & FITTINGS
KOBLINGER
LYNKOBLINGER
HYDRAULIKSLANGER
RØRSYSTEMER
PUMPER
VENTILER
ELEKTRONISKE KOMPONENTER
MOTORER & STYREENHEDER
SERVICES
WEBSHOP & EASY ORDERING
HYDRASPECMA BUTIKKER
DANFOSS BUILD CENTER
END-TO-END
SIMSYSTEMS
HYDRAULIKSLANGEPRODUKTION
FLUSH & JETCLEAN
TERMISK AFGRATNING
RØRPRODUKTION
DESIGN & TEKNIK
RENHED & KVALITET
LØSNINGER
PUMPESTATIONER
HIC & MANIFOLDBLOKKE
CENTRALSMØRING
SYSTEMLEVERANDØR
HYDRA DRIVE SYSTEM
LEVERANDØRER
ATOS
CASAPPA
DANFOSS POWER SOLUTIONS
DUPLOMATIC MOTION SOLUTIONS
FASTER
GATES
GROENEVELD-BEKA
I.M.M. HYDRAULICS
IMPRO FLUIDTEK
LILLBACKA FINN-POWER
MHA ZENTGRAF
MP FILTRI
REGGIANA RIDUTTORI
STAUFF
SUN HYDRAULICS
TECFLUID
VOLZ
WALVOIL
OM OS
LEDELSEN
HISTORIE
BÆREDYGTIGHED & ESG
VÆRDIER
POLITIKKER
CERTIFICERINGER
INSIGHTS & MEDIA
NYHEDER
VIDEN & INDSIGT
KUNDECASES
EVENTS
VEJLEDNINGER
JOB & KARRIERE
KONTAKT OS
DANMARK
SVERIGE
FINLAND
RENEWABLES
DATTERSELSKABER
VORES BUTIKKER
KUNDESERVICE
Du er her:
Produkter
Fittings og nipler
Nipler
Nipler - 90° grader vinkler
Vinkel - 90° - BSP X BSP - m. kontramøtrik
06BB1208 - Stilbar vinkel 3/4 BSPx1/2 BSP
Stilbar vinkel 3/4 BSPx1/2 BSP
…
Læs mere
Varenummer:
06BB1208
Pakke str.:
0 pcs
Min. bestillingsenhed er:
1 pcs
SE ANDRE VARIANTER
15 varianter
Valgt variant:
06BB1208
06BB1208 - Stilbar vinkel 3/4 BSPx1/2 BSP
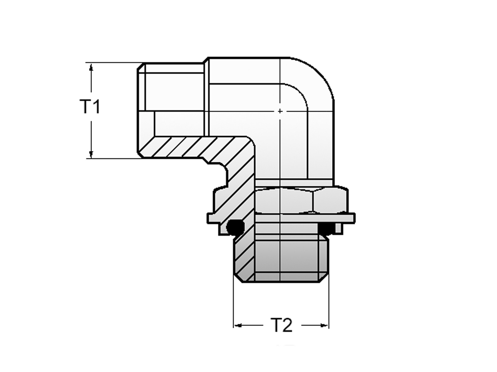
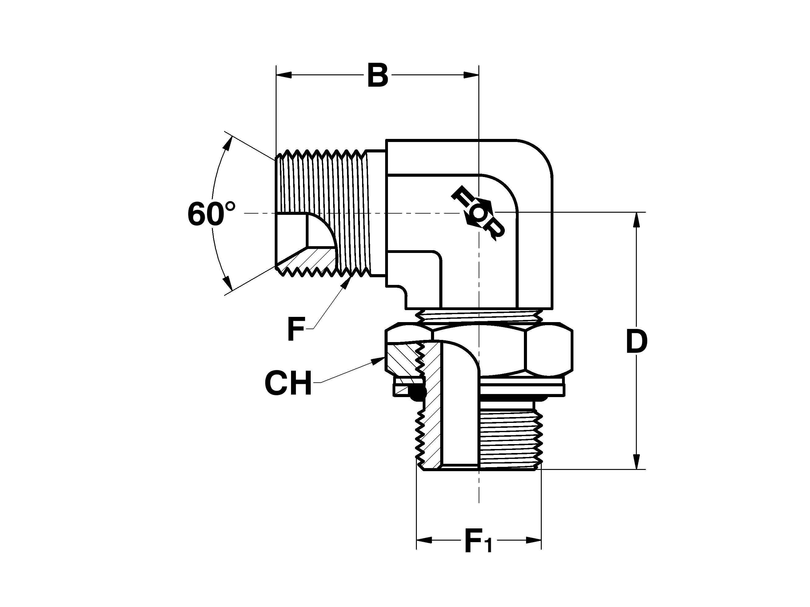
Specifikationer
Dimensioner og forsendelse
B
41 mm
CH
27 mm
D
46 mm
Gevind F (Se målskitse)
G3/4 - BSP
Gevind F1 (Se målskitse)
G1/2 - BSP
Gevind udvendig
G 1/2, G 3/4 BSP
Korrosions resistens
1400 hours salt spray DIN EN ISO 9227
Materiale
Stål
Mærke navn
Hydraspecma
Overfladebehandling
El-forzinket / hvidkromatiseret
Pakningsmateriale
NBR
Standard ISO
ISO 1179
Tryk maks.
250 bar
Vinkel
90 °
Pakke str.
0 pcs
Stregkode
5704334002321
Brutto vægt
0,234 Kg
Netto vægt
0,234 Kg
Oprindelsesland
esp
Produkt information
Målskitse
Stilbar vinkel 3/4 BSPx1/2 BSP
Produkt datablad
Ofte købt sammen med
P0830 - Kappe 1/2" til1SN/1SN/2SC/2SN
P0830 - Kappe 1/2" til1SN/1SN/2SC/2SN
Varenummer:
P0830
Pakke str.:
0 pcs
Min. bestillingsenhed er:
1 pcs
P0630 - Kappe 3/8" til 1SC/1SN/2SC/2SN 0022-06
P0630 - Kappe 3/8" til 1SC/1SN/2SC/2SN 0022-06
Varenummer:
P0630
Pakke str.:
0 pcs
Min. bestillingsenhed er:
1 pcs
P0430 - Kappe 1/4" til 1SC/1SN/2SC/2SN 0022-04
P0430 - Kappe 1/4" til 1SC/1SN/2SC/2SN 0022-04
Varenummer:
P0430
Pakke str.:
0 pcs
Min. bestillingsenhed er:
1 pcs
P1230 - Kappe 3/4" til 1SC/1SN/2SC/2SN
P1230 - Kappe 3/4" til 1SC/1SN/2SC/2SN
Varenummer:
P1230
Pakke str.:
0 pcs
Min. bestillingsenhed er:
1 pcs
P0404NU - Indstik 1/4" - 1/4" BSP oml.
P0404NU - Indstik 1/4" - 1/4" BSP oml.
Varenummer:
P0404NU
Pakke str.:
0 pcs
Min. bestillingsenhed er:
1 pcs
P0606NU - Indstik 3/8" - 3/8" BSP oml.
P0606NU - Indstik 3/8" - 3/8" BSP oml.
Varenummer:
P0606NU
Pakke str.:
0 pcs
Min. bestillingsenhed er:
1 pcs
P1212NU - Insert 3/4" - 3/4" BSP nut
P1212NU - Insert 3/4" - 3/4" BSP nut
Varenummer:
P1212NU
Pakke str.:
0 pcs
Min. bestillingsenhed er:
1 pcs
P1030 - Kappe 5/8" til 1SC/1SN/2SC/2SN
P1030 - Kappe 5/8" til 1SC/1SN/2SC/2SN
Varenummer:
P1030
Pakke str.:
0 pcs
Min. bestillingsenhed er:
1 pcs
P0808NU - Indstik 1/2" - 1/2" BSP oml.
P0808NU - Indstik 1/2" - 1/2" BSP oml.
Varenummer:
P0808NU
Pakke str.:
0 pcs
Min. bestillingsenhed er:
1 pcs
VB12LDKOX - Vinkel 90° stilbar - ø12L - o-ringstætning
VB12LDKOX - Vinkel 90° stilbar - ø12L - o-ringstætning
Varenummer:
VB12LDKOX
Pakke str.:
0 pcs
Min. bestillingsenhed er:
1 pcs
P1616NU - Indstik 1" - 1" BSP oml.
P1616NU - Indstik 1" - 1" BSP oml.
Varenummer:
P1616NU
Pakke str.:
0 pcs
Min. bestillingsenhed er:
1 pcs
P1630 - Kappe 1" til 1SC/1SN/2SC/2SN
P1630 - Kappe 1" til 1SC/1SN/2SC/2SN
Varenummer:
P1630
Pakke str.:
0 pcs
Min. bestillingsenhed er:
1 pcs
M12L - Omløber - ø12L - M18x1.5
M12L - Omløber - ø12L - M18x1.5
Varenummer:
M12L
Pakke str.:
0 pcs
Min. bestillingsenhed er:
1 pcs
A06LR1/4WDX - Indskruning - ø6L x 1/4" BSP - WD pakning
A06LR1/4WDX - Indskruning - ø6L x 1/4" BSP - WD pakning
Varenummer:
A06LR1/4WDX
Pakke str.:
0 pcs
Min. bestillingsenhed er:
1 pcs
VA15RLDKO - Indskruning - ø15L indv x 1/2" BSP - o-ringstætning
VA15RLDKO - Indskruning - ø15L indv x 1/2" BSP - o-ringstætning
Varenummer:
VA15RLDKO
Pakke str.:
0 pcs
Min. bestillingsenhed er:
1 pcs
A12RLWDX - Indskruning - ø12L x 3/8" BSP - WD pakning
A12RLWDX - Indskruning - ø12L x 3/8" BSP - WD pakning
Varenummer:
A12RLWDX
Pakke str.:
0 pcs
Min. bestillingsenhed er:
1 pcs
P0608NU - Indstik 3/8" - 1/2" BSP oml.
P0608NU - Indstik 3/8" - 1/2" BSP oml.
Varenummer:
P0608NU
Pakke str.:
0 pcs
Min. bestillingsenhed er:
1 pcs
SBE12RLWDX - Banjo - ø12L x 3/8" BSP - teflon tætningsring
SBE12RLWDX - Banjo - ø12L x 3/8" BSP - teflon tætningsring
Varenummer:
SBE12RLWDX
Pakke str.:
0 pcs
Min. bestillingsenhed er:
1 pcs
STO06 - Blændprop ø6
STO06 - Blændprop ø6
Varenummer:
STO06
Pakke str.:
0 pcs
Min. bestillingsenhed er:
1 pcs
P1010NU - Indstik 5/8" - 5/8" BSP oml.
P1010NU - Indstik 5/8" - 5/8" BSP oml.
Varenummer:
P1010NU
Pakke str.:
0 pcs
Min. bestillingsenhed er:
1 pcs
VA10RL - Indskruning - ø10L indv x 1/4" BSP
VA10RL - Indskruning - ø10L indv x 1/4" BSP
Varenummer:
VA10RL
Pakke str.:
0 pcs
Min. bestillingsenhed er:
1 pcs
A10RLWDX - Indskruning - ø10L x 1/4" BSP - WD pakning
A10RLWDX - Indskruning - ø10L x 1/4" BSP - WD pakning
Varenummer:
A10RLWDX
Pakke str.:
0 pcs
Min. bestillingsenhed er:
1 pcs
E15LX - Samler - ø15L
E15LX - Samler - ø15L
Varenummer:
E15LX
Pakke str.:
0 pcs
Min. bestillingsenhed er:
1 pcs
EDKO15L - Omvendt samler - ø15L
EDKO15L - Omvendt samler - ø15L
Varenummer:
EDKO15L
Pakke str.:
0 pcs
Min. bestillingsenhed er:
1 pcs
VO12LDKO - Manometer påskruning - ø12L x 1/4" BSP indv - o-ringstætning
VO12LDKO - Manometer påskruning - ø12L x 1/4" BSP indv - o-ringstætning
Varenummer:
VO12LDKO
Pakke str.:
0 pcs
Min. bestillingsenhed er:
1 pcs
P1012NU - Indstik 5/8" - 3/4" BSP oml.
P1012NU - Indstik 5/8" - 3/4" BSP oml.
Varenummer:
P1012NU
Pakke str.:
0 pcs
Min. bestillingsenhed er:
1 pcs
VB15LDKOX - Vinkel 90° stilbar - ø15L - o-ringstætning
VB15LDKOX - Vinkel 90° stilbar - ø15L - o-ringstætning
Varenummer:
VB15LDKOX
Pakke str.:
0 pcs
Min. bestillingsenhed er:
1 pcs
A12SR3/4X - Indskruning - ø12S x 3/4"
A12SR3/4X - Indskruning - ø12S x 3/4"
Varenummer:
A12SR3/4X
Pakke str.:
0 pcs
Min. bestillingsenhed er:
1 pcs
EDKO12L - Omvendt samler - ø12L
EDKO12L - Omvendt samler - ø12L
Varenummer:
EDKO12L
Pakke str.:
0 pcs
Min. bestillingsenhed er:
1 pcs
P0530 - Kappe 5/16" til 1SC/1SN/2SC/2SN
P0530 - Kappe 5/16" til 1SC/1SN/2SC/2SN
Varenummer:
P0530
Pakke str.:
0 pcs
Min. bestillingsenhed er:
1 pcs
Andre kigger på
06BB0812 - Stilbar vinkel 1/2 BSPx3/4 BSP
06BB0812 - Stilbar vinkel 1/2 BSPx3/4 BSP
Varenummer:
06BB0812
Pakke str.:
0 pcs
Min. bestillingsenhed er:
1 pcs
22BP12L - Vinkel-oml.nipl. 45gr stål Dim. 3/4" m x 3/4" f Lang rørmode
22BP12L - Vinkel-oml.nipl. 45gr stål Dim. 3/4" m x 3/4" f Lang rørmode
Varenummer:
22BP12L
Pakke str.:
0 pcs
Min. bestillingsenhed er:
1 pcs
Vinkelnippel 45° BSP udvendig x BSP udvendig stilbar - 21BB / 238
Vinkelnippel 45° BSP udvendig x BSP udvendig stilbar - 21BB / 238
Varenummer:
21BB1208
Pakke str.:
0 pcs
Min. bestillingsenhed er:
1 pcs
Nippel BSP udvendig x NPTF udvendig (reducerende) - 12BK
Nippel BSP udvendig x NPTF udvendig (reducerende) - 12BK
Varenummer:
12BK1612
Pakke str.:
0 pcs
Min. bestillingsenhed er:
1 pcs
L-nippel BSP udvendig x BSP udvendig x BSP udvendig kontramøtrik - 15BPL / 240
L-nippel BSP udvendig x BSP udvendig x BSP udvendig kontramøtrik - 15BPL / 240
Varenummer:
15BPL06
Pakke str.:
0 pcs
Min. bestillingsenhed er:
1 pcs
T-nippel BSP udvendig x BSPT udvendig x BSP udvendig støbejern - 15BK / 536
T-nippel BSP udvendig x BSPT udvendig x BSP udvendig støbejern - 15BK / 536
Varenummer:
15BK02
Pakke str.:
0 pcs
Min. bestillingsenhed er:
1 pcs
01BP04 - Brystnippel 1/4" BSP
01BP04 - Brystnippel 1/4" BSP
Varenummer:
01BP04
Pakke str.:
0 pcs
Min. bestillingsenhed er:
1 pcs
01BP06 - Brystnippel 3/8" BSP
01BP06 - Brystnippel 3/8" BSP
Varenummer:
01BP06
Pakke str.:
0 pcs
Min. bestillingsenhed er:
1 pcs
01BP08 - Brystnippel 1/2" BSP
01BP08 - Brystnippel 1/2" BSP
Varenummer:
01BP08
Pakke str.:
0 pcs
Min. bestillingsenhed er:
1 pcs
16BP06 - Vinkel 3/8 BSP Støbt udførelse
16BP06 - Vinkel 3/8 BSP Støbt udførelse
Varenummer:
16BP06
Pakke str.:
0 pcs
Min. bestillingsenhed er:
1 pcs
02BP0806 - Brystnippel 1/2" x 3/8" BSP
02BP0806 - Brystnippel 1/2" x 3/8" BSP
Varenummer:
02BP0806
Pakke str.:
1 pcs
Min. bestillingsenhed er:
1 pcs
04BP08 - Nippel med omløber 1/2 BSP
04BP08 - Nippel med omløber 1/2 BSP
Varenummer:
04BP08
Pakke str.:
0 pcs
Min. bestillingsenhed er:
1 pcs
20BP06 - Muffe 3/8 BSP
20BP06 - Muffe 3/8 BSP
Varenummer:
20BP06
Pakke str.:
0 pcs
Min. bestillingsenhed er:
1 pcs
16BP08 - Vinkel 1/2 BSP Støbt udførelse
16BP08 - Vinkel 1/2 BSP Støbt udførelse
Varenummer:
16BP08
Pakke str.:
0 pcs
Min. bestillingsenhed er:
1 pcs
02BP1208 - Brystnippel 3/4" x 1/2" BSP
02BP1208 - Brystnippel 3/4" x 1/2" BSP
Varenummer:
02BP1208
Pakke str.:
0 pcs
Min. bestillingsenhed er:
1 pcs
16BP08SP - Vinkel 1/2 BSP, kort
16BP08SP - Vinkel 1/2 BSP, kort
Varenummer:
16BP08SP
Pakke str.:
0 pcs
Min. bestillingsenhed er:
1 pcs
32BP06 - Skotgennemføring, 3/8 BSP
32BP06 - Skotgennemføring, 3/8 BSP
Varenummer:
32BP06
Pakke str.:
0 pcs
Min. bestillingsenhed er:
1 pcs
MI-12-14 - Indskruning 3/4-16 JIC udv x M14x1.5 udv
MI-12-14 - Indskruning 3/4-16 JIC udv x M14x1.5 udv
Varenummer:
MI-12-14
Pakke str.:
0 pcs
Min. bestillingsenhed er:
1 pcs
32BP08 - Skotgennemføring, 1/2 BSP
32BP08 - Skotgennemføring, 1/2 BSP
Varenummer:
32BP08
Pakke str.:
0 pcs
Min. bestillingsenhed er:
1 pcs
04BP06 - Nippel med omløber 3/8 BSP
04BP06 - Nippel med omløber 3/8 BSP
Varenummer:
04BP06
Pakke str.:
0 pcs
Min. bestillingsenhed er:
1 pcs
01BP12 - Brystnippel 3/4" BSP
01BP12 - Brystnippel 3/4" BSP
Varenummer:
01BP12
Pakke str.:
0 pcs
Min. bestillingsenhed er:
1 pcs
04BP12 - Nippel med omløber 3/4" BSP
04BP12 - Nippel med omløber 3/4" BSP
Varenummer:
04BP12
Pakke str.:
0 pcs
Min. bestillingsenhed er:
1 pcs
02BP1612 - Brystnippel 1" x 3/4" BSP
02BP1612 - Brystnippel 1" x 3/4" BSP
Varenummer:
02BP1612
Pakke str.:
0 pcs
Min. bestillingsenhed er:
1 pcs
20BP08 - Muffe 1/2 BSP
20BP08 - Muffe 1/2 BSP
Varenummer:
20BP08
Pakke str.:
0 pcs
Min. bestillingsenhed er:
1 pcs
52BP04 - Banjobolt 1/4 BSP 26 MM
52BP04 - Banjobolt 1/4 BSP 26 MM
Varenummer:
52BP04
Pakke str.:
0 pcs
Min. bestillingsenhed er:
1 pcs
02BP0604 - Brystnippel 3/8" x 1/4" BSP
02BP0604 - Brystnippel 3/8" x 1/4" BSP
Varenummer:
02BP0604
Pakke str.:
0 pcs
Min. bestillingsenhed er:
1 pcs
52BP06 - Banjobolt 3/8 BSP 31MM
52BP06 - Banjobolt 3/8 BSP 31MM
Varenummer:
52BP06
Pakke str.:
0 pcs
Min. bestillingsenhed er:
1 pcs
22BP08 - Vinkel 1/2 BSP
22BP08 - Vinkel 1/2 BSP
Varenummer:
22BP08
Pakke str.:
0 pcs
Min. bestillingsenhed er:
1 pcs
20BP04 - Muffe 1/4 BSP
20BP04 - Muffe 1/4 BSP
Varenummer:
20BP04
Pakke str.:
0 pcs
Min. bestillingsenhed er:
1 pcs
16BP06SP - Vinkel 3/8 BSP, kort
16BP06SP - Vinkel 3/8 BSP, kort
Varenummer:
16BP06SP
Pakke str.:
0 pcs
Min. bestillingsenhed er:
1 pcs
Copyright © 2026 HydraSpecma