Pump S45 ER-L-130B-LS-25-20-NN-N-3-K5CP-A1N-NNN-NNN-NNN

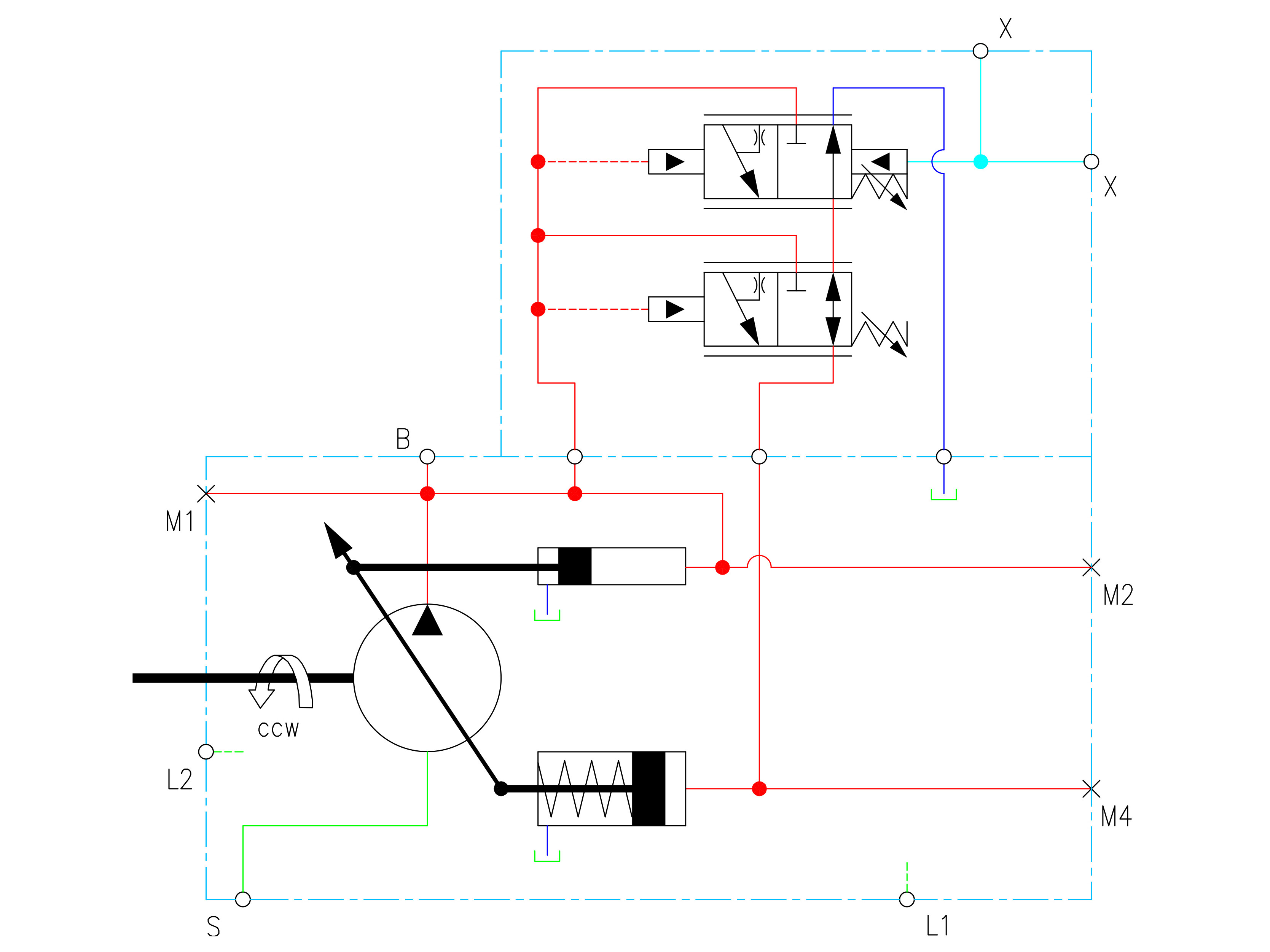
Danfoss S45 variabel piston pump for open circuit.

Regulations: Pressure Compensator, Load sensing, PC controlled pressure.

Connections: SAE flange side connection in endcap.

Shaft- and o-ringsseals in Viton®.

Partnumber:
7000522

Package size:
1 st

Min. order quantity is:
1 st
AuxMount/EndCap code
NP

Brand Name
Danfoss

Contamination level max.
22/18/13 - ISO 4406

Continuous rotation max.
2200 rpm

Control
Load sensing

Control type
LS

Displacement
130 cm3

Displacement limiter
None

Flange SAE/DIN
3000 PSI/6000 PSI

Flange inlet
2.1/2 "

Flange outlet
1.1/4 "

Holes circle
180 mm

Model
Frame E

Model code
ER-L-130B-LS-25-20-NN-N-3-S1NP-A1N-NNN-NNN-NNN

Mounting flange
SAE-C2

Number of mounting holes
2

Number of outer grooves
14

Oil viscocity recommended
9 - 110 cSt

Port position
Side

Pressure continous max.
310 bar

Pressure max.
400 bar

Rear flange
None

Recess
127,0 mm

Rotation direction
Left (CCW)

Rotation max. at max. pressure
2200 rpm

Rotational speed max.
2600 rpm

Rotational speed min.
500 rpm

Sensor type
None

Shaft code
S1

Shaft diameter
31,2 mm

Shaft seal material
FKM/FPM (Viton®)

Shaft spline
14T 12/24 SAE-C

Shaft type
Spline

Temperature intermittent max.
+104 °C

Temperature max.
+82 °C

Temperature min.
-40 °C
Förpackningsstorlek
1 st

Streckkod
334068

Bruttovikt
65,00 Kg

Nettovikt
65,00 Kg

Ursprungsland

Intrastat artikelkod
84135061

Danfoss S45 variabel piston pump for open circuit.

Regulations: Pressure Compensator, Load sensing, PC controlled pressure.

Connections: SAE flange side connection in endcap.

Shaft- and o-ringsseals in Viton®.