Pumpe S45 JR-L-S60B-LS-21-20-NN-N-3-C3NE-A8N-NNN-JJJ-NNN

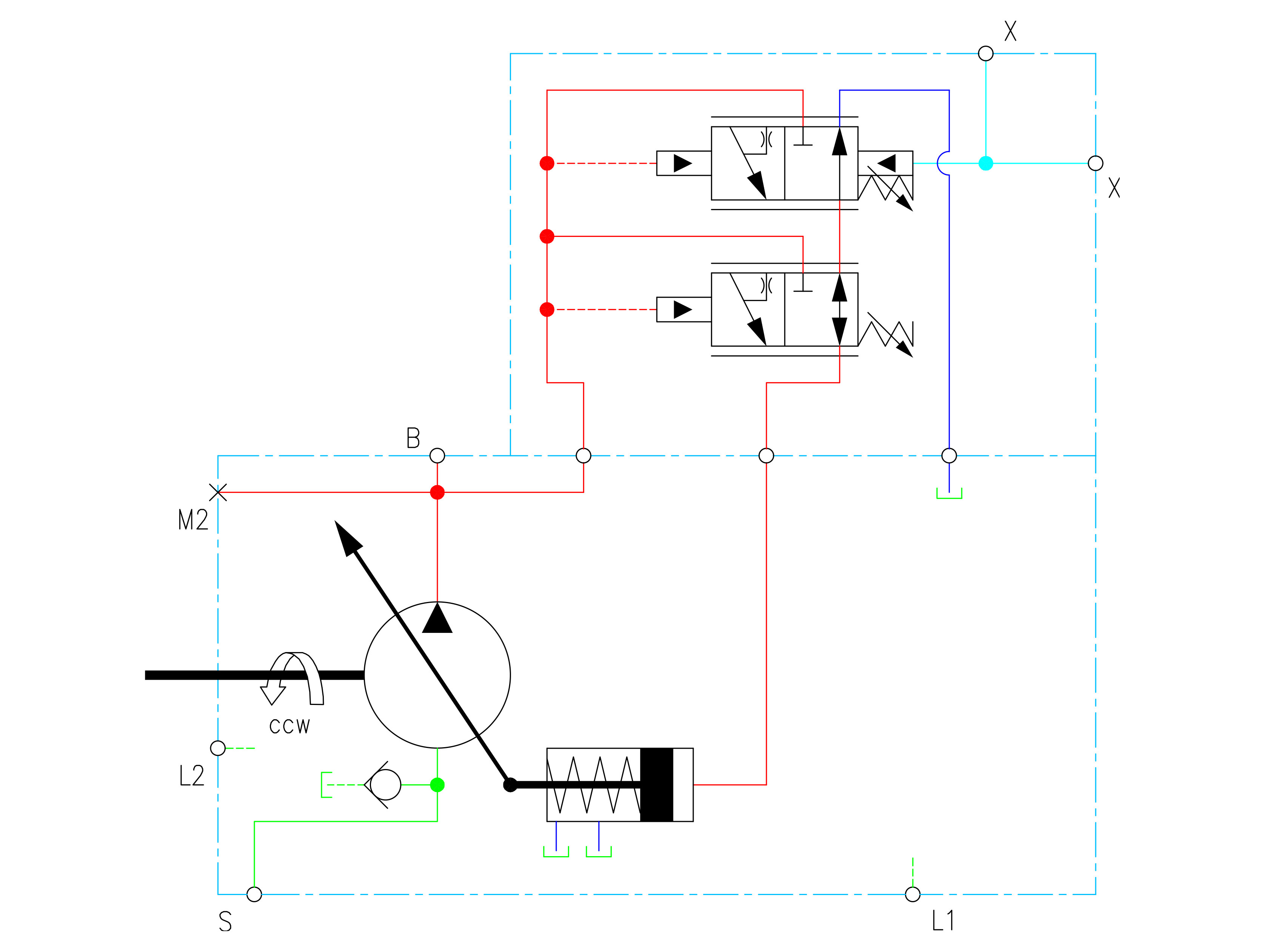
Danfoss S45 variabel piston pump for open circuit.

Regulations: Pressure Compensator, Load sensing, PC controlled pressure.

Connections: SAE flange side connection in endcap.

Shaft- and o-ringsseals in Viton®.

Artikelnummer:
83025681

Förpackningsstorlek:
1 st

Minsta beställningskvantitet:
1 st
Antal monteringshål
2

Axel diameter
25,4 mm

Axel kod
C3

Axel spline
15T 16/32 SAE-BB

Axeltyp
Spline

Axeltätning materiale
FKM/FPM (Viton®)

Bultcirkel
146 mm

Deplacement
60 cm3

Ekstra montering/endedæksel typ
NE

Fläns SAE/DIN
3000 PSI

Fläns bak
None

Fläns ingång
2 "

Fläns utgång
1 "

Föroreningsgrad max.
22/18/13 - ISO 4406

Förträngningsbegränsar
None

Kont. rotation max.
2600 rpm

Kontroll
Load sensing

Kontrolltyp
LS

Modell
Frame J

Modell kod
JR-L-S60B-LS-21-20-NN-N-3-C3NE-A8N-NNN-JJJ-NNN

Monteringsfläns
SAE-B2

Märke namn
Danfoss

Oljeviskositet rekommanderad
9 - 110 cSt

Portplacering
Side

Reces
101,6 mm

Rotation max. vid max. tryck
2600 rpm

Rotationshastighet max.
3120 rpm

Rotationshastighet min.
500 rpm

Rotationsriktning
Left (CCW)

Sensor typ
None

Temperatur intermittent max.
+104 °C

Temperatur max.
+82 °C

Temperatur min.
-40 °C

Tryck kontinuerlig max.
310 bar

Tryck max.
400 bar

Utv. Splinesantal
15
Pakke str.
1 st

Stregkode
334128

Brutto vægt
26,88 Kg

Netto vægt
26,88 Kg

Oprindelsesland

Intrastat varekode
84135061

Danfoss S45 variabel piston pump for open circuit.

Regulations: Pressure Compensator, Load sensing, PC controlled pressure.

Connections: SAE flange side connection in endcap.

Shaft- and o-ringsseals in Viton®.

HydraSpecma | Nordens bredeste hydraulik sortiment online - dag til dag levering!
HydraSpecma | Hydrauliske Systemer – Slange- og Rørledningsartikler – Elektrificering – Vedvarende Energi

HYDRASPECMA
– DIN PARTNER FRA IDÉ
TIL SERIEPRODUKTION

Hos HydraSpecma er vi specialiserede i at designe og bygge state-of-the-art hydrauliske og elektriske systemer, skræddersyet til vores kunders forskellige behov på tværs af brancher.

Vores ekspertise stopper ikke bare der. Vi er også førende inden for levering af omfattende slange- & rørledningsartikler – fra højkvalitets slanger og rør til robuste fittings og adaptere – som sikrer problemfri væskekontrol og langtidsholdbar ydeevne.

Vi tilbyder også et stærkt produktudvalg til industrien for vedvarende energi, der understøtter din virksomhed med markedsførende køleløsninger, smøre- og filtreringssystemer, hydrauliske systemer samt slanger, rør og fittings.

Vores passion for innovation matches af vores ansvar for kvalitet. Hvert produkt og system i vores omfattende sortiment afspejler dette. Uanset om du arbejder med komplekse hydrauliske systemer eller søger pålidelige komponenter, leverer vi løsningen, du har brug for.

Tag næste skridt med os og oplev, hvordan præcision og teknik går hånd i hånd – og hvor hver eneste forbindelse handler om mere end komponenter og systemer; det handler om mennesker og deres forretning.

FOR HOS HYDRASPECMA

ER DIN SUCCES VORES SUCCES

KONTAKT HYDRASPECMA