Webbshop
artiklar
x
Huvudnummer
0910-73 32 00
Svenska
CHOOSE REGION:
I am from
Denmark
Sweden
Finland
CHOOSE LANGUAGE:
Danish
English
Swedish
English
Suomi
Hittade 0
Resultat
Produkter
Visa alla resultat (0)
Kategorier
Logga in
Registrera dig
Meny
Ackumulatorer
Blåsackumulator
Kolvackumulator
Membranackumulator
Tillbehör och reservdelar ackumulator
Adapter, Rörkopplingar och Svivlar
Adapter JIC
Adapter JIS
Adapter ORFS
Adapter, BSP, MM, NPT, UNF
Adapter/Skärringskoppling DIN
Instrumentkopplingar S-Lok
Pyplok rörkopplingar
Svivlar
Syrafast Adapter BSP, MM, NPT, UNF
Syrafast Adapter JIC
Syrafast Skärringskoppling DIN
Aggregat och Hydraultankar/Tillbehör
OMFB powerpacks och komponenter
Powerpack - Tillbehör oach reservdelar
Centralsmörjning och Fetthantering
Fetthanteringsutrustning och smörjfett
Fettpåfyllningspumpar och tillbehör
Ledningskomponenter för centralsmörjning
Slangkopplingar
Smörjnipplar och tillbehör
Smörjpaneler
Smörjpumpar - Olja / Smörjfett
Smörjpumpar - Tillbehör och reservdelar
Utloppsventiler, backventiler och pluggar
Ventiler - Olja / Fett
Cylindrar och vriddon
Dubbelverkande cylindrar
Reservdelar för cylindrar
Elektronik
Controllers (Plus+1®)
Displays och kontroller
Joysticks och tillbehör
Kontakter
Magnetspolar
Radiostyrningar
Sensors
Styrkort
Tryckvakter
Filter
Andningsfilter
Filtreringsenheter och off-line filter. Dieselfilter. AdBlue.
Ledningsfilter, mässing/syrafast, H400
Returfilter
Spin-On Filter
Sugsilar
Tillbehör till filter
Tryckfilter
Flänsar
Pumpanslutningar
SAE Flänsar
Tube-Mac rörsystem
Hydraulrör
Sömlösa hydraulrör, Förzinkade, E235+N
Bromsrör/Kopparrör
Sömlösa Hydraulrör, Rostfria 1.4301
Sömlösa Hydraulrör, Rostfria/Syrafasta 1.4571
Sömlösa hydraulrör fosfaterade (svart)
Hydraulslangar och tillbehör
1-ståls hydraulslang 1SN och 1SC
2-stål hydraulslang 2SN och 2SC
3-ståls hydraulslang kompakt 3WBC
4-6-ståls hydraulslang EFG, 4SP, 4SH, R12, R13, R15
Hydraulslang Högtemperatur
Hydraulslang Lågtemperatur
Hydraulslang Pilot
Hydraulslang Tvilling
MegaTuff och Hardcover hydraulslang
Slangtillbehör, Slangskydd, Plastplugg, Säkerhetsutrustning
Termoplastslang
Tvättslang
Industrislangar och kopplingar
Gummikompensatorer DIN/SAE
Hylsor, klämbackar och klämringar för Industrislang
Industri kopplingar och adaptrar
Industri och automotiveslang
Slangklammer och tillbehör
Slangtillbehör
Maskiner och verktyg
Förmonterings- och kragverktyg, Manuella
Handskar, Personlig skyddsutrustning och Sanering
Handverktyg och Monteringshjälp
Kapmaskiner och slangsaxar
Märkningsutrustning
Rörmanipulering
Skalmaskin
Slang och rörrengöring
Slangpressar
Slangställ, slangupphängare
Thread identification boards
Motorer och flödesdelare
Elmotorer
Flödesdelare
Hydraulmotorer
Styrorbitroler, rattar och rattstammar
Olja- AdBlue, Petroleumhantering och Slangvindor
AdBlue och kemutrustning
Diesel och Bensinutrustning
Luftfyllare och tillbehör
Membranpumpar
Oljeutrustning
Slang- och kabelupprullare
Spillolja- och fathantering
Oljekylare
Luftoljekylare med AC-motor
Luftoljekylare med DC-motor
Luftoljekylare med cirkulationspump
Tillbehör till oljekylare
Vattenoljekylare
Packningar och Monteringskemikalier
O-ringar och SAE flänstätningar
Packningar av USIT, koppar och ED
Packningssortiment
Sortimentslådor
Tätningar och monteringskemikalier
Pneumatik, herionventiler, lågtryckskopplingar och slang
Cylindrar och bälgar
Kopplingar, rör och tillbehör
Luftbehandling
Tryckvakter/Tryckgivare
Vakuum
Ventiler
Pumpar
Handpumpar
Kolvpumpar
Kugghjulspumpar
Vingpumpar
Rörklammer
ACT rôrklammer
Bultar, mutter, monteringsskena
Gummiklammer
Konsolklammer Lätta serien LPGU
Konsolklammer Tunga Serien SPGU
Lättviktstyp LB/LN/LBBU/LNGF/LNUF
Rörgenomföring SRF
Rörklammer DIN 3567, 1592, 1593, 1596, 1597, BSS, BSN, 72571, 72573
Rörklammer gummiklädda NPC
Rörklammer typ STF
Rörklammer typ avgas, PC
Sadelklammer ZR
Standard serie dubbla (DIN 3015-3)
Standard serie enkla (DIN 3015-1)
Tung serie (DIN 3015-2)
Tung serie med gummibussning
U-Klammer, rund och platt stång
Slangkopplingar
One piece
Plug-In, WEO mfl.
Presshylsor
Presskopplingar
Skruvkopplingar
Slangkopplingar Lågtryck
Snabbkopplingar
Multikopplingar för hydraulik
Snabbkopplingar för tryckluft, gas, vätskor och andra medier
Snabbkopplingar hydraulik
Test- och mätutrustning
Flödesmätare
Manometerset i låda
Manometrar och tillbehör
Mätadapter
Mätkopplingar
Snabbkopplingar till testutrustning
Testenheter, flödesmätare, tryckgivare och sensorer
Testslangar samt kopplingar för 2mm och 4mm slang.
Transmission
Axelkopplingar
Broms till orbitmotorer - Reggiana
Mellanstycke
Splineshylsor
Stödlager
Växlar
Ventiler
Danfoss MVB ventilsystem
Inline service ventiler (back, flow och tryck)
Kulventiler och andra lågtrycksventiler
NG/CETOP ventiler och ventilblock
Patronventiler
Processventiler
Proportionalventiler och tillbehör
Riktningsventiler
Ventilblock
Väljarventiler inline
Walvoil SDE system
Huvudmeny
Mitt konto
MARKNADSOMRÅDEN
HYDRAULSYSTEM
SLANG- & LEDNINGSKOMPONENTER
ELEKTRIFIERING
FÖRNYBAR ENERGI
AFFÄRSOMRÅDEN
EFTERMARKNAD
JORDBRUK
NYTTOFORDON
ANLÄGGNINGSMASKINER
FÖRSVAR
ENERGI
SKOGSBRUK
INDUSTRI
MARIN
MATERIALHANTERING
OFFSHORE
MASSA & PAPPER
STÅL & GRUVDRIFT
LASTBIL & SLÄPVAGNSANPASSNINGAR
VINDKRAFT
PARTNERWEB
KOMPONENTER
ADAPTRAR & KOPPLINGAR
KOPPLINGAR
SNABBKOPPLINGAR
HYDRAULSLANGAR
RÖRLÖSNINGAR
PUMPAR
VENTILER
ELEKTRONISKA KOMPONENTER
MOTORER & STYRENHETER
TJÄNSTER
WEBBSHOP & EASY ORDERING
HYDRASPECMA BUTIKER
DANFOSS BUILD CENTER
END-TO-END
SIMSYSTEMS
MONTERING AV HYDRAULSLANG
SPOLNING & JETCLEAN
TERMISK AVGRADNING
KONSTRUKTION AV RÖRSYSTEM
KONSTRUKTION & TEKNIK
RENLIGHET & KVALITET
MRO SERVICE
LÖSNINGAR
HPU & KRAFTAGGREGAT
HIC & VENTILBLOCK
CENTRALSMÖRJNING
SYSTEMLEVERANTÖR
HYDRA DRIVE SYSTEM
LEVERANTÖRER
ATOS
CASAPPA
DANFOSS POWER SOLUTIONS
DUPLOMATIC MOTION SOLUTIONS
FASTER
GATES
GROENEVELD-BEKA
I.M.M. HYDRAULICS
IMPRO FLUIDTEK
LILLBACKA FINN-POWER
MHA ZENTGRAF
MP FILTRI
REGGIANA RIDUTTORI
STAUFF
SUN HYDRAULICS
TECFLUID
VOLZ
WALVOIL
WHITE
OM OSS
LEDNINGEN
HISTORIA
HÅLLBARHET & ESG
KÄRNVÄRDEN
POLICYS
CERTIFIERINGAR
INSIGHTS & MEDIA
NYHETER
INSIGHTS
KUNDSTORIES
EVENTS
KARRIÄR
KONTAKTA OSS
DANMARK
SVERIGE
FINLAND
RENEWABLES
DOTTERBOLAG
VÅRA BUTIKER
KUNDSERVICE
PARTNERWEB
KOMPONENTER
ADAPTRAR & KOPPLINGAR
KOPPLINGAR
SNABBKOPPLINGAR
HYDRAULSLANGAR
RÖRLÖSNINGAR
PUMPAR
VENTILER
ELEKTRONISKA KOMPONENTER
MOTORER & STYRENHETER
TJÄNSTER
WEBBSHOP & EASY ORDERING
HYDRASPECMA BUTIKER
DANFOSS BUILD CENTER
END-TO-END
SIMSYSTEMS
MONTERING AV HYDRAULSLANG
SPOLNING & JETCLEAN
TERMISK AVGRADNING
KONSTRUKTION AV RÖRSYSTEM
KONSTRUKTION & TEKNIK
RENLIGHET & KVALITET
MRO SERVICE
LÖSNINGAR
HPU & KRAFTAGGREGAT
HIC & VENTILBLOCK
CENTRALSMÖRJNING
SYSTEMLEVERANTÖR
HYDRA DRIVE SYSTEM
LEVERANTÖRER
ATOS
CASAPPA
DANFOSS POWER SOLUTIONS
DUPLOMATIC MOTION SOLUTIONS
FASTER
GATES
GROENEVELD-BEKA
I.M.M. HYDRAULICS
IMPRO FLUIDTEK
LILLBACKA FINN-POWER
MHA ZENTGRAF
MP FILTRI
REGGIANA RIDUTTORI
STAUFF
SUN HYDRAULICS
TECFLUID
VOLZ
WALVOIL
WHITE
OM OSS
LEDNINGEN
HISTORIA
HÅLLBARHET & ESG
KÄRNVÄRDEN
POLICYS
CERTIFIERINGAR
INSIGHTS & MEDIA
NYHETER
INSIGHTS
KUNDSTORIES
EVENTS
KARRIÄR
KONTAKTA OSS
DANMARK
SVERIGE
FINLAND
RENEWABLES
DOTTERBOLAG
VÅRA BUTIKER
KUNDSERVICE
Här är du:
Produkter
Ventiler
Patronventiler
Tryckreduceringsventiler
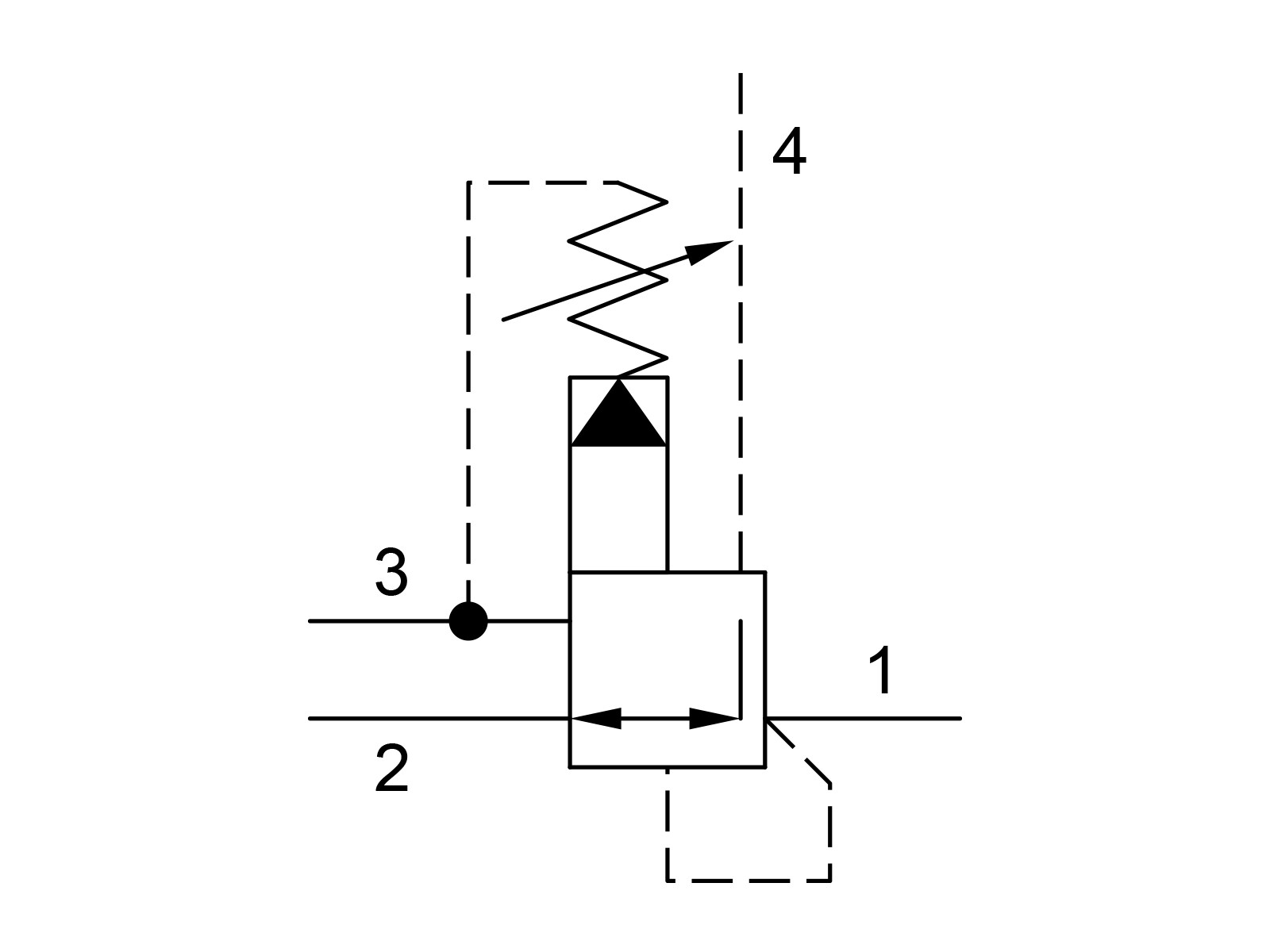
PVDB-LAN - Tryckreduceringsventil SUN T-21A
Tryckreduceringsventil SUN T-21A
…
Läs mer
Artikelnummer:
PVDB-LAN
Förpackningsstorlek:
1 st
Minsta beställningskvantitet:
1 st
Specifikationer
Dimensioner och frakt
Flödeshastighet nominell LMin
40 lpm
Föroreningsgrad max.
19/17/14 - ISO 4406
Kavitet
T-21A
Märke namn
Sun Hydraulics
Oljeviskositet rekommanderad
2,8 - 380 cSt
Packningsmaterial
NBR
Temperatur max.
+110 °C
Temperatur min.
-30 °C
Tillverkningsmaterial
Stål
Tryck max.
350 bar
Tryckinställning max.
210 bar
Tryckinställning min.
7 bar
Åtdragning moment
41 - 47 Nm
Förpackningsstorlek
1 st
Streckkod
335440
Bruttovikt
Kg
Nettovikt
Kg
Ursprungsland
Intrastat artikelkod
84812010
Produktinformation
Tryckreduceringsventil SUN T-21A
Länkar
Produktdatablad
Produktdatablad
Köps ofta tillsammans med
VAUAC-12S - Ventilblock OM (TBAD) 10-180bar
VAUAC-12S - Ventilblock OM (TBAD) 10-180bar
Artikelnummer:
VAUAC-12S
Förpackningsstorlek:
1 st
TBAD121-N - VENTILBLOCK STÅL P&T=G1/2
TBAD121-N - VENTILBLOCK STÅL P&T=G1/2
Artikelnummer:
TBAD121-N
Förpackningsstorlek:
1 st
ECV/S - Ventilhus SUN T-11A G1/2'' stål
ECV/S - Ventilhus SUN T-11A G1/2'' stål
Artikelnummer:
ECV/S
Förpackningsstorlek:
1 st
YEU/S - Ventilhus SUN T-11A dubbel stål
YEU/S - Ventilhus SUN T-11A dubbel stål
Artikelnummer:
YEU/S
Förpackningsstorlek:
1 st
ECU/S - Ventilhus SUN T-11A G3/8'' Stål
ECU/S - Ventilhus SUN T-11A G3/8'' Stål
Artikelnummer:
ECU/S
Förpackningsstorlek:
1 st
EAU - Ventilhus SUN T-11A 90gr
EAU - Ventilhus SUN T-11A 90gr
Artikelnummer:
EAU
Förpackningsstorlek:
1 st
ECU - Ventilhus SUN T-11A G3/8
ECU - Ventilhus SUN T-11A G3/8
Artikelnummer:
ECU
Förpackningsstorlek:
1 st
WFP - Ventilhus SUN T-8A
WFP - Ventilhus SUN T-8A
Artikelnummer:
WFP
Förpackningsstorlek:
1 st
YEV/S - Ventilhus SUN T-11Ax2 Stål
YEV/S - Ventilhus SUN T-11Ax2 Stål
Artikelnummer:
YEV/S
Förpackningsstorlek:
1 st
YEU - Ventilhus SUN T-11A dubbel
YEU - Ventilhus SUN T-11A dubbel
Artikelnummer:
YEU
Förpackningsstorlek:
1 st
WFP/S - Ventilhus SUN T-8A 1/4BSPP Stål
WFP/S - Ventilhus SUN T-8A 1/4BSPP Stål
Artikelnummer:
WFP/S
Förpackningsstorlek:
1 st
11143049 - Ventilhus Comatrol SDC10-2-S4B steel 1/2 port
11143049 - Ventilhus Comatrol SDC10-2-S4B steel 1/2 port
Artikelnummer:
11143049
Förpackningsstorlek:
1 st
BCW/S - Ventilhus SUN T-2A G3/4 Stål
BCW/S - Ventilhus SUN T-2A G3/4 Stål
Artikelnummer:
BCW/S
Förpackningsstorlek:
1 st
ICW/S - Ventilhus SUN T-16A G3/4 Stål
ICW/S - Ventilhus SUN T-16A G3/4 Stål
Artikelnummer:
ICW/S
Förpackningsstorlek:
1 st
EJU/S - Ventilhus SUN T-11A G3/8'' Stål
EJU/S - Ventilhus SUN T-11A G3/8'' Stål
Artikelnummer:
EJU/S
Förpackningsstorlek:
1 st
AAT - Ventilhus SUN T-162A G1/4
AAT - Ventilhus SUN T-162A G1/4
Artikelnummer:
AAT
Förpackningsstorlek:
1 st
NMW/S - Ventilhus SUN T-32A 3/4' Stål
NMW/S - Ventilhus SUN T-32A 3/4' Stål
Artikelnummer:
NMW/S
Förpackningsstorlek:
1 st
CAW - Ventilhus SUN T-3A, G3/4''
CAW - Ventilhus SUN T-3A, G3/4''
Artikelnummer:
CAW
Förpackningsstorlek:
1 st
E2T - Ventilhus SUN T-11A G1/4''
E2T - Ventilhus SUN T-11A G1/4''
Artikelnummer:
E2T
Förpackningsstorlek:
1 st
221308 - Ventilhus Comatrol 16-3S 8B 2B CP16-3S-8B/2B
221308 - Ventilhus Comatrol 16-3S 8B 2B CP16-3S-8B/2B
Artikelnummer:
221308
Förpackningsstorlek:
1 st
XJX - Ventilhus SUN T-17A dubbel
XJX - Ventilhus SUN T-17A dubbel
Artikelnummer:
XJX
Förpackningsstorlek:
1 st
MAV/S - Ventilhus SUN T-21A G1/2 Stål
MAV/S - Ventilhus SUN T-21A G1/2 Stål
Artikelnummer:
MAV/S
Förpackningsstorlek:
1 st
IMX/S - Ventilhus SUN T-16A dubbel Stål
IMX/S - Ventilhus SUN T-16A dubbel Stål
Artikelnummer:
IMX/S
Förpackningsstorlek:
1 st
GAV/S - Ventilhus SUN T-13A G1/2'' Stål
GAV/S - Ventilhus SUN T-13A G1/2'' Stål
Artikelnummer:
GAV/S
Förpackningsstorlek:
1 st
EPU - Ventilhus SUN T-11A G3/8
EPU - Ventilhus SUN T-11A G3/8
Artikelnummer:
EPU
Förpackningsstorlek:
1 st
E2U - Ventilhus SUN T-11A G3/8''
E2U - Ventilhus SUN T-11A G3/8''
Artikelnummer:
E2U
Förpackningsstorlek:
1 st
ZBV/S - Ventilhus SUN T-3A Stål
ZBV/S - Ventilhus SUN T-3A Stål
Artikelnummer:
ZBV/S
Förpackningsstorlek:
1 st
YFV/S - Ventilhus SUN T-10A Stål
YFV/S - Ventilhus SUN T-10A Stål
Artikelnummer:
YFV/S
Förpackningsstorlek:
1 st
JYT - Ventilhus SUN T-163A Dubbel
JYT - Ventilhus SUN T-163A Dubbel
Artikelnummer:
JYT
Förpackningsstorlek:
1 st
EFT - Ventilhus SUN T-11A G1/4''
EFT - Ventilhus SUN T-11A G1/4''
Artikelnummer:
EFT
Förpackningsstorlek:
1 st
Andra tittar på
805315519 - Riktn.v. 2/2, NC, 10-2, 80 l/m, 230bar, Spole M16
805315519 - Riktn.v. 2/2, NC, 10-2, 80 l/m, 230bar, Spole M16
Artikelnummer:
805315519
Förpackningsstorlek:
1 st
CBCA-LHN - Overcenterventil SUN T-11A
CBCA-LHN - Overcenterventil SUN T-11A
Artikelnummer:
CBCA-LHN
Förpackningsstorlek:
1 st
DTDF-MCN - Riktningsventil SUN T-13A 2/2 NC
DTDF-MCN - Riktningsventil SUN T-13A 2/2 NC
Artikelnummer:
DTDF-MCN
Förpackningsstorlek:
1 st
PBDB-LAN - Tryckreduceringsventil SUN T-11A
PBDB-LAN - Tryckreduceringsventil SUN T-11A
Artikelnummer:
PBDB-LAN
Förpackningsstorlek:
1 st
CBCG-LJN - Overcenterventil SUN T-11A
CBCG-LJN - Overcenterventil SUN T-11A
Artikelnummer:
CBCG-LJN
Förpackningsstorlek:
1 st
11146528 - Riktningsventil 3/2 HSV10-23-01-00-00-PN-P-00
11146528 - Riktningsventil 3/2 HSV10-23-01-00-00-PN-P-00
Artikelnummer:
11146528
Förpackningsstorlek:
1 st
990-011-007 - P-sats SUN T-11A Nitril
990-011-007 - P-sats SUN T-11A Nitril
Artikelnummer:
990-011-007
Förpackningsstorlek:
1 st
805313119 - Riktn.v. 3/2, GN, 8-3 SV08-23-02-00-00-B-00 Spole M13
805313119 - Riktn.v. 3/2, GN, 8-3 SV08-23-02-00-00-B-00 Spole M13
Artikelnummer:
805313119
Förpackningsstorlek:
1 st
CXFA-XAN - Backventil SUN T-5A
CXFA-XAN - Backventil SUN T-5A
Artikelnummer:
CXFA-XAN
Förpackningsstorlek:
1 st
CBCA-LIN - Overcenterventil SUN T-11A
CBCA-LIN - Overcenterventil SUN T-11A
Artikelnummer:
CBCA-LIN
Förpackningsstorlek:
1 st
DTAF-XHN - Riktningsventil SUN T-8A 2/2 NO
DTAF-XHN - Riktningsventil SUN T-8A 2/2 NO
Artikelnummer:
DTAF-XHN
Förpackningsstorlek:
1 st
PBDB-LBN - Tryckreduceringsventil SUN T-11A
PBDB-LBN - Tryckreduceringsventil SUN T-11A
Artikelnummer:
PBDB-LBN
Förpackningsstorlek:
1 st
860103219 - Lasthålln.ventil CB10 HV-2-A-1-E-XXX 3:1
860103219 - Lasthålln.ventil CB10 HV-2-A-1-E-XXX 3:1
Artikelnummer:
860103219
Förpackningsstorlek:
1 st
770224 - Spole SUN 24VDC DIN-A 22W id=19 L=50mm
770224 - Spole SUN 24VDC DIN-A 22W id=19 L=50mm
Artikelnummer:
770224
Förpackningsstorlek:
1 st
805313719 - Riktningsventil 4/3 PcAoBoTo SV08-34-05-00-00-B-
805313719 - Riktningsventil 4/3 PcAoBoTo SV08-34-05-00-00-B-
Artikelnummer:
805313719
Förpackningsstorlek:
1 st
820171719 - Strypning tryckkompenserad1-4l/m VR 06-EN-1.25
820171719 - Strypning tryckkompenserad1-4l/m VR 06-EN-1.25
Artikelnummer:
820171719
Förpackningsstorlek:
1 st
11133306 - Riktn.v. 2/2, NO, 10-2, 65 l/m, 350bar, Spole M16
11133306 - Riktn.v. 2/2, NO, 10-2, 65 l/m, 350bar, Spole M16
Artikelnummer:
11133306
Förpackningsstorlek:
1 st
800460119 - Riktningsventil 3/2 EVH 06/D5-12D-A-SE-
800460119 - Riktningsventil 3/2 EVH 06/D5-12D-A-SE-
Artikelnummer:
800460119
Förpackningsstorlek:
1 st
2330-210261-240 - Chockv. N-H (TBSD121-240bar)
2330-210261-240 - Chockv. N-H (TBSD121-240bar)
Artikelnummer:
2330-210261-240
Förpackningsstorlek:
1 st
CXFA-XCN - Backventil SUN T-5A
CXFA-XCN - Backventil SUN T-5A
Artikelnummer:
CXFA-XCN
Förpackningsstorlek:
1 st
PRDB-LAN - Tryckreduceringsventil SUN T-11A
PRDB-LAN - Tryckreduceringsventil SUN T-11A
Artikelnummer:
PRDB-LAN
Förpackningsstorlek:
1 st
83043406 - Tryckbegr.venti RV08-DR-3-F-140-B-00
83043406 - Tryckbegr.venti RV08-DR-3-F-140-B-00
Artikelnummer:
83043406
Förpackningsstorlek:
1 st
RBAP-XWN - Tryckbegränsningsventil SUN T-8A Propstyrd
RBAP-XWN - Tryckbegränsningsventil SUN T-8A Propstyrd
Artikelnummer:
RBAP-XWN
Förpackningsstorlek:
1 st
DFCI-LHN - Riktningsventil SUN T-13A 2/2 NO
DFCI-LHN - Riktningsventil SUN T-13A 2/2 NO
Artikelnummer:
DFCI-LHN
Förpackningsstorlek:
1 st
805314119 - Riktningsventil 3/2 Open 1-2 SV10-23-02-00-00
805314119 - Riktningsventil 3/2 Open 1-2 SV10-23-02-00-00
Artikelnummer:
805314119
Förpackningsstorlek:
1 st
DMDA-MAN - Riktningsventil SUN T-11A 3/2, 45L/min
DMDA-MAN - Riktningsventil SUN T-11A 3/2, 45L/min
Artikelnummer:
DMDA-MAN
Förpackningsstorlek:
1 st
PBBB-LBN - Tryckreduceringsventil SUN T-163A
PBBB-LBN - Tryckreduceringsventil SUN T-163A
Artikelnummer:
PBBB-LBN
Förpackningsstorlek:
1 st
545030429 - Strypning skruv M 8X1 DIN 906 F Ø0.4 mm
545030429 - Strypning skruv M 8X1 DIN 906 F Ø0.4 mm
Artikelnummer:
545030429
Förpackningsstorlek:
1 st
FDEA-LAN - Strypbackventil SUN T-16A
FDEA-LAN - Strypbackventil SUN T-16A
Artikelnummer:
FDEA-LAN
Förpackningsstorlek:
1 st
FDBA-LAN - Strypbackventil SUN T-13A
FDBA-LAN - Strypbackventil SUN T-13A
Artikelnummer:
FDBA-LAN
Förpackningsstorlek:
1 st
Copyright © 2026 HydraSpecma