Webshop
webshop
x
Hovednummer
+45 9735 0599
Dansk
CHOOSE REGION:
I am from
Denmark
Sweden
Finland
CHOOSE LANGUAGE:
Danish
English
Swedish
English
Suomi
Fandt 0
Resultater
Produkter
Vis alle resultater (0)
Kategorier
Log ind
Bliv kunde
Menu
Akkumulatorer
Akkumulator - Blære
Akkumulator - Membran
Akkumulator - tilbehør og reservedele
Cylindre
Bremsecylinder
Cylinder - Dobbeltvirkende
Cylinder - Enkeltvirkende
Cylinder - Reservedele & løsdele
El-dele
Batterier
Betjeningspaneler
Controllers (Plus+1®)
Displays
El-styringer
Elektriske moduler
Gateways og dele
Joysticks og tilbehør
Magnetspoler
Pressostater
Radiostyringer
Sensorer
Stik og connectorer
Filter og filtrering
Filtreringsenhed
Påfyldnings- og udluftningsfiltre
Returfilter
Spin-on filter
Sugesi
Tilbehør til filtre
Trykfiltre
Fittings og nipler
JIS fittings
Nipler
Nipler, rustfri
ORFS fittings
Skæreringsfittings
Skæreringsfittings, rustfri
Svirvler (drejeled)
Udkravningsfittings
Udkravningsfittings, rustfri
Flanger
Påspændingsflanger
SAE flanger
Hydraulikrør
Hydraulikrør - Galvaniseret
Hydraulikrør - Rustfri AISI304
Hydraulikrør - Rustfri/Syrefast AISI316
Hydraulikrør - Sort (Fosfateret)
Hydraulikslange koblinger
Hydraulikslange Kapper
Hydraulikslange indstik - 2 delt
Hydraulikslange koblinger - One piece
Hydraulikslange skruekoblinger
Lavtryksdele
WEO Plug-in slangekoblinger og -nipler
Hydraulikslanger
Hydraulikslange - 1SC og 1SN
Hydraulikslange - 2SC og 2SN
Hydraulikslange - 3SC
Hydraulikslange - 4SH og 4SP
Hydraulikslange - Hardcover og MegaTuff
Hydraulikslange - Højtemperatur
Hydraulikslange - Twin slanger
Hydraulikslange tilbehør
Højtryksrenseslanger
Termoplastslanger
Industrislanger og koblinger
Elaflex gummikompensator
Industrislange tilbehør
Industrislanger
Koblinger og adaptere
Preskappe til levnedsmiddelslange
Spændebånd
Lynkoblinger
Lynkoblinger - Hydraulik
Lynkoblinger - Vand, Luft, Gas
Multikoblinger
Maskiner og værktøj
Butikssortiment
Formontage og udkravning værktøj
Gevind identifikations plader
Hydraulik slangepresser
Håndværktøj
Rørbukker og savekasse
Slange- og rørrensning
Slangeafskrælning
Slangeafskæring
Slangereoler og ophæng
Motorer og flowdelere
Elmotorer
Hydraulikmotor
Mængdedelere
Styreorbitroler, rat og ratstammer
Oliekølere
Oliekøler - Tilbehør
Oliekøler m. AC-motor
Oliekøler m. DC-motor
Oliekøler m. cirkulationspumpe
Pakninger
Andre pakninger
O-ringe
Pakningssortimenter
USIT-, kobber- og ED-pakninger
Powerpacks og Hydrauliktanke
Power pack - Komplette
Power pack - Reservedele og Tilbehør
Pumper
Hydraulik håndpumper
Hydraulik luftpumper
Hydraulik stempelpumpe
Hydraulik tandhjulspumper
Hydraulik vingepumper
Tandhjulspumper - Indvendig fortandet
Rørholdere
Bæreskinner - U-Bolte
Gummi clamps
Piggyback clamps
Rørholder - DIN3015-1 - Standard
Rørholder - DIN3015-2 - Svær
Rørholder - DIN3015-3 - Dobbelt
Rørholder - Letvægtstype
Rørholder - m. gummi bøsning
Rørholdere - Rust forebyggende
Test og måleudstyr
Flowmålere
Manometer
Manometersæt i kuffert
Testlynkoblinger
Testnipler
Testslanger
Testudstyr
Transmission
Bremse til orbitmotorer
Forsatslejer
Gear
Klokker
Klokoblinger
Koblinger, udrykker
SITEX koblinger
Splinebøsninger
Ventiler
Danfoss MVB ventilsystem
Inline service ventiler (kontra, flow og tryk)
Kuglehaner
NG/CETOP ventiler
Omskifterventiler inline
Patronventiler
Proportionalventiler og tilbehør
Retningsventiler
Ventilblokke
Walvoil SDE system
Restsalg
Slangekonfigurator
Hovedmenu
Min side
MARKEDSOMRÅDER
HYDRAULISKE SYSTEMER
SLANGE- & RØRLEDNINGSARTIKLER
ELEKTRIFICERING
VEDVARENDE ENERGI
FORRETNINGSOMRÅDER
EFTERMARKED
LANDBRUG
ERHVERVSKØRETØJER
ENTREPRENØRMASKINER
FORSVAR
ENERGI
SKOVBRUG
GENEREL INDUSTRI
SØFART
MATERIALEHÅNDTERING
OFFSHORE
PAPIR & PAPIRMASSE
STÅL- & MINEDRIFT
LASTBIL- & TRAILERTILPASNINGER
VINDENERGI
KOMPONENTER
ADAPTERE & FITTINGS
KOBLINGER
LYNKOBLINGER
HYDRAULIKSLANGER
RØRSYSTEMER
PUMPER
VENTILER
ELEKTRONISKE KOMPONENTER
MOTORER & STYREENHEDER
SERVICES
WEBSHOP & EASY ORDERING
HYDRASPECMA BUTIKKER
DANFOSS BUILD CENTER
END-TO-END
SIMSYSTEMS
HYDRAULIKSLANGEPRODUKTION
FLUSH & JETCLEAN
TERMISK AFGRATNING
RØRPRODUKTION
DESIGN & TEKNIK
RENHED & KVALITET
LØSNINGER
PUMPESTATIONER
HIC & MANIFOLDBLOKKE
CENTRALSMØRING
SYSTEMLEVERANDØR
HYDRA DRIVE SYSTEM
LEVERANDØRER
ATOS
CASAPPA
DANFOSS POWER SOLUTIONS
DUPLOMATIC MOTION SOLUTIONS
FASTER
GATES
GROENEVELD-BEKA
I.M.M. HYDRAULICS
IMPRO FLUIDTEK
LILLBACKA FINN-POWER
MHA ZENTGRAF
MP FILTRI
REGGIANA RIDUTTORI
STAUFF
SUN HYDRAULICS
TECFLUID
VOLZ
WALVOIL
OM OS
LEDELSEN
HISTORIE
BÆREDYGTIGHED & ESG
VÆRDIER
POLITIKKER
CERTIFICERINGER
INSIGHTS & MEDIA
NYHEDER
VIDEN & INDSIGT
KUNDECASES
EVENTS
VEJLEDNINGER
JOB & KARRIERE
KONTAKT OS
DANMARK
SVERIGE
FINLAND
RENEWABLES
DATTERSELSKABER
VORES BUTIKKER
KUNDESERVICE
KOMPONENTER
ADAPTERE & FITTINGS
KOBLINGER
LYNKOBLINGER
HYDRAULIKSLANGER
RØRSYSTEMER
PUMPER
VENTILER
ELEKTRONISKE KOMPONENTER
MOTORER & STYREENHEDER
SERVICES
WEBSHOP & EASY ORDERING
HYDRASPECMA BUTIKKER
DANFOSS BUILD CENTER
END-TO-END
SIMSYSTEMS
HYDRAULIKSLANGEPRODUKTION
FLUSH & JETCLEAN
TERMISK AFGRATNING
RØRPRODUKTION
DESIGN & TEKNIK
RENHED & KVALITET
LØSNINGER
PUMPESTATIONER
HIC & MANIFOLDBLOKKE
CENTRALSMØRING
SYSTEMLEVERANDØR
HYDRA DRIVE SYSTEM
LEVERANDØRER
ATOS
CASAPPA
DANFOSS POWER SOLUTIONS
DUPLOMATIC MOTION SOLUTIONS
FASTER
GATES
GROENEVELD-BEKA
I.M.M. HYDRAULICS
IMPRO FLUIDTEK
LILLBACKA FINN-POWER
MHA ZENTGRAF
MP FILTRI
REGGIANA RIDUTTORI
STAUFF
SUN HYDRAULICS
TECFLUID
VOLZ
WALVOIL
OM OS
LEDELSEN
HISTORIE
BÆREDYGTIGHED & ESG
VÆRDIER
POLITIKKER
CERTIFICERINGER
INSIGHTS & MEDIA
NYHEDER
VIDEN & INDSIGT
KUNDECASES
EVENTS
VEJLEDNINGER
JOB & KARRIERE
KONTAKT OS
DANMARK
SVERIGE
FINLAND
RENEWABLES
DATTERSELSKABER
VORES BUTIKKER
KUNDESERVICE
Du er her:
Produkter
Valves
NG/CETOP valves
NG06 / Cetop3 valves
NG06 - Sandwich / Modular valves
NG06 - Modular Check valve
Cetop3 check valve, P
Cetop3 kontraventil, P
…
Læs mere
Varenummer:
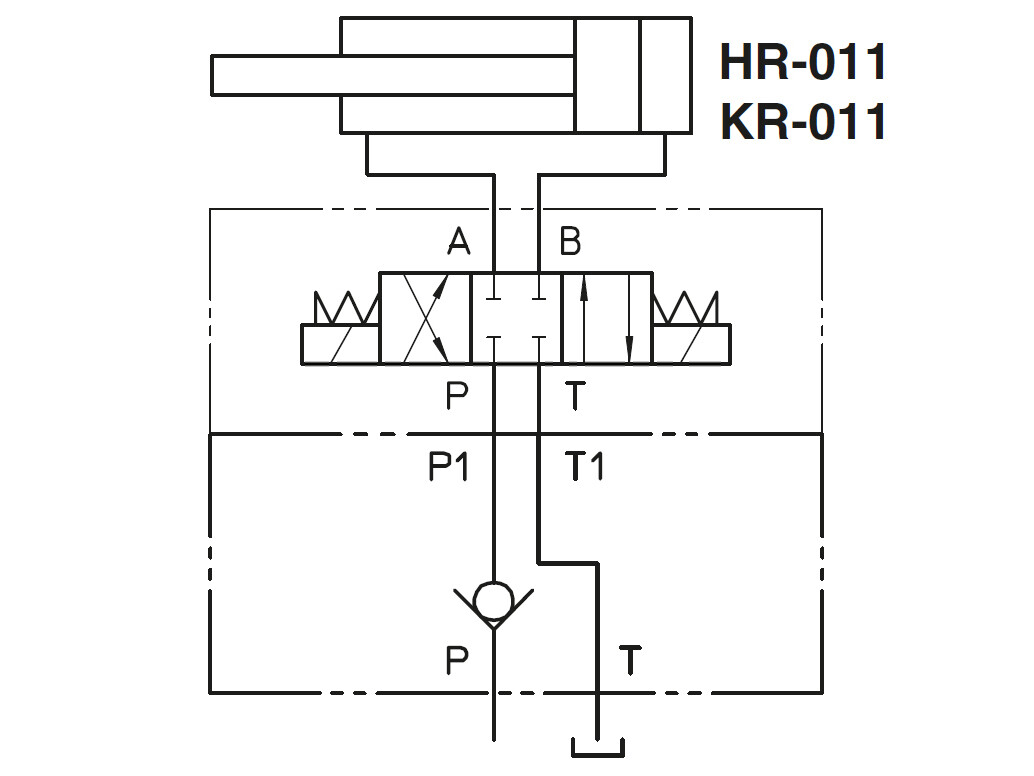
HR011
Pakke str.:
0 pcs
Min. bestillingsenhed er:
1 pcs
Tilbehør (1)
Cetop 3 valve without coil DHL-0713-X00
Varenummer:
DHL0713-X
Specifikationer
Dimensioner og forsendelse
Brand Name
Atos
Contamination level max.
20/18/15 - ISO 4406
Flow rate nominal LMin
60 lpm
Model code
HR-011
NG ISO-size
NG06
Oil viscocity recommended
15 - 100 cSt
Pilot ratio
3,3:1
Pressure max.
350 bar
Pressure opening
0.5 bar
Standard ISO
ISO 4401
Temperature max.
+80 °C
Temperature min.
-20 °C
Pakke str.
0 pcs
Stregkode
5704295210049
Brutto vægt
0,79 Kg
Netto vægt
0,79 Kg
Oprindelsesland
ITA
Intrastat varekode
84812010
Produkt information
Cetop3 kontraventil, P
Links
Product datasheet
Product datasheet
Andre kigger på
DHL0710-X - Cetop 3 ventil u magnetsp DHL-0710-X00
DHL0710-X - Cetop 3 ventil u magnetsp DHL-0710-X00
Varenummer:
DHL0710-X
Pakke str.:
1 pcs
Min. bestillingsenhed er:
1 pcs
DHL0711/H - Magnetventil Cetop 3 DHL-0711/X24DC u.stik
DHL0711/H - Magnetventil Cetop 3 DHL-0711/X24DC u.stik
Varenummer:
DHL0711/H
Pakke str.:
0 pcs
Min. bestillingsenhed er:
1 pcs
HR012 - Cetop3 pilotst. kontraventil, A + B porte
HR012 - Cetop3 pilotst. kontraventil, A + B porte
Varenummer:
HR012
Pakke str.:
0 pcs
Min. bestillingsenhed er:
1 pcs
DHL0710/H - Magnetventil Cetop 3 DHL-0710/X24DC u.stik
DHL0710/H - Magnetventil Cetop 3 DHL-0710/X24DC u.stik
Varenummer:
DHL0710/H
Pakke str.:
0 pcs
Min. bestillingsenhed er:
1 pcs
DHE0711-X - Atos magnetventil Cetop3 DHE-0711-X00-DC u.magnetspol
DHE0711-X - Atos magnetventil Cetop3 DHE-0711-X00-DC u.magnetspol
Varenummer:
DHE0711-X
Pakke str.:
0 pcs
Min. bestillingsenhed er:
1 pcs
DHZEA071L3 - DHZE-A-071-L3 Prop.retn.ventil 0-30 liter
DHZEA071L3 - DHZE-A-071-L3 Prop.retn.ventil 0-30 liter
Varenummer:
DHZEA071L3
Pakke str.:
0 pcs
Min. bestillingsenhed er:
1 pcs
DHL0713/H - Magnetventil Cetop 3 DHL-0713/X24DC u.stik
DHL0713/H - Magnetventil Cetop 3 DHL-0713/X24DC u.stik
Varenummer:
DHL0713/H
Pakke str.:
0 pcs
Min. bestillingsenhed er:
1 pcs
DHE0713-X - Atos magnetventil Cetop3 DHE-0713-X00-DC u.magnetspol
DHE0713-X - Atos magnetventil Cetop3 DHE-0713-X00-DC u.magnetspol
Varenummer:
DHE0713-X
Pakke str.:
0 pcs
Min. bestillingsenhed er:
1 pcs
DHL0713-X - Cetop 3 ventil u magnetsp DHL-0713-X00
DHL0713-X - Cetop 3 ventil u magnetsp DHL-0713-X00
Varenummer:
DHL0713-X
Pakke str.:
1 pcs
Min. bestillingsenhed er:
1 pcs
DHL0611-X - Cetop 3 ventil u magnetsp DHL-0611-X00
DHL0611-X - Cetop 3 ventil u magnetsp DHL-0611-X00
Varenummer:
DHL0611-X
Pakke str.:
1 pcs
Min. bestillingsenhed er:
1 pcs
DHL0630/2-X - Cetop 3 ventil u magnetsp DHL-0630/2-X00
DHL0630/2-X - Cetop 3 ventil u magnetsp DHL-0630/2-X00
Varenummer:
DHL0630/2-X
Pakke str.:
1 pcs
Min. bestillingsenhed er:
1 pcs
DHZEA071S3 - DHZE-A-071-S3 Prop.retn.ventil 0-30 liter
DHZEA071S3 - DHZE-A-071-S3 Prop.retn.ventil 0-30 liter
Varenummer:
DHZEA071S3
Pakke str.:
0 pcs
Min. bestillingsenhed er:
1 pcs
NG06-220 - Trykskifteventil NG06 5-15 lpm Indb. overt. ventil 220 bar
NG06-220 - Trykskifteventil NG06 5-15 lpm Indb. overt. ventil 220 bar
Varenummer:
NG06-220
Pakke str.:
0 pcs
Min. bestillingsenhed er:
1 pcs
DHZOTE071L3I - DHZO-TE-071-L3/I Prop.retn.ventil 0-30 liter
DHZOTE071L3I - DHZO-TE-071-L3/I Prop.retn.ventil 0-30 liter
Varenummer:
DHZOTE071L3I
Pakke str.:
0 pcs
Min. bestillingsenhed er:
1 pcs
DHL0611/A-X - Cetop 3 ventil u magnetsp DHL-0611/A-X00
DHL0611/A-X - Cetop 3 ventil u magnetsp DHL-0611/A-X00
Varenummer:
DHL0611/A-X
Pakke str.:
0 pcs
Min. bestillingsenhed er:
1 pcs
DHL0711-X - Cetop 3 ventil u magnetsp DHL-0711-X00
DHL0711-X - Cetop 3 ventil u magnetsp DHL-0711-X00
Varenummer:
DHL0711-X
Pakke str.:
1 pcs
Min. bestillingsenhed er:
1 pcs
DHL0711/G - Magnetventil Cetop 3 DHL-0711/X12DC u.stik
DHL0711/G - Magnetventil Cetop 3 DHL-0711/X12DC u.stik
Varenummer:
DHL0711/G
Pakke str.:
0 pcs
Min. bestillingsenhed er:
1 pcs
NG06BL - Blændplade Cetop3 incl. 4 stk. B335 08.75X1.78S og 4 stk. F1
NG06BL - Blændplade Cetop3 incl. 4 stk. B335 08.75X1.78S og 4 stk. F1
Varenummer:
NG06BL
Pakke str.:
0 pcs
Min. bestillingsenhed er:
1 pcs
DHL0714-X - Cetop 3 ventil u magnetsp DHL-0714-X00
DHL0714-X - Cetop 3 ventil u magnetsp DHL-0714-X00
Varenummer:
DHL0714-X
Pakke str.:
1 pcs
Min. bestillingsenhed er:
1 pcs
DHL0631/2-H - Magnetventil Cetop 3 DHL-0631/2-X24DC u.stik
DHL0631/2-H - Magnetventil Cetop 3 DHL-0631/2-X24DC u.stik
Varenummer:
DHL0631/2-H
Pakke str.:
0 pcs
Min. bestillingsenhed er:
1 pcs
RZMOA010/315 - Cetop3 trykbegrænsningsventil 6-315bar proportional
RZMOA010/315 - Cetop3 trykbegrænsningsventil 6-315bar proportional
Varenummer:
RZMOA010/315
Pakke str.:
0 pcs
Min. bestillingsenhed er:
1 pcs
WPD/HL-DC - Manuel nødbetjening DHL (kun DC)
WPD/HL-DC - Manuel nødbetjening DHL (kun DC)
Varenummer:
WPD/HL-DC
Pakke str.:
0 pcs
Min. bestillingsenhed er:
1 pcs
HZGOA031/315 - Trykreduktionsventil 0-315 bar proportional
HZGOA031/315 - Trykreduktionsventil 0-315 bar proportional
Varenummer:
HZGOA031/315
Pakke str.:
0 pcs
Min. bestillingsenhed er:
1 pcs
DHL0630/2A-X - Cetop 3 ventil u magnetsp DHL-0630/2A-X00
DHL0630/2A-X - Cetop 3 ventil u magnetsp DHL-0630/2A-X00
Varenummer:
DHL0630/2A-X
Pakke str.:
1 pcs
Min. bestillingsenhed er:
1 pcs
DHE0714/8-H - DHE-0714/8-X24DC Atos magnetventil Cetop3
DHE0714/8-H - DHE-0714/8-X24DC Atos magnetventil Cetop3
Varenummer:
DHE0714/8-H
Pakke str.:
0 pcs
Min. bestillingsenhed er:
1 pcs
DHL0614/H - Magnetventil Cetop 3 DHL-0614/X24DC u.stik
DHL0614/H - Magnetventil Cetop 3 DHL-0614/X24DC u.stik
Varenummer:
DHL0614/H
Pakke str.:
0 pcs
Min. bestillingsenhed er:
1 pcs
DHE0710-X - Atos magnetventil Cetop3 DHE-0710-X00-DC u.magnetspol
DHE0710-X - Atos magnetventil Cetop3 DHE-0710-X00-DC u.magnetspol
Varenummer:
DHE0710-X
Pakke str.:
0 pcs
Min. bestillingsenhed er:
1 pcs
DHL0613-X - Cetop 3 ventil u magnetsp DHL-0613-X00
DHL0613-X - Cetop 3 ventil u magnetsp DHL-0613-X00
Varenummer:
DHL0613-X
Pakke str.:
1 pcs
Min. bestillingsenhed er:
1 pcs
DHE0610-X - Atos magnetventil Cetop3 DHE-0610-X00-DC u.magnetspol
DHE0610-X - Atos magnetventil Cetop3 DHE-0610-X00-DC u.magnetspol
Varenummer:
DHE0610-X
Pakke str.:
0 pcs
Min. bestillingsenhed er:
1 pcs
RZGAA010-001 - Exprof.trykreduk. ventil Atex 0-210 bar proportional RZGA-A-
RZGAA010-001 - Exprof.trykreduk. ventil Atex 0-210 bar proportional RZGA-A-
Varenummer:
RZGAA010-001
Pakke str.:
0 pcs
Min. bestillingsenhed er:
1 pcs
Varen er allerede tilføjet, hvad ønsker du at gøre?
X
Copyright © 2026 HydraSpecma