Webshop
webshop
x
Hovednummer
+45 9735 0599
Dansk
CHOOSE REGION:
I am from
Denmark
Sweden
Finland
CHOOSE LANGUAGE:
Danish
English
Swedish
English
Suomi
Fandt 0
Resultater
Produkter
Vis alle resultater (0)
Kategorier
Log ind
Bliv kunde
Menu
Akkumulatorer
Akkumulator - Blære
Akkumulator - Membran
Akkumulator - tilbehør og reservedele
Cylindre
Bremsecylinder
Cylinder - Dobbeltvirkende
Cylinder - Enkeltvirkende
Cylinder - Reservedele & løsdele
El-dele
Batterier
Betjeningspaneler
Controllers (Plus+1®)
Displays
El-styringer
Elektriske moduler
Gateways og dele
Joysticks og tilbehør
Magnetspoler
Pressostater
Radiostyringer
Sensorer
Stik og connectorer
Filter og filtrering
Filtreringsenhed
Påfyldnings- og udluftningsfiltre
Returfilter
Spin-on filter
Sugesi
Tilbehør til filtre
Trykfiltre
Fittings og nipler
JIS fittings
Nipler
Nipler, rustfri
ORFS fittings
Skæreringsfittings
Skæreringsfittings, rustfri
Svirvler (drejeled)
Udkravningsfittings
Udkravningsfittings, rustfri
Flanger
Påspændingsflanger
SAE flanger
Hydraulikrør
Hydraulikrør - Galvaniseret
Hydraulikrør - Rustfri AISI304
Hydraulikrør - Rustfri/Syrefast AISI316
Hydraulikrør - Sort (Fosfateret)
Hydraulikslange koblinger
Hydraulikslange Kapper
Hydraulikslange indstik - 2 delt
Hydraulikslange koblinger - One piece
Hydraulikslange skruekoblinger
Lavtryksdele
WEO Plug-in slangekoblinger og -nipler
Hydraulikslanger
Hydraulikslange - 1SC og 1SN
Hydraulikslange - 2SC og 2SN
Hydraulikslange - 3SK
Hydraulikslange - 4SH og 4SP
Hydraulikslange - Hardcover og MegaTuff
Hydraulikslange - Højtemperatur
Hydraulikslange - Twin slanger
Hydraulikslange tilbehør
Højtryksrenseslanger
Termoplastslanger
Industrislanger og koblinger
Elaflex gummikompensator
Industrislange tilbehør
Industrislanger
Koblinger og adaptere
Preskappe til levnedsmiddelslange
Spændebånd
Lynkoblinger
Lynkoblinger - Hydraulik
Lynkoblinger - Vand, Luft, Gas
Multikoblinger
Maskiner og værktøj
Butikssortiment
Formontage og udkravning værktøj
Gevind identifikations plader
Hydraulik slangepresser
Håndværktøj
Rørbukker og savekasse
Slange- og rørrensning
Slangeafskrælning
Slangeafskæring
Slangereoler og ophæng
Motorer og flowdelere
Elmotorer
Hydraulikmotor
Mængdedelere
Styreorbitroler, rat og ratstammer
Oliekølere
Oliekøler - Tilbehør
Oliekøler m. AC-motor
Oliekøler m. DC-motor
Oliekøler m. cirkulationspumpe
Pakninger
Andre pakninger
O-ringe
Pakningssortimenter
USIT-, kobber- og ED-pakninger
Powerpacks og Hydrauliktanke
Power pack - Komplette
Power pack - Reservedele og Tilbehør
Pumper
Hydraulik håndpumper
Hydraulik luftpumper
Hydraulik stempelpumpe
Hydraulik tandhjulspumper
Hydraulik vingepumper
Tandhjulspumper - Indvendig fortandet
Rørholdere
Bæreskinner - U-Bolte
Gummi clamps
Piggyback clamps
Rørholder - DIN3015-1 - Standard
Rørholder - DIN3015-2 - Svær
Rørholder - DIN3015-3 - Dobbelt
Rørholder - Letvægtstype
Rørholder - m. gummi bøsning
Rørholdere - Rust forebyggende
Test og måleudstyr
Flowmålere
Manometer
Manometersæt i kuffert
Testlynkoblinger
Testnipler
Testslanger
Testudstyr
Transmission
Bremse til orbitmotorer
Forsatslejer
Gear
Klokker
Klokoblinger
Koblinger, udrykker
SITEX koblinger
Splinebøsninger
Ventiler
Danfoss MVB ventilsystem
Inline service ventiler (kontra, flow og tryk)
Kuglehaner
NG/CETOP ventiler
Omskifterventiler inline
Patronventiler
Proportionalventiler og tilbehør
Retningsventiler
Ventilblokke
Walvoil SDE system
Restsalg
Slangekonfigurator
Hovedmenu
Min side
MARKEDSOMRÅDER
HYDRAULISKE SYSTEMER
SLANGE- & RØRLEDNINGSARTIKLER
ELEKTRIFICERING
VEDVARENDE ENERGI
FORRETNINGSOMRÅDER
EFTERMARKED
LANDBRUG
ERHVERVSKØRETØJER
ENTREPRENØRMASKINER
FORSVAR
ENERGI
SKOVBRUG
GENEREL INDUSTRI
SØFART
MATERIALEHÅNDTERING
OFFSHORE
PAPIR & PAPIRMASSE
STÅL- & MINEDRIFT
LASTBIL- & TRAILERTILPASNINGER
VINDENERGI
KOMPONENTER
ADAPTERE & FITTINGS
KOBLINGER
LYNKOBLINGER
HYDRAULIKSLANGER
RØRSYSTEMER
PUMPER
VENTILER
ELEKTRONISKE KOMPONENTER
MOTORER & STYREENHEDER
SERVICES
WEBSHOP & EASY ORDERING
HYDRASPECMA BUTIKKER
DANFOSS BUILD CENTER
END-TO-END
SIMSYSTEMS
HYDRAULIKSLANGEPRODUKTION
FLUSH & JETCLEAN
TERMISK AFGRATNING
RØRPRODUKTION
DESIGN & TEKNIK
RENHED & KVALITET
LØSNINGER
PUMPESTATIONER
HIC & MANIFOLDBLOKKE
CENTRALSMØRING
SYSTEMLEVERANDØR
HYDRA DRIVE SYSTEM
LEVERANDØRER
ATOS
CASAPPA
DANFOSS POWER SOLUTIONS
DUPLOMATIC MOTION SOLUTIONS
FASTER
GATES
GROENEVELD-BEKA
I.M.M. HYDRAULICS
IMPRO FLUIDTEK
LILLBACKA FINN-POWER
MHA ZENTGRAF
MP FILTRI
REGGIANA RIDUTTORI
STAUFF
SUN HYDRAULICS
TECFLUID
VOLZ
WALVOIL
OM OS
LEDELSEN
HISTORIE
BÆREDYGTIGHED & ESG
VÆRDIER
POLITIKKER
CERTIFICERINGER
INSIGHTS & MEDIA
NYHEDER
VIDEN & INDSIGT
KUNDECASES
EVENTS
VEJLEDNINGER
JOB & KARRIERE
KONTAKT OS
DANMARK
SVERIGE
FINLAND
RENEWABLES
DATTERSELSKABER
VORES BUTIKKER
KUNDESERVICE
KOMPONENTER
ADAPTERE & FITTINGS
KOBLINGER
LYNKOBLINGER
HYDRAULIKSLANGER
RØRSYSTEMER
PUMPER
VENTILER
ELEKTRONISKE KOMPONENTER
MOTORER & STYREENHEDER
SERVICES
WEBSHOP & EASY ORDERING
HYDRASPECMA BUTIKKER
DANFOSS BUILD CENTER
END-TO-END
SIMSYSTEMS
HYDRAULIKSLANGEPRODUKTION
FLUSH & JETCLEAN
TERMISK AFGRATNING
RØRPRODUKTION
DESIGN & TEKNIK
RENHED & KVALITET
LØSNINGER
PUMPESTATIONER
HIC & MANIFOLDBLOKKE
CENTRALSMØRING
SYSTEMLEVERANDØR
HYDRA DRIVE SYSTEM
LEVERANDØRER
ATOS
CASAPPA
DANFOSS POWER SOLUTIONS
DUPLOMATIC MOTION SOLUTIONS
FASTER
GATES
GROENEVELD-BEKA
I.M.M. HYDRAULICS
IMPRO FLUIDTEK
LILLBACKA FINN-POWER
MHA ZENTGRAF
MP FILTRI
REGGIANA RIDUTTORI
STAUFF
SUN HYDRAULICS
TECFLUID
VOLZ
WALVOIL
OM OS
LEDELSEN
HISTORIE
BÆREDYGTIGHED & ESG
VÆRDIER
POLITIKKER
CERTIFICERINGER
INSIGHTS & MEDIA
NYHEDER
VIDEN & INDSIGT
KUNDECASES
EVENTS
VEJLEDNINGER
JOB & KARRIERE
KONTAKT OS
DANMARK
SVERIGE
FINLAND
RENEWABLES
DATTERSELSKABER
VORES BUTIKKER
KUNDESERVICE
Du er her:
Produkter
Rørholdere
Rørholder - DIN3015-1 - Standard
Svejseplader - DIN3015-1
RAP2/71 - Multi svejseplade - DIN 2 (10) - Rustfri
Multi svejseplade - DIN 2 (10) - Rustfri - RAP-2-W5
…
Læs mere
Varenummer:
RAP2/71
Pakke str.:
0 pcs
Min. bestillingsenhed er:
1 pcs
SE ANDRE VARIANTER
2 varianter
Valgt variant:
RAP2/71
RAP2/71 - Multi svejseplade - DIN 2 (10) - Rustfri
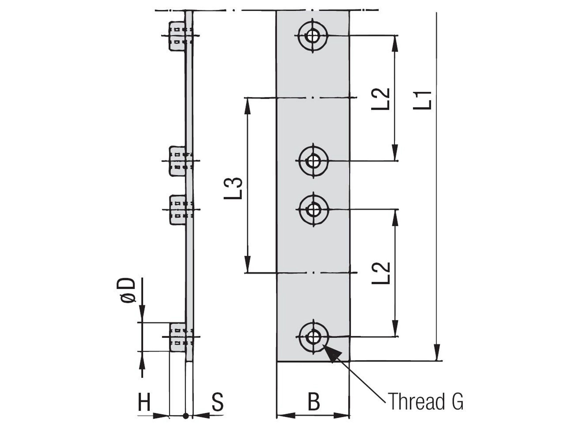
Specifikationer
Dimensioner og forsendelse
Antal rørholdere
10
Bredde
30 mm
DIN størrelse
2
Dimension B
30 mm
Dimension D
12 mm
Dimension H
6.5 mm
Dimension L1
442 mm
Dimension L2
26 mm
Dimension L3
44 mm
Dimension S
4 mm
Gruppe Stauff
2
Længde
442 mm
Materiale
Rustfrit stål
Materialekvalitet
1.4571 / AISI316Ti
Model kode
RAP-2-W5
Mærke navn
Stauff
Standard DIN
DIN 3015 part 1
Pakke str.
0 pcs
Stregkode
5704295964256
Brutto vægt
0,08 Kg
Netto vægt
0,08 Kg
Oprindelsesland
DEU
Intrastat varekode
39259010
Produkt information
Målskitse
Multi svejseplade - DIN 2 (10) - Rustfri - RAP-2-W5
Ofte købt sammen med
SP1D/71 - Svejseplade - DIN 1 Twin - Rustfri
SP1D/71 - Svejseplade - DIN 1 Twin - Rustfri
Varenummer:
SP1D/71
Pakke str.:
0 pcs
Min. bestillingsenhed er:
1 pcs
SP2D/71 - Svejseplade - DIN 2 Twin - Rustfri
SP2D/71 - Svejseplade - DIN 2 Twin - Rustfri
Varenummer:
SP2D/71
Pakke str.:
0 pcs
Min. bestillingsenhed er:
1 pcs
SP2D - Svejseplade - DIN 2 Twin - Sort
SP2D - Svejseplade - DIN 2 Twin - Sort
Varenummer:
SP2D
Pakke str.:
0 pcs
Min. bestillingsenhed er:
1 pcs
SP3D - Svejseplade - DIN 3 Twin - Sort
SP3D - Svejseplade - DIN 3 Twin - Sort
Varenummer:
SP3D
Pakke str.:
0 pcs
Min. bestillingsenhed er:
1 pcs
SP1D - Svejseplade - DIN 1 Twin - Sort
SP1D - Svejseplade - DIN 1 Twin - Sort
Varenummer:
SP1D
Pakke str.:
0 pcs
Min. bestillingsenhed er:
1 pcs
SP4D - Svejseplade - DIN 4 Twin - Sort
SP4D - Svejseplade - DIN 4 Twin - Sort
Varenummer:
SP4D
Pakke str.:
0 pcs
Min. bestillingsenhed er:
1 pcs
SP3D/ZN - Svejseplade - DIN 3 Twin - ZiNi
SP3D/ZN - Svejseplade - DIN 3 Twin - ZiNi
Varenummer:
SP3D/ZN
Pakke str.:
0 pcs
Min. bestillingsenhed er:
1 pcs
SP4D/ZN - Svejseplade - DIN 4 Twin - ZiNi - SP-4D-W3
SP4D/ZN - Svejseplade - DIN 4 Twin - ZiNi - SP-4D-W3
Varenummer:
SP4D/ZN
Pakke str.:
1 pcs
Min. bestillingsenhed er:
1 pcs
SP3D/71 - Svejseplade - DIN 3 Twin - Rustfri
SP3D/71 - Svejseplade - DIN 3 Twin - Rustfri
Varenummer:
SP3D/71
Pakke str.:
0 pcs
Min. bestillingsenhed er:
1 pcs
SP5D/ZN - Svejseplade - DIN 5 Twin - ZiNi - SP-5D-W3
SP5D/ZN - Svejseplade - DIN 5 Twin - ZiNi - SP-5D-W3
Varenummer:
SP5D/ZN
Pakke str.:
1 pcs
Min. bestillingsenhed er:
1 pcs
SP5D/71 - Svejseplade - DIN 5 Twin - Rustfri
SP5D/71 - Svejseplade - DIN 5 Twin - Rustfri
Varenummer:
SP5D/71
Pakke str.:
0 pcs
Min. bestillingsenhed er:
1 pcs
SP2D/ZN - Svejseplade - DIN 2 Twin - ZiNi
SP2D/ZN - Svejseplade - DIN 2 Twin - ZiNi
Varenummer:
SP2D/ZN
Pakke str.:
0 pcs
Min. bestillingsenhed er:
1 pcs
SP5D - Svejseplade - DIN 5 Twin - Sort
SP5D - Svejseplade - DIN 5 Twin - Sort
Varenummer:
SP5D
Pakke str.:
0 pcs
Min. bestillingsenhed er:
1 pcs
SP1D/ZN - Svejseplade - DIN 1 Twin - ZiNi
SP1D/ZN - Svejseplade - DIN 1 Twin - ZiNi
Varenummer:
SP1D/ZN
Pakke str.:
0 pcs
Min. bestillingsenhed er:
1 pcs
SP4D/71 - Svejseplade - DIN 4 Twin - Rustfri
SP4D/71 - Svejseplade - DIN 4 Twin - Rustfri
Varenummer:
SP4D/71
Pakke str.:
0 pcs
Min. bestillingsenhed er:
1 pcs
11212 - Dobbelt rørholder ø12-12 - Grøn PP - DIN 1 Twin
11212 - Dobbelt rørholder ø12-12 - Grøn PP - DIN 1 Twin
Varenummer:
11212
Pakke str.:
0 Set
Min. bestillingsenhed er:
1 Set
21515 - Dobbelt rørholder ø15-15 - Grøn PP - DIN 2 Twin
21515 - Dobbelt rørholder ø15-15 - Grøn PP - DIN 2 Twin
Varenummer:
21515
Pakke str.:
0 Set
Min. bestillingsenhed er:
1 Set
212.712.7PPH - Dobbelt rørholder ø12.7-12.7 - Grøn PPH - DIN 2 Twin
212.712.7PPH - Dobbelt rørholder ø12.7-12.7 - Grøn PPH - DIN 2 Twin
Varenummer:
212.712.7PPH
Pakke str.:
0 Set
Min. bestillingsenhed er:
1 Set
32020 - Dobbelt rørholder ø20-20 - Grøn PP - DIN 3 Twin
32020 - Dobbelt rørholder ø20-20 - Grøn PP - DIN 3 Twin
Varenummer:
32020
Pakke str.:
0 Set
Min. bestillingsenhed er:
1 Set
10808 - Dobbelt rørholder ø8-8 - Grøn PP - DIN 1 Twin
10808 - Dobbelt rørholder ø8-8 - Grøn PP - DIN 1 Twin
Varenummer:
10808
Pakke str.:
0 Set
Min. bestillingsenhed er:
1 Set
21414 - Dobbelt rørholder ø14-14 - Grøn PP - DIN 2 Twin
21414 - Dobbelt rørholder ø14-14 - Grøn PP - DIN 2 Twin
Varenummer:
21414
Pakke str.:
0 Set
Min. bestillingsenhed er:
1 Set
32218 - Dobbelt rørholder ø22-18 - Grøn PP - DIN 3 Twin
32218 - Dobbelt rørholder ø22-18 - Grøn PP - DIN 3 Twin
Varenummer:
32218
Pakke str.:
0 Set
Min. bestillingsenhed er:
1 Set
21818 - Dobbelt rørholder ø18-18 - Grøn PP - DIN 2 Twin
21818 - Dobbelt rørholder ø18-18 - Grøn PP - DIN 2 Twin
Varenummer:
21818
Pakke str.:
0 Set
Min. bestillingsenhed er:
1 Set
42825 - Dobbelt rørholder ø28-25 - Grøn PP - DIN 4 Twin
42825 - Dobbelt rørholder ø28-25 - Grøn PP - DIN 4 Twin
Varenummer:
42825
Pakke str.:
0 Set
Min. bestillingsenhed er:
1 Set
32525 - Dobbelt rørholder ø25-25 - Grøn PP - DIN 3 Twin
32525 - Dobbelt rørholder ø25-25 - Grøn PP - DIN 3 Twin
Varenummer:
32525
Pakke str.:
0 Set
Min. bestillingsenhed er:
1 Set
42828 - Dobbelt rørholder ø28-28 - Grøn PP - DIN 4 Twin
42828 - Dobbelt rørholder ø28-28 - Grøn PP - DIN 4 Twin
Varenummer:
42828
Pakke str.:
0 Set
Min. bestillingsenhed er:
1 Set
10606 - Dobbelt rørholder ø6-6 - Grøn PP - DIN 1 Twin
10606 - Dobbelt rørholder ø6-6 - Grøn PP - DIN 1 Twin
Varenummer:
10606
Pakke str.:
0 Set
Min. bestillingsenhed er:
1 Set
32522 - Dobbelt rørholder ø25-22 - Grøn PP - DIN 3 Twin
32522 - Dobbelt rørholder ø25-22 - Grøn PP - DIN 3 Twin
Varenummer:
32522
Pakke str.:
0 Set
Min. bestillingsenhed er:
1 Set
21616 - Dobbelt rørholder ø16-16 - Grøn PP - DIN 2 Twin
21616 - Dobbelt rørholder ø16-16 - Grøn PP - DIN 2 Twin
Varenummer:
21616
Pakke str.:
0 Set
Min. bestillingsenhed er:
1 Set
43030 - Dobbelt rørholder ø30-30 - Grøn PP - DIN 4 Twin
43030 - Dobbelt rørholder ø30-30 - Grøn PP - DIN 4 Twin
Varenummer:
43030
Pakke str.:
0 Set
Min. bestillingsenhed er:
1 Set
Andre kigger på
112A - Rørholder ø12 - Grøn PP - DIN 1
112A - Rørholder ø12 - Grøn PP - DIN 1
Varenummer:
112A
Pakke str.:
0 Set
Min. bestillingsenhed er:
1 Set
320 - Rørholder ø20 - Grøn PP - DIN 3
320 - Rørholder ø20 - Grøn PP - DIN 3
Varenummer:
320
Pakke str.:
0 Set
Min. bestillingsenhed er:
1 Set
108APPH - Rørholder ø8 - Grøn PP - DIN 1
108APPH - Rørholder ø8 - Grøn PP - DIN 1
Varenummer:
108APPH
Pakke str.:
1 Set
Min. bestillingsenhed er:
1 Set
215PA - Rørholder ø15 - Sort PA - DIN 2
215PA - Rørholder ø15 - Sort PA - DIN 2
Varenummer:
215PA
Pakke str.:
0 Set
Min. bestillingsenhed er:
1 Set
215 - Rørholder ø15 - Grøn PP - DIN 2
215 - Rørholder ø15 - Grøn PP - DIN 2
Varenummer:
215
Pakke str.:
0 Set
Min. bestillingsenhed er:
1 Set
SP1A/71 - Svejseplade - DIN 0-1 - Rustfri
SP1A/71 - Svejseplade - DIN 0-1 - Rustfri
Varenummer:
SP1A/71
Pakke str.:
0 pcs
Min. bestillingsenhed er:
1 pcs
218 - Rørholder ø18 - Grøn PP - DIN 2
218 - Rørholder ø18 - Grøn PP - DIN 2
Varenummer:
218
Pakke str.:
0 Set
Min. bestillingsenhed er:
1 Set
542 - Rørholder ø42 - Grøn PP - DIN 5
542 - Rørholder ø42 - Grøn PP - DIN 5
Varenummer:
542
Pakke str.:
0 Set
Min. bestillingsenhed er:
1 Set
322PA - Rørholder ø22 - Sort PA - DIN 3
322PA - Rørholder ø22 - Sort PA - DIN 3
Varenummer:
322PA
Pakke str.:
0 Set
Min. bestillingsenhed er:
1 Set
SP2 - Svejseplade - DIN 2 - Sort
SP2 - Svejseplade - DIN 2 - Sort
Varenummer:
SP2
Pakke str.:
0 pcs
Min. bestillingsenhed er:
1 pcs
770 - Rørholder ø70 - Grøn PP - DIN 7
770 - Rørholder ø70 - Grøn PP - DIN 7
Varenummer:
770
Pakke str.:
0 Set
Min. bestillingsenhed er:
1 Set
DP2/71 - Topplade - DIN 2 - Rustfri
DP2/71 - Topplade - DIN 2 - Rustfri
Varenummer:
DP2/71
Pakke str.:
0 pcs
Min. bestillingsenhed er:
1 pcs
DP5/71 - Topplade - DIN 5 - Rustfri
DP5/71 - Topplade - DIN 5 - Rustfri
Varenummer:
DP5/71
Pakke str.:
0 pcs
Min. bestillingsenhed er:
1 pcs
DP3 - Topplade - DIN 3 - ZiNi
DP3 - Topplade - DIN 3 - ZiNi
Varenummer:
DP3
Pakke str.:
0 pcs
Min. bestillingsenhed er:
1 pcs
657 - Rørholder ø57 - Grøn PP - DIN 6
657 - Rørholder ø57 - Grøn PP - DIN 6
Varenummer:
657
Pakke str.:
25 Set
Min. bestillingsenhed er:
25 Set
SP3/71 - Svejseplade - DIN 3 - Rustfri
SP3/71 - Svejseplade - DIN 3 - Rustfri
Varenummer:
SP3/71
Pakke str.:
0 pcs
Min. bestillingsenhed er:
1 pcs
SP2/71 - Svejseplade - DIN 2 - Rustfri
SP2/71 - Svejseplade - DIN 2 - Rustfri
Varenummer:
SP2/71
Pakke str.:
0 pcs
Min. bestillingsenhed er:
1 pcs
538 - Rørholder ø38 - Grøn PP - DIN 5
538 - Rørholder ø38 - Grøn PP - DIN 5
Varenummer:
538
Pakke str.:
0 Set
Min. bestillingsenhed er:
1 Set
SP5 - Svejseplade - DIN 5 - Sort
SP5 - Svejseplade - DIN 5 - Sort
Varenummer:
SP5
Pakke str.:
0 pcs
Min. bestillingsenhed er:
1 pcs
535PA - Rørholder ø35 - Sort PA - DIN 5
535PA - Rørholder ø35 - Sort PA - DIN 5
Varenummer:
535PA
Pakke str.:
0 Set
Min. bestillingsenhed er:
1 Set
325PA - Rørholder ø25 - Sort PA - DIN 3
325PA - Rørholder ø25 - Sort PA - DIN 3
Varenummer:
325PA
Pakke str.:
0 Set
Min. bestillingsenhed er:
1 Set
108A - Rørholder ø8 - Grøn PP - DIN 1
108A - Rørholder ø8 - Grøn PP - DIN 1
Varenummer:
108A
Pakke str.:
25 Set
Min. bestillingsenhed er:
1 Set
654 - Rørholder ø54 - Grøn PP - DIN 6
654 - Rørholder ø54 - Grøn PP - DIN 6
Varenummer:
654
Pakke str.:
1 Set
Min. bestillingsenhed er:
1 Set
428PA - Rørholder ø28 - Sort PA - DIN 4
428PA - Rørholder ø28 - Sort PA - DIN 4
Varenummer:
428PA
Pakke str.:
0 Set
Min. bestillingsenhed er:
1 Set
SP3 - Svejseplade - DIN 3 - Sort
SP3 - Svejseplade - DIN 3 - Sort
Varenummer:
SP3
Pakke str.:
0 pcs
Min. bestillingsenhed er:
1 pcs
776.1 - Rørholder ø76.1 - Grøn PP - DIN 7
776.1 - Rørholder ø76.1 - Grøn PP - DIN 7
Varenummer:
776.1
Pakke str.:
0 Set
Min. bestillingsenhed er:
1 Set
112 - Rørholder ø12 - Grøn PP - DIN 0
112 - Rørholder ø12 - Grøn PP - DIN 0
Varenummer:
112
Pakke str.:
0 Set
Min. bestillingsenhed er:
1 Set
325.4 - Rørholder ø25.4 - Grøn PP - DIN 3
325.4 - Rørholder ø25.4 - Grøn PP - DIN 3
Varenummer:
325.4
Pakke str.:
0 Set
Min. bestillingsenhed er:
1 Set
533.7 - Rørholder ø33.7 - Grøn PP - DIN 5
533.7 - Rørholder ø33.7 - Grøn PP - DIN 5
Varenummer:
533.7
Pakke str.:
0 Set
Min. bestillingsenhed er:
1 Set
Rørholderpar, standard serie, enkelt, Polypropylen, grøn, profileret - SLK-PPG
Rørholderpar, standard serie, enkelt, Polypropylen, grøn, profileret - SLK-PPG
Varenummer:
217.1
Pakke str.:
0 Set
Min. bestillingsenhed er:
1 Set
Copyright © 2026 HydraSpecma