T samler - ø16S

Temperatur/trykreduktion:
-40°C - +120°C = 0%.
+120°C - +150°C = 11%.
+150°C - +175°C = 15%.
+175°C - +200°C = 19%.
+200°C - +250°C = 28%

Partnumber:
FXT16S

Package size:
0 pcs

Min. order quantity is:
1 pcs
Skärring 16S
Varenummer: DPR16S
Omløber - ø16S - M24x1.5
Varenummer: FIM16S
Dobbelt skærering WDDS - ø16S - pakning
Varenummer: FIWDDS16S
Omløber - ø16S - M24x1.5
Varenummer: M16S
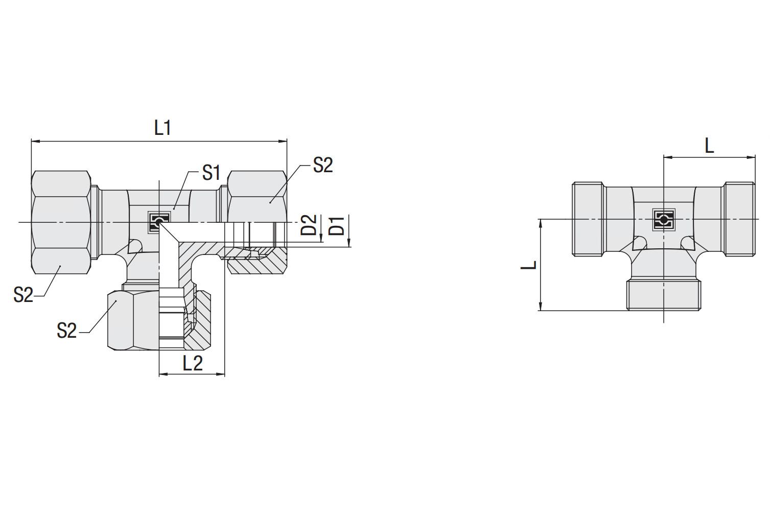
Diameter rør
16 mm

Dimension D1
16 mm

Dimension D2
12 mm

Dimension L
33 mm

Dimension L1
86 mm

Dimension L2
24.5 mm

Dimension S1
24 mm

Dimension S2
30 mm

Gevind udvendig metrisk
M24x1,5

Korrosions resistens
1200 hours salt spray DIN EN ISO 9227

Materiale
Stål

Model kode
FI-T-16S-W3

Mærke navn
Stauff

Overfladebehandling
Zink-Nikkel belagt

REACH compliant
Ja

RoHs compliant
Ja

Serie
S

Sikkerhedsfaktor
4

Temperatur maks.
+120 °C

Temperatur min.
-20 °C

Tryk maks.
630 bar
Pakke str.
0 pcs

Stregkode
5704334705284

Brutto vægt
Kg

Netto vægt
Kg

Oprindelsesland
DEU

Intrastat varekode
73071110

Temperatur/trykreduktion:
-40°C - +120°C = 0%.
+120°C - +150°C = 11%.
+150°C - +175°C = 15%.
+175°C - +200°C = 19%.
+200°C - +250°C = 28%

Bemærk: Åbning af 3D-filer kræver et program der understøtter fil-formatet

HydraSpecma | Nordens bredeste hydraulik sortiment online - dag til dag levering!
Hydrauliske Systemer – Slange- og Rørledningsartikler til væsketransport – Elektrificering – Vedvarende Energi | HydraSpecma

HYDRASPECMA
– DIN PARTNER FRA IDÉ
TIL SERIEPRODUKTION

Hos HydraSpecma er vi specialiserede i at designe og konstruere state-of-the-art hydrauliske og elektriske systemer, der er skræddersyet til at imødekomme vores kunders dynamiske behov.

Vores ekspertise stopper ikke bare der; vi er også førende inden for levering af omfattende løsninger til væsketransport. Fra slanger og rør af høj kvalitet til robuste fittings og adaptere har vi alt, hvad du behøver for at sikre problemfri væskekontrol.

HydraSpecmas ekspertområde omfatter også en stærk produktportefølje til industrien for vedvarende energi, hvor vi kan støtte din virksomhed med markedsførende køleløsninger, smøre- og filtreringssystemer, hydrauliske systemer og slanger, rør og fittings.

Vores passion for innovation matches af vores ansvar for kvalitet. Hvert produkt og system i vores omfattende sortiment er et vidnesbyrd om vores dedikation til kvalitet. Uanset om du har at gøre med komplekse hydrauliske systemer eller leder efter pålidelige komponenter, der kan vi levere den løsning, du søger.

Tag næste skridt med os, og oplev hvor teknik møder præcision, og hvor hver eneste forbindelse, vi skaber, ikke kun handler om komponenter og systemer, men også om mennesker og deres forretninger.

FOR HOS HYDRASPECMA

ER DIN SUCCES VORES SUCCES